الحصول على أحدث المعلومات

الخدمات

كيفية تصميم نظام تدفئة داخلية أكثر كفاءة في استخدام الطاقة؟

تصفح الكمية:11     الكاتب:1stsunflower     نشر الوقت: 2019-12-27      المنشأ:محرر الموقع

رسالتك

[ملخص]

في فصل الشتاء ، حتى في المناطق التي نادرًا ما تكون درجة الحرارة فيها أقل من 0 درجة ، يعتبر التدفئة المنزلية من أهم الاعتبارات. سوف تستهلك تكاليف التدفئة أيضًا جزءًا كبيرًا من نفقات الأسرة. لذلك ، يركز الناس على اختيار أنظمة تسخين شمسي أكثر كفاءة في استخدام الطاقة وكفاءة. وفقًا لحالة كل منزل ، قم بتصميم نظام تسخين شمسي مناسب لتحقيق عملية فعالة ومنخفضة التكلفة ، والتي ستبقي منزلك دافئًا ومريحًا خلال فصل الشتاء.

[نص]

1 , الحالة الأساسية

يخطط مايك من ألاسكا لتثبيت نظام تدفئة في منزله. منزل مايك حوالي 280 متر مربع (3014 قدم مربع) في الطابق العلوي والطابق السفلي. نظرًا للمساحة الكبيرة للمنزل ، فإن تكلفة الطاقة للتدفئة في فصل الشتاء أمر يحتاج مايك إلى النظر فيه. في الوقت نفسه ، هناك 6 أشخاص في منزل مايك. بالإضافة إلى توفير الدفء للمنزل ، يحتاج أيضًا إلى توفير ما يكفي من المياه المنزلية لعائلته.

2 , كيفية تصميم حل تسخين شمسي لمنزل مايك؟

1). الجمع بين بيانات الأرصاد الجوية في ألاسكا كأساس للتصميم:


كيفية تصميم نظام تدفئة داخلي أكثر كفاءة في استخدام الطاقة


تتمتع منطقة جنوب شرق ألاسكا بمناخ بحري معتدل ، حيث لا يوجد برد شديد في الشتاء وحرارة شديدة في الصيف. إنه مكان جيد للناس للعيش والعيش. وفقًا لبيانات الأرصاد الجوية المذكورة أعلاه والكفاءة الحرارية لمجمع الطاقة الشمسية ، يلزم وجود 6 مجموعات من مجمعات الطاقة الشمسية لأنابيب الحرارة SFB305818.


بالإضافة إلى توفير الحرارة لمنزل مايك ، فكر في كيفية استخدام مايك وعائلته للماء الساخن على مدار العام. لذلك ، قمنا بتصميم مجموعة من خزان المياه 300 لتر للمياه المنزلية + خزان المياه 500 لتر لخطة التدفئة الشمسية للتدفئة المنزلية.

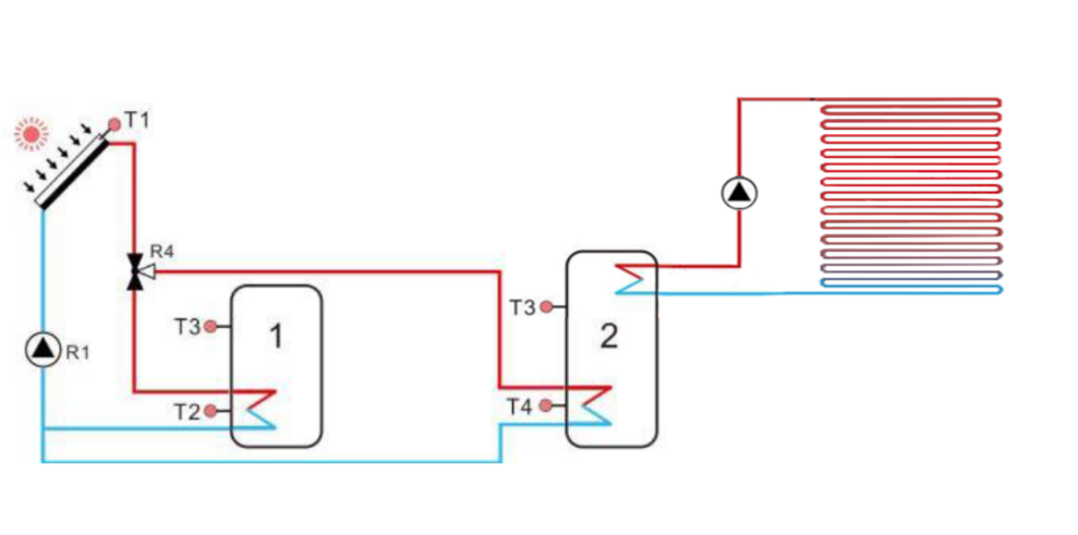
2). مخطط تشغيل النظام كما يلي:


كيفية تصميم نظام تدفئة داخلية منزلية أكثر كفاءة في استخدام الطاقة -2


في نظام التسخين الشمسي هذا ، يقوم المجمع الشمسي أولاً بتسخين الخزان 1. عندما تصل درجة حرارة الماء للخزان 1 إلى درجة الحرارة المحددة ، تتحول المضخة الدائرية R4 إلى الخزان 2 وتبدأ في تسخين الخزان 2.


ينقل الملف العلوي في الخزان 2 الحرارة في خزان المياه إلى أنبوب الأرضية لتدوير الماء الساخن لتسخين الأرض ، ثم يمد الحرارة إلى الغرفة عبر الأرضية من خلال الإشعاع والتوصيل الحراري.


يمكن لهذا النظام أن يحل مشكلة استهلاك مايك وعائلته من المياه على مدار العام ، ويمكنه أيضًا توفير الحرارة المطلوبة لمنزله. اجعل عائلة مايك تشعر بالدفء والراحة حتى في فصل الشتاء.


علاوة على ذلك ، يمكن دمج هذا النظام مع أي مصدر طاقة مثل الغاز ، ومضخة الحرارة ، والكهرباء ، وما إلى ذلك لتشكيل نظام تسخين هجين. عندما لا يكون لدى المجمع الشمسي حرارة كافية في يوم ممطر ، يتحكم النظام تلقائيًا في الطاقة المساعدة ليتم تشغيلها للتدفئة. يتم تقليل تكلفة الاستخدام إلى حد كبير ، ويضمن أيضًا توفير الحرارة المطلوبة.

[استنتاج]

تم تصميم وتكوين حل التسخين الشمسي هذا وفقًا للحالة والاحتياجات الفعلية لمايك. مناسب للمنازل التي تحتاج إلى تدفئة داخلية ومياه ساخنة منزلية. فهو لا يوفر حرارة كافية للمنزل فحسب ، بل يقلل أيضًا من تكلفة استخدام المنزل. إذا كنت مهتمًا ، يمكنك الاتصال بنا. سنقوم بتصميم الحل المناسب لك. يمكنك أيضًا العثور على المزيد من حلول تسخين المياه بالطاقة الشمسية هنا:

https://www.1stsunflower.com/Solar-Heating-Solutions-Projects-pl6142236.html

دخلت زهرة عباد الشمس الأولى مجال منتجات الطاقة الشمسية منذ عام 1998 بخبرة ومهارات عميقة في منتجات الطاقة الشمسية والمنتجات الخضراء ، مع القدرة على تصميم المنتجات الممتازة ، وتقديم الاستشارات للحلول وخدمات دعم الأعمال ، وهي ملتزمة بزيادة القيمة وتقليل التكاليف للعملاء. .

روابط سريعة

اتصل بنا

 :info@sunflower-solar.com / info@sunline.com.cn
 : + 0086-13775232023 / + 0086-13584366733
 : +8613584366733
 : cnsunline
 : رقم 1 ، الطريق هونغ كونغ ، niutang المنطقة الصناعية ،
تشانغتشو ، جيانغسو ، الصين
حقوق الطبع والنسخ ؛ 1ST SUNFLOWER ENERGY Co.، Ltd. كل الحق حلها.