OBTENIR LES DERNIÈRES INFORMATIONS

UN SERVICE

Comment concevoir un système de chauffage intérieur domestique plus économe en énergie?

Nombre Parcourir:0     auteur:1er tournesol     publier Temps: 2019-12-27      origine:Propulsé

enquête

[Sommaire]

En hiver, même dans les zones où la température est rarement inférieure à 0 degré, le chauffage domestique est une considération importante. Les frais de chauffage consomment également une part importante des dépenses des ménages. Par conséquent, les gens se concentrent sur le choix de systèmes de chauffage solaire plus économes en énergie et plus efficaces. Selon la situation de chaque maison, concevez un système de chauffage solaire adapté pour obtenir un fonctionnement efficace et à faible coût, qui gardera votre maison au chaud et confortable pendant l'hiver.

[Texte]

1 , La situation de base

Mike de l'Alaska prévoit d'installer un système de chauffage dans sa maison. La maison de Mike est d'environ 280 mètres carrés (3014 pieds carrés) à l'étage et au rez-de-chaussée. En raison de la grande superficie de la maison, le coût énergétique du chauffage en hiver est quelque chose que Mike doit considérer. En même temps, il y a 6 personnes chez Mike. En plus de chauffer la maison, il doit également fournir suffisamment d'eau domestique à sa famille.

2 , Comment concevoir une solution de chauffage solaire pour la maison de Mike?

1). Combiner les données météorologiques de l'Alaska comme base de conception:


Comment concevoir un système de chauffage intérieur domestique plus économe en énergie


Le sud-est de l'Alaska a un climat maritime tempéré, sans froid sévère en hiver et chaleur extrême en été. C'est un bon endroit pour vivre et vivre. Selon les données météorologiques ci-dessus et l'efficacité thermique du capteur solaire, 6 ensembles de capteur solaire à caloduc SFB305818 sont nécessaires.


En plus de chauffer la maison de Mike, réfléchissez à la façon dont Mike et sa famille utilisent l'eau chaude tout au long de l'année. Par conséquent, nous avons conçu un ensemble de réservoir d'eau 300L pour l'eau domestique + 500L pour le chauffage domestique.

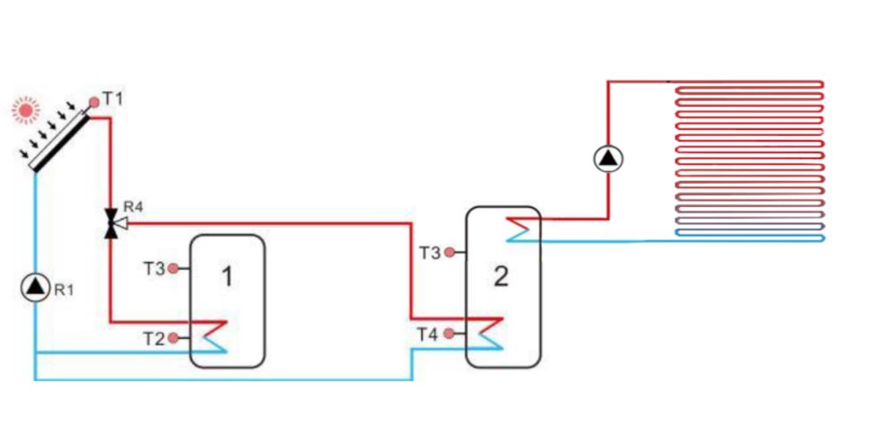
2). Le schéma de fonctionnement du système est le suivant:


Comment concevoir un système de chauffage intérieur domestique plus économe en énergie-2


Dans ce système de chauffage solaire, le capteur solaire chauffe d'abord Tank1. Lorsque la température de l'eau du réservoir 1 atteint la température réglée, la pompe de circulation R4 passe au réservoir 2 et commence à chauffer le réservoir 2.


Le serpentin supérieur du réservoir 2 transfère la chaleur du réservoir d'eau au tuyau de plancher pour faire circuler l'eau chaude pour chauffer le plancher, puis fournit de la chaleur à la pièce à travers le plancher par rayonnement et conduction par convection.


Ce système peut résoudre le problème de la consommation d'eau domestique de Mike et de sa famille tout au long de l'année, et il peut également fournir à sa maison la chaleur requise. Faites en sorte que la famille Mike se sente au chaud et confortable, même en hiver.


De plus, ce système peut être combiné avec n'importe quelle source d'énergie comme le gaz, la pompe à chaleur, l'électricité, etc. pour former un système de chauffage hybride. Lorsque le capteur solaire n'a pas suffisamment de chaleur un jour de pluie, le système contrôle automatiquement l'énergie auxiliaire à allumer pour le chauffage. Le coût d'utilisation est réduit dans une large mesure et l'apport de chaleur nécessaire est également garanti.

[Conclusion]

Cette solution de chauffage solaire est conçue et configurée en fonction de la situation et des besoins réels de Mike. Convient aux maisons qui ont besoin de chauffage intérieur et d'eau chaude sanitaire. Non seulement il fournit suffisamment de chaleur pour la maison, mais il minimise également le coût d'utilisation de la maison. Si vous êtes intéressé, vous pouvez nous contacter. Nous concevrons la bonne solution pour vous. Vous pouvez également trouver plus de solutions de chauffage solaire de l'eau ici:

https://www.1stsunflower.com/Solar-Heating-Solutions-Projects-pl6142236.html

1er tournesol est entré dans le domaine des produits à énergie solaire depuis 1998 avec une expertise et des compétences approfondies dans les produits à énergie solaire et les produits verts, avec une capacité de conception de produits excellente, des services de conseil en solutions et de soutien aux entreprises, et s'est engagé à maximiser la valeur et à réduire les coûts pour les clients. .

Liens rapides

Contactez nous

 :info@sunflower-solar.com / info@sunline.com.cn
 : + 0086-13775232023 / + 0086-13584366733
 : +8613584366733
 : cnsunline
 : NO.1, hongxi road, district industriel de niutang,
Changzhou, Jiangsu, Chine
Copyright & copie; 1ER ÉNERGIE DE TOURNESOL Cie., Ltd. Très bien résolu.