ПОЛУЧИТЬ ПОСЛЕДНЮЮ ИНФОРМАЦИЮ

ОКАЗАНИЕ УСЛУГ

Как спроектировать более энергоэффективную бытовую отопительную систему?

Просмотры:0     Автор:1stsunflower     Время публикации: 2019-12-27      Происхождение:Работает

Запрос цены

[Резюме]

Зимой, даже в районах, где температура редко опускается ниже 0 градусов, отопление дома является важным фактором. Расходы на отопление также потребляют значительную часть расходов домохозяйств. Поэтому люди сосредоточены на выборе более энергоэффективных и эффективных систем солнечного отопления. В зависимости от ситуации в каждом доме, спроектируйте подходящую систему солнечного отопления, чтобы обеспечить эффективную и недорогую работу, которая будет поддерживать ваш дом в тепле и уюте зимой.

[Текст]

1 , Основная ситуация

Майк из Аляски планирует установить систему отопления в своем доме. Дом Майка составляет около 280 квадратных метров (3014 квадратных футов) наверху и внизу. Из-за большой площади дома, затраты энергии на отопление зимой - это то, что Майк должен учитывать. В то же время в доме Майка 6 человек. Помимо обеспечения тепла в доме, он также должен обеспечить достаточное количество домашней воды для своей семьи.

2. Как спроектировать солнечное отопление для дома Майка?

1). Объединение метеорологических данных Аляски в качестве проектной основы:


Как разработать более энергоэффективную бытовую систему отопления помещений


Юго-восточная Аляска имеет умеренный морской климат, без сильных холодов зимой и сильной жары летом. Это хорошее место для людей, чтобы жить и жить. Согласно вышеуказанным метеорологическим данным и термическому кпд солнечного коллектора, требуется 6 комплектов солнечного коллектора SFB305818 с тепловыми трубками.


Помимо отопления дома Майка, подумайте, как Майк и его семья используют горячую воду в течение всего года. Поэтому мы разработали комплект бака для воды объемом 300 л для бытового водоснабжения + бак для воды объемом 500 л для бытового отопления по схеме солнечного отопления.

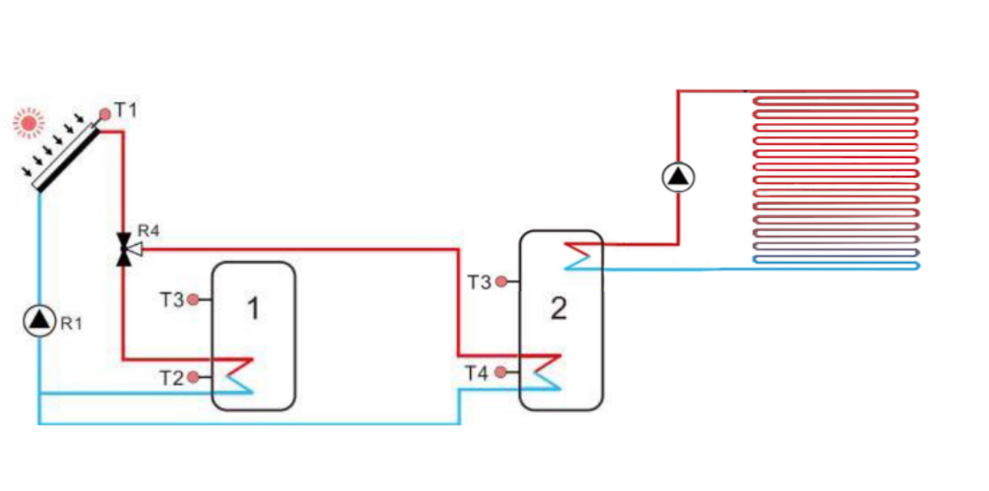
2). Схема работы системы выглядит следующим образом:


Как спроектировать более энергоэффективную бытовую систему внутреннего отопления-2


В этой солнечной системе отопления солнечный коллектор сначала нагревает Tank1. Когда температура воды в резервуаре 1 достигает установленной температуры, циркуляционный насос R4 переключается в резервуар 2 и начинает нагрев резервуара 2.


Верхняя катушка в резервуаре 2 передает тепло в резервуаре для воды к трубе пола для циркуляции горячей воды для обогрева пола, а затем подает тепло в помещение через пол через радиационную и конвекционную проводимость.


Эта система может решить проблему потребления воды Майком и его семьей в течение года, а также может обеспечить его дом необходимым теплом. Заставьте семью Майка чувствовать тепло и уют даже зимой.


Кроме того, эта система может быть объединена с любым источником энергии, таким как газ, тепловой насос, электричество и т. Д., Чтобы создать гибридную систему отопления. Если в дождливый день у солнечного коллектора недостаточно тепла, система автоматически контролирует вспомогательную энергию, которая должна быть включена для отопления. Стоимость использования в значительной степени снижается, а также гарантируется подача необходимого тепла.

[Вывод]

Это решение для солнечного отопления разработано и настроено в соответствии с реальной ситуацией и потребностями Майка. Подходит для домов, которые нуждаются в отоплении и горячей воде. Он не только обеспечивает достаточное количество тепла для дома, но и сводит к минимуму стоимость использования для дома. Если вы заинтересованы, вы можете связаться с нами. Мы разработаем правильное решение для вас. Вы также можете найти более солнечные водонагревательные решения здесь:

https://www.1stsunflower.com/Solar-Heating-Solutions-Projects-pl6142236.html

1-й подсолнечник вступил в сферу солнечной энергетики с 1998 года с глубоким опытом и навыками в области солнечной энергии и экологически чистых продуктов, обладающих отличным дизайном продукции, консалтингом в области решений и поддержкой бизнеса, и стремится максимизировать стоимость и сократить расходы для клиентов ,

Быстрые ссылки

Связаться с нами

 :info@sunflower-solar.com / info@sunline.com.cn
 : + 0086-13775232023 / + 0086-13584366733
 : +8613584366733
 : cnsunline
 : NO.1, дорога Хунси, промышленный район Ниутанг,
Чанчжоу, Цзянсу, Китай
Авторское право и копия; 1ST SUNFLOWER ENERGY Co., Ltd. Все в порядке.