GET THE LATEST INFORMATION

SERVICE

How to design a more energy efficient domestic indoor heating system?

Views: 12     Author: 1stsunflower     Publish Time: 2019-12-27      Origin: Site

Inquire

[Summary]

In winter, even in areas where the temperature is rarely below 0 degrees, home heating is an important consideration. Heating costs will also consume a significant portion of household expenses. Therefore, people focus on choosing more energy-efficient and efficient solar heating systems. According to the situation of each home, design a suitable solar heating system to achieve efficient and low-cost operation, which will keep your home warm and comfortable during the winter.

[Text]

1,The basic situation

Mike from Alaska plans to install a heating system in his home. Mike's house is approximately 280 square meters (3014 sq.ft) upstairs and downstairs. Due to the large area of the house, the energy cost of heating in winter is something Mike needs to consider. At the same time, there are 6 people in Mike's home. In addition to providing warmth to the house, he also needs to provide enough domestic water for his family.

 

2,How to design a solar heating solution for Mike's house?

1). Combining Alaska's meteorological data as the design basis:


How to design a more energy efficient domestic indoor heating system


Southeastern Alaska has a temperate maritime climate, with no severe cold in winter and extreme heat in summer. It is a good place for people to live and live. According to the above meteorological data and the thermal efficiency of the solar collector, 6 sets of SFB305818 heat pipe solar collector are required.


In addition to providing heat to Mike's house, consider how Mike and his family use hot water throughout the year. Therefore, we designed a set of 300L water tank for domestic water + 500L water tank for household heating solar heating scheme.

 

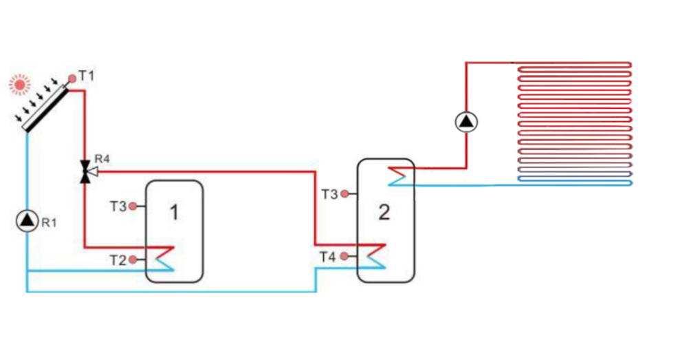
2). The system operation diagram is as follows:


How to design a more energy efficient domestic indoor heating system-2


In this solar heating system, the solar collector first heats Tank1. When the water temperature of Tank1 reaches the set temperature, the circulating pump R4 turns to Tank2 and starts heating Tank2.


The top coil in Tank2 transfers the heat in the water tank to the floor pipe to circulate hot water to heat the floor, and then supplies heat to the room through the floor through radiation and convection conduction.


This system can solve the problem of Mike and his family's domestic water consumption throughout the year, and it can also provide his house with the required heat. Make the Mike family feel warm and comfortable even in winter.


Moreover, this system can be combined with any energy source such as gas, heat pump, electricity, etc. to form a hybrid heating system. When the solar collector has insufficient heat on a rainy day, the system automatically controls the auxiliary energy to be turned on for heating. The use cost is reduced to a large extent, and the supply of required heat is also guaranteed.

[Conclusion]

This solar heating solution is designed and configured according to Mike's actual situation and needs. Suitable for homes that need indoor heating and domestic hot water. Not only does it provide enough heat for the home, it also minimizes the cost of use for the home. If you are interested, you can contact us. We will design the right solution for you. You can also find more solar water heating solutions here:

https://www.1stsunflower.com/Solar-Heating-Solutions-Projects-pl6142236.html

Contact Us

Quick Links

Contact Us

Email : info@sunflower-solar.com 
Tel : +0086-13584366733
WhatsApp : +86 13584366733
Skype : cnsunline
Wechat : deoxudu
Add : No. 18, Xiangyun Road, Wujin Economic Development Zone, Changzhou,Jiangsu, China
 
Copyright © 1ST SUNFLOWER ENERGY Co.,Ltd. All right resolved.