ERHALTEN SIE DIE NEUESTEN INFORMATIONEN

BEDIENUNG

Wie entwerfe ich ein energieeffizienteres Hausheizungssystem?

Anzahl Durchsuchen:0     Autor:1. Sonnenblume     veröffentlichen Zeit: 2019-12-27      Herkunft:Powered

erkundigen

[Zusammenfassung]

Im Winter spielt auch in Gebieten, in denen die Temperatur selten unter 0 Grad liegt, die Heizung zu Hause eine wichtige Rolle. Die Heizkosten verbrauchen auch einen erheblichen Teil der Haushaltskosten. Daher konzentrieren sich die Menschen auf die Wahl energieeffizienterer und effizienterer Solarheizsysteme. Entwerfen Sie je nach Situation jedes Hauses ein geeignetes Solarheizsystem, um einen effizienten und kostengünstigen Betrieb zu erzielen, der Ihr Haus im Winter warm und komfortabel hält.

[Text]

1 , Die Grundsituation

Mike aus Alaska plant, in seinem Haus ein Heizsystem zu installieren. Mikes Haus ist oben und unten ungefähr 280 Quadratmeter groß. Aufgrund der großen Fläche des Hauses müssen Mike die Energiekosten für die Heizung im Winter berücksichtigen. Zur gleichen Zeit sind 6 Personen in Mikes Haus. Neben der Wärmeversorgung des Hauses muss er auch genügend Trinkwasser für seine Familie bereitstellen.

2 , Wie entwerfe ich eine Solarheizungslösung für Mikes Haus?

1). Kombination der meteorologischen Daten Alaskas als Entwurfsgrundlage:


So entwerfen Sie ein energieeffizienteres Innenraumheizungssystem


Der Südosten Alaskas hat ein gemäßigtes Seeklima ohne starke Kälte im Winter und extreme Hitze im Sommer. Es ist ein guter Ort für Menschen, um zu leben und zu leben. Gemäß den obigen meteorologischen Daten und dem thermischen Wirkungsgrad des Solarkollektors sind 6 Sätze SFB305818-Wärmerohr-Solarkollektor erforderlich.


Überlegen Sie nicht nur, wie Mike und seine Familie das ganze Jahr über heißes Wasser verwenden, sondern auch, um Mikes Haus mit Wärme zu versorgen. Aus diesem Grund haben wir einen Satz 300-l-Wassertank für Brauchwasser + 500-l-Wassertank für die Solarheizung mit Haushaltsheizung entwickelt.

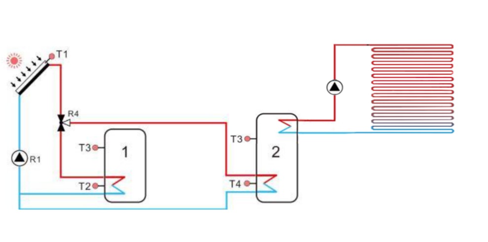
2). Das Systembetriebsdiagramm lautet wie folgt:


So entwerfen Sie ein energieeffizienteres Innenraumheizungssystem-2


In dieser Solaranlage heizt der Solarkollektor zuerst Tank1. Wenn die Wassertemperatur von Tank1 die eingestellte Temperatur erreicht, dreht sich die Umwälzpumpe R4 zu Tank2 und heizt Tank2 auf.


Die obere Spule in Tank2 überträgt die Wärme im Wassertank auf das Bodenrohr, um heißes Wasser zur Erwärmung des Bodens zu zirkulieren, und liefert dann durch Strahlung und Konvektionsleitung Wärme über den Boden an den Raum.


Dieses System kann das Problem des häuslichen Wasserverbrauchs von Mike und seiner Familie während des ganzen Jahres lösen und sein Haus mit der erforderlichen Wärme versorgen. Sorgen Sie dafür, dass sich die Familie Mike auch im Winter warm und wohl fühlt.


Darüber hinaus kann dieses System mit jeder Energiequelle wie Gas, Wärmepumpe, Elektrizität usw. kombiniert werden, um ein Hybridheizsystem zu bilden. Wenn der Solarkollektor an einem regnerischen Tag nicht genügend Wärme hat, steuert das System automatisch die Hilfsenergie, die zum Heizen eingeschaltet werden soll. Die Nutzungskosten werden weitgehend reduziert und die Versorgung mit der benötigten Wärme ist ebenfalls gewährleistet.

[Fazit]

Diese Solarheizungslösung wird entsprechend der tatsächlichen Situation und den Bedürfnissen von Mike entworfen und konfiguriert. Geeignet für Häuser, die Innenheizung und Warmwasser benötigen. Es liefert nicht nur genügend Wärme für das Haus, sondern minimiert auch die Nutzungskosten für das Haus. Wenn Sie interessiert sind, können Sie uns kontaktieren. Wir entwerfen die richtige Lösung für Sie. Weitere solare Warmwasserbereitungslösungen finden Sie hier:

https://www.1stsunflower.com/Solar-Heating-Solutions-Projects-pl6142236.html

1st sunflower ist seit 1998 auf dem Gebiet der Solarenergieprodukte mit tiefem Know-how und Know-how in Solarenergieprodukten und umweltfreundlichen Produkten, mit der Fähigkeit ausgezeichneter Produktdesigns, Lösungsberatung und Business-Support-Services tätig .

Quick Links

Kontaktiere uns

 :info@sunflower-solar.com / info@sunline.com.cn
 + 0086-13775232023 / + 0086-13584366733
 +8613584366733
 : cnsunline
 : No.1, hongxi road, niutang industrial district,
Changzhou, Jiangsu, China
Copyright & Kopie; 1. SONNENBLUMEN ENERGIE Co., Ltd. Alles klar gelöst.