OBTENGA LA ÚLTIMA INFORMACIÓN

SERVICIO

¿Cómo diseñar un sistema de calefacción interior doméstico más eficiente energéticamente?

Vistas:10     Autor:1stunflower     Hora de publicación: 2019-12-27      Origen:Sitio

Preguntar

[Resumen]

En invierno, incluso en áreas donde la temperatura rara vez es inferior a 0 grados, la calefacción del hogar es una consideración importante. Los costos de calefacción también consumirán una parte significativa de los gastos del hogar. Por lo tanto, las personas se centran en elegir sistemas de calefacción solar más eficientes y energéticamente eficientes. De acuerdo con la situación de cada hogar, diseñe un sistema de calefacción solar adecuado para lograr una operación eficiente y de bajo costo, que mantendrá su hogar cálido y cómodo durante el invierno.

[Texto]

1 , La situación básica

Mike de Alaska planea instalar un sistema de calefacción en su casa. La casa de Mike está aproximadamente 280 metros cuadrados (3014 pies cuadrados) arriba y abajo. Debido a la gran área de la casa, el costo energético de la calefacción en invierno es algo que Mike debe considerar. Al mismo tiempo, hay 6 personas en la casa de Mike. Además de proporcionar calor a la casa, también necesita proporcionar suficiente agua doméstica para su familia.

2 , ¿Cómo diseñar una solución de calefacción solar para la casa de Mike?

1) Combinando los datos meteorológicos de Alaska como base de diseño:


Cómo diseñar un sistema de calefacción interior doméstico con mayor eficiencia energética


El sureste de Alaska tiene un clima marítimo templado, sin frío severo en invierno y calor extremo en verano. Es un buen lugar para que la gente viva y viva. De acuerdo con los datos meteorológicos anteriores y la eficiencia térmica del colector solar, se requieren 6 juegos de colector solar de tubo de calor SFB305818.


Además de proporcionar calor a la casa de Mike, considere cómo Mike y su familia usan el agua caliente durante todo el año. Por lo tanto, diseñamos un conjunto de tanque de agua de 300L para agua doméstica + tanque de agua de 500L para calefacción doméstica.

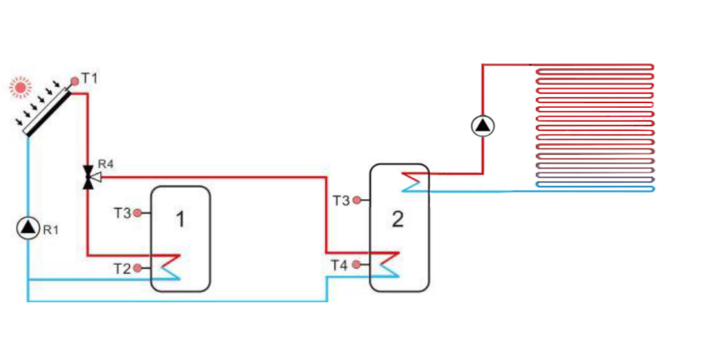
2) El diagrama de operación del sistema es el siguiente:


Cómo diseñar un sistema de calefacción interior doméstico más eficiente energéticamente-2


En este sistema de calefacción solar, el colector solar primero calienta el Tank1. Cuando la temperatura del agua del tanque 1 alcanza la temperatura establecida, la bomba de circulación R4 gira al tanque 2 y comienza a calentar el tanque 2.


La bobina superior en el tanque 2 transfiere el calor en el tanque de agua a la tubería del piso para que circule agua caliente para calentar el piso, y luego suministra calor a la habitación a través del piso a través de la radiación y la conducción de convección.


Este sistema puede resolver el problema del consumo de agua doméstica de Mike y su familia durante todo el año, y también puede proporcionar a su casa el calor requerido. Haga que la familia Mike se sienta cálida y cómoda incluso en invierno.


Además, este sistema se puede combinar con cualquier fuente de energía como gas, bomba de calor, electricidad, etc. para formar un sistema de calefacción híbrido. Cuando el colector solar no tiene suficiente calor en un día lluvioso, el sistema controla automáticamente la energía auxiliar que se enciende para la calefacción. El costo de uso se reduce en gran medida y también se garantiza el suministro de calor requerido.

[Conclusión]

Esta solución de calefacción solar está diseñada y configurada de acuerdo con la situación y las necesidades reales de Mike. Adecuado para hogares que necesitan calefacción interior y agua caliente sanitaria. No solo proporciona suficiente calor para el hogar, sino que también minimiza el costo de uso para el hogar. Si está interesado, puede contactarnos. Diseñaremos la solución adecuada para usted. También puede encontrar más soluciones de calentamiento solar de agua aquí:

https://www.1stsunflower.com/Solar-Heating-Solutions-Projects-pl6142236.html

1st girasol ha entrado en el campo de los productos de energía solar desde 1998 con una amplia experiencia y conocimientos en productos de energía solar y productos ecológicos, con capacidad de excelente diseño de productos, consultoría de soluciones y servicios de apoyo empresarial, y se compromete a maximizar el valor y reducir los costos para los clientes .

enlaces rápidos

Contáctenos

 :info@sunflower-solar.com / info@sunline.com.cn
 : + 0086-13775232023 / + 0086-13584366733
 : +8613584366733
 : cnsunline
 : NO.1, camino de hongxi, distrito industrial de Niutang,
Changzhou, Jiangsu, China
Copyright y copia; 1ST SUNFLOWER ENERGY Co., Ltd. Todo bien resuelto.