الحصول على أحدث المعلومات

الخدمات

نظام التسخين الشمسي لحمام السباحة لتصميم المنزل

تصفح الكمية:5     الكاتب:1stsunflower     نشر الوقت: 2019-11-28      المنشأ:محرر الموقع

رسالتك

[نبذة مختصرة]

مع تطوير وتعميم أنظمة الطاقة الشمسية ، يتبنى المزيد والمزيد من الناس الطاقة الشمسية لتسخين نظام حمامات السباحة. لا يؤدي استخدام الطاقة الشمسية لتسخين حمام السباحة إلى تقليل تكاليف الطاقة فحسب ، بل يوفر الطاقة ويحمي البيئة أيضًا.

حالة تصميم نظام التسخين بالطاقة الشمسية لحمام السباحة هي للإشارة.

[نص]

1. المتطلبات الأساسية:

جاكسون قادم من كاليفورنيا بالولايات المتحدة الأمريكية ، المنزل به 16 قدمًا * 40 قدمًا ويتطلب استخدام المسبح في أي وقت ، يجب أن يكون المسبح مجهزًا بنظام مسبح مدفأ بالطاقة الشمسية.

2. أفكار التصميم:

جاكسون يقع في ولاية كاليفورنيا ، المناخ أفضل.

① استنادًا إلى مناخ كاليفورنيا ومنطقة المسبح ، تكوين 8 مجموعات من مجمع الطاقة الشمسية SFB305818.

to بسبب متطلبات استخدام المسبح من وقت غير محدد ، لذلك يتم تكوين خزان مياه بسعة 1500 لتر لتخزين الماء الساخن.

عندما لا يصل المسبح إلى درجة الحرارة المطلوبة ، يمكن وضع الماء الساخن لخزان الماء في المسبح لزيادة درجة حرارة الماء.

nd وتكوين الملحقات الأخرى.

3. ميزات التصميم:

نظام التسخين الشمسي لحمام السباحة لتصميم المنزل

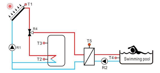
هذا هو نظام تداول مضغوط مغلق. عند تشغيل النظام ، يتم تسخين خزان المياه أحادي اللفة أولاً. عندما يصل خزان المياه إلى درجة حرارة محددة (على سبيل المثال ، 60 درجة مئوية) ، يبدأ المجمع الشمسي في تسخين حمام السباحة من خلال المبادل الحراري.


بالنظر إلى أن جاكسون يحتاج إلى استخدام المسبح في وقت غير محدد ، يمكن لهذا النظام أن يضمن أن الماء الموجود في خزان المياه ساخن دائمًا. عندما تريد السباحة ، إذا كان المجمع الشمسي لا يقوم بتسخين حمام السباحة إلى درجة الحرارة المثالية ، فيمكنه وضع الماء الساخن لخزان المياه في المسبح. يمكن أن يزيد من درجة حرارة الماء في حوض السباحة. وبذلك تلبي متطلبات استخدام حمام السباحة في أي وقت.

4. يحب جاكسون تصميم نظام التسخين الشمسي لحمام السباحة ، وخاصة التصميم الذي يضمن أن الماء في الخزان ساخن ، مما يسمح له باستخدام المسبح في أي وقت.

ومع ذلك ، فإن جاكسون لديه بعض الشكوك حول هذا النظام:

s هل من المزعج زيادة تركيب المجمع؟ إذا كنت بحاجة إلى استخدام المزيد من الطاقة الشمسية في المستقبل ، هل يمكنك زيادة المجمع؟

نعم ، يمكنك إضافة مجمعات الطاقة الشمسية في المستقبل.

التثبيت ليس مزعجًا.بدون تغيير حالة المعدات الأخرى ، يمكنك تثبيت ما يصل إلى 12 مجموعة من مجمعات الطاقة الشمسية ذات 30 أنبوبًا.

hat ماذا يحدث عندما يصل هذا النظام إلى درجة الحرارة القصوى؟ هل تفشل المضخة والنظام؟
جهاز التحكم بالطاقة الشمسية لديه وظيفة حماية درجة الحرارة العالية. عندما تصل درجة حرارة خزان المياه إلى القيمة المحددة (الإعداد الافتراضي هو 60 ℃) ، تتوقف مضخة الدوران عن العمل على الفور ، ويتوقف المجمع الشمسي عن تسخين خزان المياه.

أخذ النظام هذا في الاعتبار أثناء تصميم المنتج واتخذ تدابير وقائية فعالة. يتوقف التبادل الحراري حتى إذا توقفت مضخة الدوران أو جهاز التحكم عن العمل. تجنب آثار الحرارة الزائدة وحماية المجمع الشمسي والنظام من التلف.

containsالمياه الموجودة في حوض السباحة تحتوي على مطهر ، هل تتسبب في تآكل المجمع؟

الجزء الداخلي من المبادل الحراري الأنبوبي قائم بذاته ، والماء الموجود في الأنبوب الدائري يتبادل الحرارة مع الماء في حمام السباحة ، ولا يحدث الخلط أبدًا.

في النهاية ، حل جاكسون الشكوك حول نظام التسخين الشمسي لحمام السباحة. كان راضيًا جدًا عن تصميم الحل وحل متطلباته بشكل أساسي.

[استنتاج]

نظام التسخين الشمسي هذا لحلول حمامات السباحة مناسب لمعظم حمامات السباحة المنزلية التي تتطلب استخدامًا عرضيًا لحمام السباحة ، ولكن لا يزال بحاجة إلى تصميمه وفقًا للحالة الفعلية. هناك العديد من عوامل التصميم لنظام التسخين الشمسي لمشروع حمامات السباحة ، والتوزيع الموسمي لأشعة الشمس غير متكافئ. يجب حساب تفاصيل منتج خطة التكوين المحددة وتقديمها وفقًا للحجم الفعلي لحمام السباحة لتجنب الهدر غير الضروري.


إذا كنت بحاجة إلى رؤية المزيد من حلول نظام تجمع التدفئة الشمسية ، يمكنك الرجوع إلى موقع الويب التالي:

https://www.1stsunflower.com/SFBP-Solar-Heating-For-Swimming-Pool-Spa-pd73435077.html


دخلت زهرة عباد الشمس الأولى مجال منتجات الطاقة الشمسية منذ عام 1998 بخبرة ومهارات عميقة في منتجات الطاقة الشمسية والمنتجات الخضراء ، مع القدرة على تصميم المنتجات الممتازة ، وتقديم الاستشارات للحلول وخدمات دعم الأعمال ، وهي ملتزمة بزيادة القيمة وتقليل التكاليف للعملاء. .

روابط سريعة

اتصل بنا

 :info@sunflower-solar.com / info@sunline.com.cn
 : + 0086-13775232023 / + 0086-13584366733
 : +8613584366733
 : cnsunline
 : رقم 1 ، الطريق هونغ كونغ ، niutang المنطقة الصناعية ،
تشانغتشو ، جيانغسو ، الصين
حقوق الطبع والنسخ ؛ 1ST SUNFLOWER ENERGY Co.، Ltd. كل الحق حلها.