ПОЛУЧИТЬ ПОСЛЕДНЮЮ ИНФОРМАЦИЮ

ОКАЗАНИЕ УСЛУГ

Солнечная система отопления для бассейна для домашнего дизайна

Просмотры:1     Автор:1stsunflower     Время публикации: 2019-11-28      Происхождение:Работает

Запрос цены

[Аннотация]

С развитием и популяризацией систем солнечной энергии все больше и больше людей используют солнечную энергию для обогрева системы бассейна. Использование солнечной энергии для обогрева бассейна может не только снизить энергетические затраты, но и сэкономить энергию и защитить окружающую среду.

Дизайн корпуса системы солнечного отопления для бассейна приведен для справки.

[Текст]

1. Основные требования:

Джексон родом из Калифорнии, США, в доме есть бассейн размером 16 футов * 40 футов, который требует использования бассейна в любое время. Бассейн должен быть оборудован системой бассейна с солнечным подогревом.

2. Дизайнерские идеи:

Джексон находится в Калифорнии, климат лучше.

ConfigurationВ соответствии с климатом и зоной бассейна в Калифорнии, комплект из 8 комплектов солнечного коллектора SFB305818.

UeВ связи с необходимостью использовать бассейн с непокрытой поверхностью, поэтому для хранения горячей воды предусмотрен резервуар на 1500 л.

Когда бассейн не достигает желаемой температуры, горячая вода из резервуара для воды может быть подана в бассейн для повышения температуры воды.

Configuration И настройка других аксессуаров.

3. Дизайн Особенности:

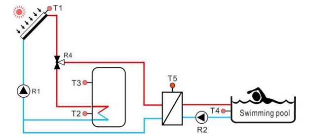
Солнечная система отопления для бассейна для домашнего дизайна

Это закрытая система циркуляции под давлением. Когда система работает, резервуар для воды с одной спиралью нагревается первым. Когда резервуар для воды достигает установленной температуры (например, 60 ° C), солнечный коллектор начинает нагревать бассейн через теплообменник.


Учитывая, что Джексон должен использовать бассейн в непривязанном состоянии, эта система может гарантировать, что вода в резервуаре для воды всегда горячая. Если вы хотите плавать, если солнечный коллектор не нагревает бассейн до идеальной температуры, он может подавать горячую воду из резервуара для воды в бассейн. Это может увеличить температуру воды в бассейне. Тем самым соблюдая требования пользования бассейном в любое время.

4. Джексону нравится дизайн этой солнечной системы отопления для бассейна, особенно дизайн, который гарантирует, что вода в баке горячая, что позволяет ему пользоваться бассейном в любое время.

Однако у Джексона есть некоторые сомнения по поводу этой системы:

TrouБесполезно увеличить установку коллектора? Если вам нужно больше солнечной энергии в будущем, вы можете увеличить коллектор?

Да, вы можете добавить солнечные коллекторы в будущем.

Установка не доставляет хлопот. Без изменения ситуации с другим оборудованием Вы можете установить до 30 комплектов солнечных коллекторов с 30 трубками.

HappensЧто происходит, когда эта система достигает максимальной температуры? Насос и система выходят из строя?
Солнечный контроллер имеет функцию защиты от высокой температуры. Когда температура водяного бака достигает установленного значения (значение по умолчанию составляет 60 ℃), циркуляционный насос немедленно прекращает работу, а солнечный коллектор прекращает нагревать водяной бак.

Система учла это при разработке продукта и приняла эффективные защитные меры. Теплообмен прекращается, даже если циркуляционный насос или контроллер перестает работать. Избегайте последствий перегрева и защищайте солнечный коллектор и систему от повреждений.

Water Вода в бассейне содержит дезинфицирующее средство, будет ли это разъедать коллектор?

Внутреннее пространство трубчатого теплообменника является автономным, и вода в циркуляционной трубе обменивается теплом с водой в бассейне, и смешивание никогда не происходит.

В конце концов, Джексон решил сомнения относительно этой солнечной системы отопления для бассейна. Он был очень доволен дизайном решения и принципиально решил свои требования.

[Вывод]

Эта система солнечного нагрева для бассейнов подходит для большинства домашних плавательных бассейнов, которые требуют периодического использования бассейна, но все же ее необходимо проектировать в соответствии с реальной ситуацией. Существует много конструктивных факторов для системы солнечного отопления для проекта бассейна, и сезонное распределение солнечного света неравномерно. Детали продукта плана конкретной конфигурации должны быть рассчитаны и предоставлены в соответствии с фактическим размером бассейна, чтобы избежать ненужных отходов.


Если вам нужно больше решений для систем солнечного нагрева бассейна, вы можете обратиться на следующий веб-сайт:

https://www.1stsunflower.com/SFBP-Solar-Heating-For-Swimming-Pool-Spa-pd73435077.html


1-й подсолнечник вступил в сферу солнечной энергетики с 1998 года с глубоким опытом и навыками в области солнечной энергии и экологически чистых продуктов, обладающих отличным дизайном продукции, консалтингом в области решений и поддержкой бизнеса, и стремится максимизировать стоимость и сократить расходы для клиентов ,

Быстрые ссылки

Связаться с нами

 :info@sunflower-solar.com / info@sunline.com.cn
 : + 0086-13775232023 / + 0086-13584366733
 : +8613584366733
 : cnsunline
 : NO.1, дорога Хунси, промышленный район Ниутанг,
Чанчжоу, Цзянсу, Китай
Авторское право и копия; 1ST SUNFLOWER ENERGY Co., Ltd. Все в порядке.