OBTENIR LES DERNIÈRES INFORMATIONS

UN SERVICE

Système de chauffage solaire pour piscine pour la conception de la maison

Nombre Parcourir:3     auteur:1er tournesol     publier Temps: 2019-11-28      origine:Propulsé

enquête

[Abstrait]

Avec le développement et la vulgarisation des systèmes d'énergie solaire, de plus en plus de personnes adoptent l'énergie solaire pour chauffer le système de piscine. L'utilisation de l'énergie solaire pour chauffer la piscine peut non seulement réduire les coûts énergétiques, mais également économiser de l'énergie et protéger l'environnement.

Le cas de conception du système de chauffage solaire pour piscine est pour référence.

[Texte]

1. Exigences de base:

Jackson est originaire de Californie des États-Unis, la maison dispose d'une piscine de 16 pieds * 40 pieds qui nécessite l'utilisation de la piscine à tout moment, la piscine doit être équipée d'un système de piscine chauffée par l'énergie solaire.

2. Idées de conception:

Jackson est situé en Californie, le climat est meilleur.

AsSur la base du climat et de la piscine en Californie, configuration 8 ensembles de capteur solaire SFB305818.

UeEn raison de la nécessité d'utiliser la piscine à partir d'une heure, la configuration d'un réservoir d'eau de 1500L est donc prévue pour stocker l'eau chaude.

Lorsque la piscine n'atteint pas la température souhaitée, l'eau chaude du réservoir d'eau peut être mise dans la piscine pour augmenter la température de l'eau.

NdEt configuration d'autres accessoires.

3.Caractéristiques de conception:

Système de chauffage solaire pour piscine pour la conception de la maison

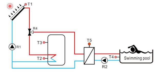
Il s'agit d'un système de circulation sous pression fermé. Lorsque le système fonctionne, le réservoir d'eau à simple serpentin est chauffé en premier. Lorsque le réservoir d'eau atteint une température définie (par exemple, 60 ° C), le capteur solaire commence à chauffer la piscine à travers l'échangeur de chaleur.


Étant donné que Jackson doit utiliser la piscine à des heures non chronométrées, ce système peut garantir que l'eau dans le réservoir d'eau est toujours chaude. Lorsque vous voulez nager, si le capteur solaire ne chauffe pas la piscine à la température idéale, il peut mettre l'eau chaude du réservoir d'eau dans la piscine. Cela peut augmenter la température de l'eau dans la piscine. Répondant ainsi aux exigences de l'utilisation de la piscine à tout moment.

4. Jackson aime la conception de ce système de chauffage solaire pour piscine, en particulier la conception qui garantit que l'eau dans le réservoir est chaude, lui permettant d'utiliser la piscine à tout moment.

Cependant, Jackson a des doutes sur ce système:

SEst-ce gênant d'augmenter l'installation du collecteur? Si vous avez besoin d'utiliser plus d'énergie solaire à l'avenir, pouvez-vous augmenter le capteur?

Oui, vous pouvez ajouter des capteurs solaires à l'avenir.

L'installation n'est pas gênante.Sans changer la situation des autres équipements, vous pouvez installer jusqu'à 12 ensembles de capteurs solaires à 30 tubes.

HatQue se passe-t-il lorsque ce système atteint la température maximale? La pompe et le système tombent-ils en panne?
Le régulateur solaire a une fonction de protection contre les hautes températures. Lorsque la température du réservoir d'eau atteint la valeur définie (le réglage par défaut est 60 ℃), la pompe de circulation cesse de fonctionner immédiatement et le capteur solaire arrête de chauffer le réservoir d'eau.

Le système en a tenu compte lors de la conception du produit et a pris des mesures de protection efficaces. L'échange de chaleur s'arrête même si la pompe de circulation ou le contrôleur cesse de fonctionner. Évitez les effets de la surchauffe et protégez le capteur solaire et le système contre les dommages.

③L'eau de la piscine contient du désinfectant, cela corrodera-t-il le collecteur?

L'intérieur de l'échangeur de chaleur tubulaire est autonome, et l'eau du tuyau de circulation échange de la chaleur avec l'eau de la piscine et le mélange ne se produit jamais.

Finalement, Jackson a résolu les doutes sur ce système de chauffage solaire pour piscine. Il était très satisfait de la conception de la solution et a fondamentalement résolu ses besoins.

[Conclusion]

Ce système de chauffage solaire pour solution de piscine convient à la plupart des piscines à domicile qui nécessitent une utilisation occasionnelle de la piscine, mais il doit toujours être conçu en fonction de la situation réelle. Il existe de nombreux facteurs de conception pour le système de chauffage solaire pour le projet de piscine, et la répartition saisonnière de la lumière solaire est inégale. Les détails du produit du plan de configuration spécifique doivent être calculés et fournis en fonction de la taille réelle de la piscine pour éviter les déchets inutiles.


Si vous avez besoin de voir plus de solutions de système de piscine de chauffage solaire, vous pouvez vous référer au site Web suivant:

https://www.1stsunflower.com/SFBP-Solar-Heating-For-Swimming-Pool-Spa-pd73435077.html


1er tournesol est entré dans le domaine des produits à énergie solaire depuis 1998 avec une expertise et des compétences approfondies dans les produits à énergie solaire et les produits verts, avec une capacité de conception de produits excellente, des services de conseil en solutions et de soutien aux entreprises, et s'est engagé à maximiser la valeur et à réduire les coûts pour les clients. .

Liens rapides

Contactez nous

 :info@sunflower-solar.com / info@sunline.com.cn
 : + 0086-13775232023 / + 0086-13584366733
 : +8613584366733
 : cnsunline
 : NO.1, hongxi road, district industriel de niutang,
Changzhou, Jiangsu, Chine
Copyright & copie; 1ER ÉNERGIE DE TOURNESOL Cie., Ltd. Très bien résolu.