ERHALTEN SIE DIE NEUESTEN INFORMATIONEN

BEDIENUNG

Solarheizung für Schwimmbad für Wohndesign

Anzahl Durchsuchen:1     Autor:1. Sonnenblume     veröffentlichen Zeit: 2019-11-28      Herkunft:Powered

erkundigen

[Abstrakt]

Mit der Entwicklung und Popularisierung von Solaranlagen nutzen immer mehr Menschen Sonnenenergie, um das Schwimmbadesystem zu heizen. Durch die Nutzung der Solarenergie zum Heizen des Schwimmbades können nicht nur die Energiekosten gesenkt, sondern auch Energie gespart und die Umwelt geschont werden.

Der Auslegungsfall der Solaranlage für Schwimmbäder dient als Referenz.

[Text]

1. Grundvoraussetzungen:

Jackson kommt aus Kalifornien in den USA. Zu Hause gibt es einen 16 Fuß * 40 Fuß großen Pool, der jederzeit benutzt werden muss. Der Pool muss mit einem solarbeheizten Poolsystem ausgestattet sein.

2. Designideen:

Jackson liegt in Kalifornien, das Klima ist besser.

①Basierend auf dem kalifornischen Klima- und Poolbereich, Konfiguration 8 Sätze SFB305818 Solarkollektor.

② Aufgrund der Anforderung, den Pool ohne Zeitangabe zu nutzen, ist ein 1500-l-Wassertank zur Speicherung von heißem Wasser vorgesehen.

Wenn das Schwimmbad die gewünschte Temperatur nicht erreicht, kann das heiße Wasser des Wassertanks in das Schwimmbad gegeben werden, um die Wassertemperatur zu erhöhen.

③Und Konfiguration anderer Zubehörteile.

3.Designfunktionen:

Solarheizung für Schwimmbad für Wohndesign

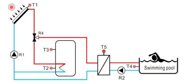
Dies ist ein geschlossenes Druckzirkulationssystem. Bei laufendem System wird zuerst der Single-Coil-Wassertank beheizt. Wenn der Wassertank eine festgelegte Temperatur erreicht (z. B. 60 ° C), beginnt der Solarkollektor, das Schwimmbad durch den Wärmetauscher zu heizen.


In Anbetracht der Tatsache, dass Jackson den Pool ohne Zeitangabe benutzen muss, kann dieses System sicherstellen, dass das Wasser im Wassertank immer heiß ist. Wenn Sie schwimmen möchten und der Sonnenkollektor den Pool nicht auf die ideale Temperatur erwärmt, kann er das heiße Wasser des Wassertanks in den Pool geben. Es kann die Wassertemperatur im Pool erhöhen. Dadurch werden die Anforderungen zur Nutzung des Schwimmbades jederzeit erfüllt.

4. Jackson mag das Design dieser Solarheizung für den Pool, insbesondere das Design, das sicherstellt, dass das Wasser im Tank heiß ist, sodass er den Pool jederzeit nutzen kann.

Jackson hat jedoch einige Zweifel an diesem System:

①Ist es mühsam, die Kollektorinstallation zu erhöhen? Wenn Sie in Zukunft mehr Sonnenenergie benötigen, können Sie den Kollektor erhöhen?

Ja, Sie können in Zukunft Solarkollektoren hinzufügen.

Die Installation ist nicht mühsam. Ohne Änderung der Situation anderer Geräte können Sie bis zu 12 Sätze 30-Röhren-Solarkollektoren installieren.

②Was passiert, wenn dieses System die maximale Temperatur erreicht? Fällt die Pumpe und das System aus?
Der Solarregler hat eine Hochtemperaturschutzfunktion. Wenn die Temperatur des Wassertanks den eingestellten Wert erreicht (die Standardeinstellung ist 60 ° C), funktioniert die Umwälzpumpe sofort nicht mehr und der Solarkollektor heizt den Wassertank nicht mehr auf.

Das System hat dies bei der Produktentwicklung berücksichtigt und wirksame Schutzmaßnahmen ergriffen. Der Wärmeaustausch stoppt auch dann, wenn die Umwälzpumpe oder der Regler nicht mehr funktioniert. Vermeiden Sie die Auswirkungen einer Überhitzung und schützen Sie den Solarkollektor und das System vor Beschädigungen.

③Das Wasser im Schwimmbad enthält Desinfektionsmittel. Korrodiert es den Sammler?

Das Innere des Rohrwärmetauschers ist in sich geschlossen, und das Wasser im Umlaufrohr tauscht Wärme mit dem Wasser im Schwimmbad aus, und es kommt nie zu einer Vermischung.

Am Ende löste Jackson die Zweifel an dieser Solaranlage für Schwimmbäder. Er war sehr zufrieden mit dem Design der Lösung und löste seine Anforderungen grundlegend.

[Fazit]

Dieses Solarheizsystem für die Schwimmbadlösung ist für die meisten Heimschwimmbäder geeignet, die eine gelegentliche Nutzung des Schwimmbades erfordern, muss jedoch entsprechend der tatsächlichen Situation ausgelegt werden. Es gibt viele Auslegungsfaktoren für das Solarheizsystem für das Schwimmbadprojekt, und die saisonale Verteilung des Sonnenlichts ist ungleichmäßig. Die Produktdetails des spezifischen Konfigurationsplans müssen entsprechend der tatsächlichen Größe des Schwimmbades berechnet und bereitgestellt werden, um unnötigen Abfall zu vermeiden.


Wenn Sie weitere Lösungen für Solarheizungspoolsysteme benötigen, besuchen Sie die folgende Website:

https://www.1stsunflower.com/SFBP-Solar-Heating-For-Swimming-Pool-Spa-pd73435077.html


1st sunflower ist seit 1998 auf dem Gebiet der Solarenergieprodukte mit tiefem Know-how und Know-how in Solarenergieprodukten und umweltfreundlichen Produkten, mit der Fähigkeit ausgezeichneter Produktdesigns, Lösungsberatung und Business-Support-Services tätig .

Quick Links

Kontaktiere uns

 :info@sunflower-solar.com / info@sunline.com.cn
 + 0086-13775232023 / + 0086-13584366733
 +8613584366733
 : cnsunline
 : No.1, hongxi road, niutang industrial district,
Changzhou, Jiangsu, China
Copyright & Kopie; 1. SONNENBLUMEN ENERGIE Co., Ltd. Alles klar gelöst.