OBTENGA LA ÚLTIMA INFORMACIÓN

SERVICIO

Sistema de calentamiento solar para piscinas para diseño de viviendas.

Vistas:16     Autor:1stunflower     Hora de publicación: 2019-11-28      Origen:Sitio

Preguntar

[Resumen]

Con el desarrollo y la popularización de los sistemas de energía solar, cada vez más personas adoptan la energía solar para calentar el sistema de piscinas. El uso de energía solar para calentar la piscina no solo puede reducir los costos de energía, sino también ahorrar energía y proteger el medio ambiente.

El caso de diseño del sistema de calefacción solar para piscinas es de referencia.

[Texto]

1. Requisitos básicos:

Jackson proviene de California, EE. UU., El hogar tiene una piscina de 16 pies * 40 pies que requiere el uso de la piscina en cualquier momento. La piscina debe estar equipada con un sistema de piscina climatizada con energía solar.

2. Ideas de diseño:

Jackson se encuentra en California, el clima es mejor.

Ased Basado en el clima y el área de la piscina de California, Configuración 8 juegos de colector solar SFB305818.

②Debido al requisito de usar la piscina sin tiempo, por lo que se proporciona un tanque de agua de 1500L para almacenar agua caliente.

Cuando la piscina no alcanza la temperatura deseada, el agua caliente del tanque de agua se puede poner en la piscina para aumentar la temperatura del agua.

③ Y configuración de otros accesorios.

3. Características de diseño:

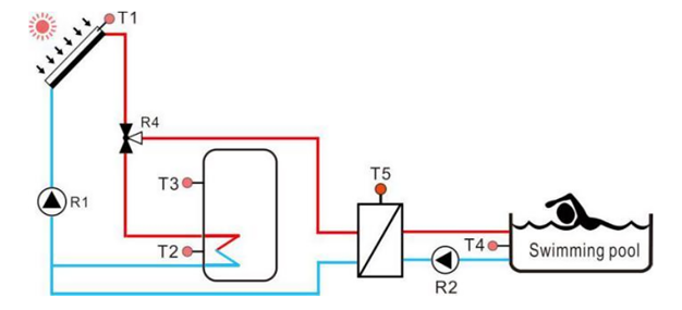
Sistema de calentamiento solar para piscinas para diseño de viviendas.

Este es un sistema cerrado de circulación presurizada. Cuando el sistema está funcionando, el tanque de agua de una sola bobina se calienta primero. Cuando el tanque de agua alcanza una temperatura establecida (por ejemplo, 60 ° C), el colector solar comienza a calentar la piscina a través del intercambiador de calor.


Teniendo en cuenta que Jackson necesita usar la piscina sin tiempo, este sistema puede garantizar que el agua en el tanque de agua siempre esté caliente. Cuando desee nadar, si el colector solar no calienta la piscina a la temperatura ideal, puede poner el agua caliente del tanque de agua en la piscina. Puede aumentar la temperatura del agua en la piscina. Cumpliendo así los requisitos de uso de la piscina en cualquier momento.

4. A Jackson le gusta el diseño de este sistema de calefacción solar para piscinas, especialmente el diseño que garantiza que el agua del tanque esté caliente, lo que le permite usar la piscina en cualquier momento.

Sin embargo, Jackson tiene algunas dudas sobre este sistema:

① ¿Es problemático aumentar la instalación del colector? Si necesita utilizar más energía solar en el futuro, ¿puede aumentar el colector?

Sí, puede agregar colectores solares en el futuro.

La instalación no es problemática. Sin cambiar la situación de otros equipos, puede instalar hasta 12 sets de colectores solares de 30 tubos.

¿Qué sucede cuando este sistema alcanza la temperatura máxima? ¿La bomba y el sistema fallan?
El controlador solar tiene una función de protección de alta temperatura. Cuando la temperatura del tanque de agua alcanza el valor establecido (la configuración predeterminada es 60 ℃), la bomba de circulación deja de funcionar inmediatamente y el colector solar deja de calentar el tanque de agua.

El sistema ha tenido esto en cuenta durante el diseño del producto y ha tomado medidas de protección efectivas. El intercambio de calor se detiene incluso si la bomba de circulación o el controlador dejan de funcionar. Evite los efectos del sobrecalentamiento y proteja el colector solar y el sistema contra daños.

③El agua de la piscina contiene desinfectante, ¿corroerá el colector?

El interior del intercambiador de calor tubular es autónomo, y el agua en la tubería de circulación intercambia calor con el agua de la piscina, y la mezcla nunca ocurre.

Al final, Jackson resolvió las dudas sobre este sistema de calefacción solar para piscinas. Estaba muy satisfecho con el diseño de la solución y resolvió fundamentalmente sus requisitos.

[Conclusión]

Este sistema de calefacción solar para solución de piscina es adecuado para la mayoría de las piscinas domésticas que requieren el uso ocasional de la piscina, pero aún debe diseñarse de acuerdo con la situación real. Hay muchos factores de diseño para el sistema de calefacción solar para proyectos de piscinas, y la distribución estacional de la luz solar es desigual. Los detalles específicos del producto del plan de configuración deben calcularse y proporcionarse de acuerdo con el tamaño real de la piscina para evitar desperdicios innecesarios.


Si necesita ver más soluciones de sistemas de calefacción solar para piscinas, puede consultar el siguiente sitio web:

https://www.1stsunflower.com/SFBP-Solar-Heating-For-Swimming-Pool-Spa-pd73435077.html


1st girasol ha entrado en el campo de los productos de energía solar desde 1998 con una amplia experiencia y conocimientos en productos de energía solar y productos ecológicos, con capacidad de excelente diseño de productos, consultoría de soluciones y servicios de apoyo empresarial, y se compromete a maximizar el valor y reducir los costos para los clientes .

enlaces rápidos

Contáctenos

 :info@sunflower-solar.com / info@sunline.com.cn
 : + 0086-13775232023 / + 0086-13584366733
 : +8613584366733
 : cnsunline
 : NO.1, camino de hongxi, distrito industrial de Niutang,
Changzhou, Jiangsu, China
Copyright y copia; 1ST SUNFLOWER ENERGY Co., Ltd. Todo bien resuelto.