الحصول على أحدث المعلومات

الخدمات

حالة نظام التسخين الشمسي لحمام السباحة

تصفح الكمية:2     الكاتب:1stsunflower     نشر الوقت: 2019-11-16      المنشأ:محرر الموقع

رسالتك

[ملخص]

الطاقة الشمسية ليست فقط موفرة للطاقة وصديقة للبيئة ، ولكنها أيضًا تقلل التكاليف إلى حد معين ، لذلك يختار المزيد والمزيد من الناس استخدام الطاقة الشمسية كطاقة تسخين. بالمقارنة مع مصادر الطاقة التقليدية مثل الغاز أو الغلايات ، فإن تشغيل الطاقة الشمسية أكثر أمانًا. ستقوم هذه المقالة من خلال الحل التصميمي لنظام التسخين الشمسي للمسبح المحلي للعميل الأمريكي جيمس ، للرجوع إليها.

[نص]

basic , الحالة الأساسية

يقع منزل جيمس في فلوريدا ، حيث تكون الشمس وفيرة ، مع صيف حار وشتاء دافئ. يبلغ طول المسبح الداخلي حوالي 10 أمتار (32 قدمًا) وعرضه 5 أمتار (16.5 قدمًا). يستخدم تسخين الغاز الآن. يخطط جيمس لاستخدام أنظمة التدفئة الشمسية كمصدر رئيسي للطاقة ، والغاز كمصدر طاقة مساعد لتقليل تكلفة حمامات السباحة.

design , خطوات التصميم

1 ، وفقا لحجم المسبح , حساب مساحة المجمع الشمسي.

2 ، حسب عدد أفراد الأسرة ، تحديد حجم خزان المياه.

3 ، التعاون مع النظام الأصلي.

4 ، موقع التثبيت من تجميع الطاقة الشمسية.

design , عملية التصميم

1 ، تبلغ مساحة حوض السباحة 10 م * 5 م (32 قدم * 16.5 قدم) ، إلى جانب بيانات الطقس في فلوريدا والكفاءة الحرارية لمجمعات الطاقة الشمسية ، وتتطلب 4 مجموعات من مجمعات الطاقة الشمسية SFB305818.

2 ، 5 أفراد من العائلة ، لكل منهم ماء ساخن من 40-60 لتر (10.6-15.9 جالون أمريكي) في اليوم ، يتم تكوينه بخزان مياه شمسي سعة 300 لتر (79.3 جالون أمريكي) للمياه الساخنة المنزلية. وإضافة 1 مجموعة SFB305818 جامع الشمسية.

3 ، سخان المياه الغاز كطاقة مساعدة ، وذلك باستخدام خزان المياه لفائف مزدوجة.

4 ، مخطط تشغيل النظام الكامل على النحو التالي:


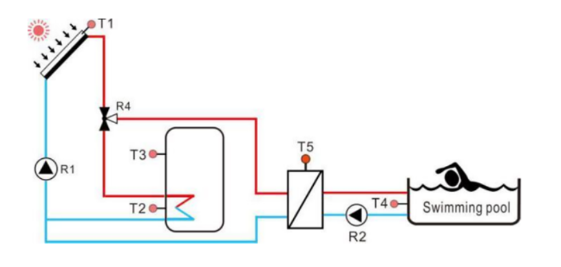
حالة نظام التسخين الشمسي لحمام السباحة


design design خصائص تصميم نظام التسخين الشمسي: تحكم ذكي

يقوم مجمع الطاقة الشمسية أولاً بتسخين خزان المياه ويبدأ في تسخين حمام السباحة عندما تصل درجة حرارة خزان المياه إلى قيمة محددة. إمدادات مياه ساخنة مضمونة للحياة الأسرية على مدار العام.


عندما تكون درجة حرارة المجمع الشمسي T1 ودرجة حرارة خزان الماء الساخن T2 أكبر من فرق درجة حرارة مجموعة التحكم (8K) ، يتم فتح مضخة التدوير الشمسي R1 تلقائيًا ، ويبدأ المجمع الشمسي في الدوران وتسخين خزان الماء. عندما يكون فرق درجة الحرارة بين T1 و T2 أقل من فرق درجة الحرارة المحدد (4K) ، تتوقف مضخة التدوير R1 عن العمل.


عندما تصل درجة حرارة الخزان إلى درجة الحرارة المحددة (على سبيل المثال 60 درجة مئوية ، 140 درجة فهرنهايت) ، يتحول الصمام R4 إلى المبادل الحراري ، بينما يبدأ R2 في العمل ، يبدأ المجمع الشمسي في تسخين المجمع. عندما يكون فرق درجة الحرارة بين درجة حرارة المجمع الشمسي T1 ودرجة حرارة حمام السباحة T4 أقل من فرق درجة الحرارة المحدد (4K) ، يتم إيقاف مضخات التدوير R1 و R2 في نفس الوقت ، ويتم تحويل R4 إلى خزان المياه.

[استنتاج]

يجب تصميم وتكوين نظام التسخين الشمسي لحلول حمامات السباحة وفقًا للحالة الفعلية ، وهو مناسب لتسخين حمامات السباحة والعائلات التي توفر الماء الساخن المنزلي. أكبر ميزة هي ضمان الاستخدام اليومي للمياه ، مع تلبية احتياجات تسخين المسبح.


في الوقت الحاضر ، تم تثبيت هذا النظام واستخدامه ، وهو مستقر ومتوافق تمامًا مع توقعات جيمس. إذا كنت مهتمًا ، يمكنك الاتصال بنا. يمكنك أيضًا العثور على المزيد من حلول الماء الساخن الشمسي هنا:

https://www.1stsunflower.com/Solar-Heating-Solutions-Projects-pl6142236.html

دخلت زهرة عباد الشمس الأولى مجال منتجات الطاقة الشمسية منذ عام 1998 بخبرة ومهارات عميقة في منتجات الطاقة الشمسية والمنتجات الخضراء ، مع القدرة على تصميم المنتجات الممتازة ، وتقديم الاستشارات للحلول وخدمات دعم الأعمال ، وهي ملتزمة بزيادة القيمة وتقليل التكاليف للعملاء. .

روابط سريعة

اتصل بنا

 :info@sunflower-solar.com / info@sunline.com.cn
 : + 0086-13775232023 / + 0086-13584366733
 : +8613584366733
 : cnsunline
 : رقم 1 ، الطريق هونغ كونغ ، niutang المنطقة الصناعية ،
تشانغتشو ، جيانغسو ، الصين
حقوق الطبع والنسخ ؛ 1ST SUNFLOWER ENERGY Co.، Ltd. كل الحق حلها.