OBTENIR LES DERNIÈRES INFORMATIONS

UN SERVICE

Le cas du système de chauffage solaire pour piscine

Nombre Parcourir:3     auteur:1er tournesol     publier Temps: 2019-11-16      origine:Propulsé

enquête

[Sommaire]

L'énergie solaire est non seulement économe en énergie et écologique, mais réduit également les coûts dans une certaine mesure, de sorte que de plus en plus de personnes choisissent d'utiliser l'énergie solaire comme énergie de chauffage. Par rapport aux sources d'énergie traditionnelles telles que le gaz ou les chaudières, le fonctionnement de l'énergie solaire est plus sûr. Cet article passera par la solution de conception du système de chauffage solaire pour la piscine domestique du client américain James, pour votre référence.

[Texte]

一 , La situation de base

La maison de James est située en Floride, où le soleil est abondant, avec des étés chauds et des hivers chauds. La piscine intérieure mesure environ 10 m (32 pieds) de long et 5 m (16,5 pieds) de large. Le chauffage au gaz est désormais utilisé. James prévoit d'utiliser les systèmes de chauffage solaire comme principale source d'énergie et le gaz comme source d'énergie auxiliaire pour réduire le coût des piscines.

二 , Les étapes de conception

1, en fonction de la taille de la piscine, calculez la surface du capteur solaire.

2, en fonction du nombre de membres de la famille, déterminez la taille du réservoir d'eau.

3, coopérez avec le système d'origine.

4, emplacement d'installation du capteur solaire.

三 , Le processus de conception

1, La piscine est de 10 m * 5 m (32 pieds * 16,5 pieds), combinée aux données météorologiques de la Floride et à l'efficacité thermique des capteurs solaires, nécessite 4 ensembles de capteurs solaires SFB305818.

2, 5 membres de la famille, chacun avec une eau chaude de 40-60L (10,6-15,9 gallons US) par jour, se configurent avec un réservoir d'eau solaire de 300L (79,3 Gallons US) pour l'eau chaude domestique. Et ajoutez 1 jeu de capteurs solaires SFB305818.

3, chauffe-eau à gaz comme énergie auxiliaire, en utilisant un réservoir d'eau à double serpentin.

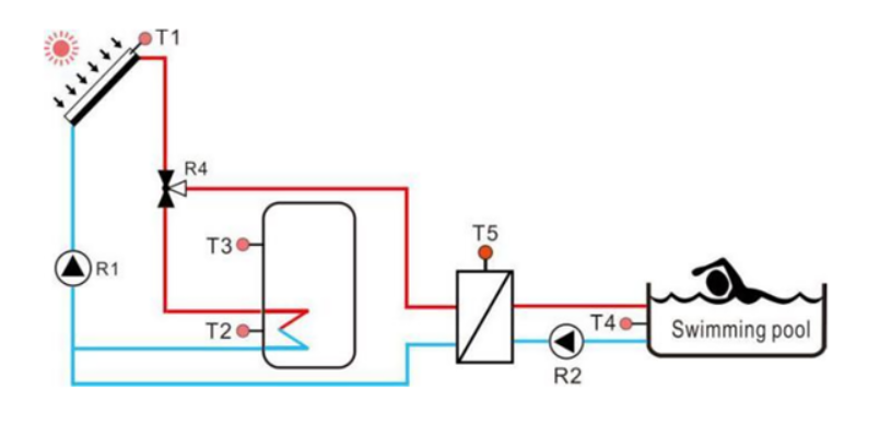
4, le schéma de fonctionnement complet du système est le suivant:


Le cas du système de chauffage solaire pour piscine


四 , Les caractéristiques de conception du système de chauffage solaire: contrôle intelligent

Le capteur solaire chauffe d'abord le réservoir d'eau et commence à chauffer la piscine lorsque la température du réservoir d'eau atteint une valeur définie. Alimentation en eau chaude garantie pour la vie de famille toute l'année.


Lorsque la température du capteur solaire T1 et la température du ballon d'eau chaude T2 sont supérieures à la différence de température définie par le régulateur (8K), la pompe de circulation solaire R1 est automatiquement ouverte et le capteur solaire commence à faire circuler et à chauffer le ballon d'eau. Lorsque la différence de température entre T1 et T2 est inférieure à la différence de température réglée (4K), la pompe de circulation R1 cesse de fonctionner.


Lorsque la température du réservoir atteint la température définie (par exemple 60 ° C, 140 ° F), la vanne R4 se tourne vers l'échangeur de chaleur, tandis que R2 commence à fonctionner, le capteur solaire commence à chauffer la piscine. Lorsque la différence de température entre la température du capteur solaire T1 et la température de la piscine T4 est inférieure à la différence de température définie (4K), les pompes de circulation R1 et R2 sont simultanément arrêtées et R4 est tourné vers le réservoir d'eau.

[Conclusion]

Ce système de chauffage solaire pour solution de piscine doit être conçu et configuré en fonction de la situation réelle, adapté au chauffage des piscines et des familles fournissant de l'eau chaude sanitaire. Le plus gros avantage est d'assurer l'utilisation quotidienne de l'eau, tout en répondant aux besoins de chauffage de la piscine.


À l'heure actuelle, ce système a été installé et utilisé, et il est stable et entièrement conforme aux attentes de James. Si vous êtes intéressé, vous pouvez nous contacter. Vous pouvez également trouver plus de solutions d'eau chaude solaire ici:

https://www.1stsunflower.com/Solar-Heating-Solutions-Projects-pl6142236.html

1er tournesol est entré dans le domaine des produits à énergie solaire depuis 1998 avec une expertise et des compétences approfondies dans les produits à énergie solaire et les produits verts, avec une capacité de conception de produits excellente, des services de conseil en solutions et de soutien aux entreprises, et s'est engagé à maximiser la valeur et à réduire les coûts pour les clients. .

Liens rapides

Contactez nous

 :info@sunflower-solar.com / info@sunline.com.cn
 : + 0086-13775232023 / + 0086-13584366733
 : +8613584366733
 : cnsunline
 : NO.1, hongxi road, district industriel de niutang,
Changzhou, Jiangsu, Chine
Copyright & copie; 1ER ÉNERGIE DE TOURNESOL Cie., Ltd. Très bien résolu.