GET THE LATEST INFORMATION

SERVICE

The case of solar heating system for swimming pool

Views: 12     Author: 1stsunflower     Publish Time: 2019-11-16      Origin: Site

Inquire

[Summary]

Solar energy is not only energy-saving and environmentally friendly, but also reduces costs to a certain extent, so more and more people choose to use solar energy as heating energy. Compared to traditional energy sources such as gas or boilers, solar energy operation is safer. This article will through the design solution of the solar heating system for the domestic swimming pool of the American customer James, for your reference.

[Text]

一,The basic situation

James's house is located in Florida, where the sun is abundant, with hot summers and warm winters. The indoor pool is about 10m (32 feet) long and 5m (16.5 feet) wide. Gas heating is now used. James plans to use solar heating systems as the main source of energy, and gas as an auxiliary energy source to reduce the cost of swimming pools.

 

二,The design steps

1, According to the size of the swimming pool,calculate the area of the solar collector.

2, According to the number of family members, determine the size of the water tank.

3, Cooperate with the original system.

4, Installation location of solar collector.

 

三,The design process

1, The swimming pool area is 10m * 5m (32 feet * 16.5 feet), combined with Florida weather data and the thermal efficiency of solar collectors, requires 4 sets of SFB305818 solar collectors.

2, 5 family members, each with a hot water of 40-60L (10.6-15.9 US gallons) per day, configure with a 300L (79.3 US gallons) solar water tank for domestic hot water. And add 1 set SFB305818 solar collector.

3, Gas water heater as an auxiliary energy, using a double coil water tank.

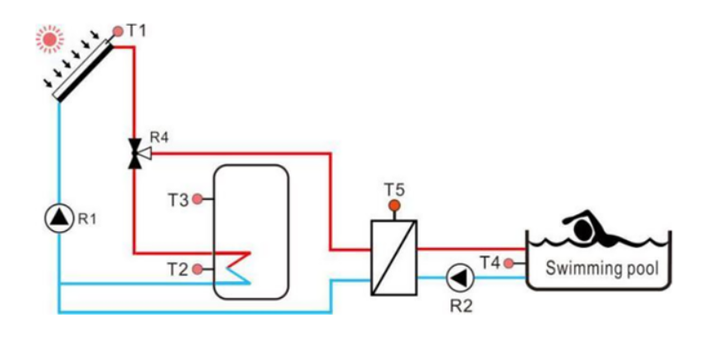
4, The complete system operation diagram is as follows:


The case of solar heating system for swimming pool


四,The design characteristics of solar heating system: intelligent control

The solar collector first heats the water tank and  begins to heat the swimming pool when the water tank temperature reaches a set value. Guaranteed hot water supply for family life throughout the year.


When the solar collector temperature T1 and the hot water tank temperature T2 are greater than the controller set temperature difference (8K), the solar circulation pump R1 is automatically opened, and the solar collector begins to circulate and heat the water tank. When the temperature difference between T1 and T2 is less than the set temperature difference (4K), the circulation pump R1 stops operating.


When the tank temperature reaches the set temperature (eg 60 ° C, 140 ° F), valve R4 turns to the heat exchanger, while R2 starts running, the solar collector begins to heat the pool. When the temperature difference between the solar collector temperature T1 and the swimming pool temperature T4 is less than the set temperature difference (4K), the circulation pumps R1 and R2 are simultaneously stopped, and R4 is turned to the water tank.

 [Conclusion]

This solar heating system for swimming pool solution needs to be designed and configured according to the actual situation, suitable for heating swimming pools and families providing domestic hot water. The biggest advantage is to ensure the daily use of water, while meeting the needs of heating the pool.


At present, this system has been installed and used, and it is stable and fully in line with James' expectations. If you are interested, you can contact us. You can also find more solar hot water solutions here:

https://www.1stsunflower.com/Solar-Heating-Solutions-Projects-pl6142236.html

Contact Us

Quick Links

Contact Us

Email : info@sunflower-solar.com 
Tel : +0086-13584366733
WhatsApp : +86 13584366733
Skype : cnsunline
Wechat : deoxudu
Add : No. 18, Xiangyun Road, Wujin Economic Development Zone, Changzhou,Jiangsu, China
 
Copyright © 1ST SUNFLOWER ENERGY Co.,Ltd. All right resolved.