OBTENGA LA ÚLTIMA INFORMACIÓN

SERVICIO

El caso del sistema de calentamiento solar para piscinas

Vistas:7     Autor:1stunflower     Hora de publicación: 2019-11-16      Origen:Sitio

Preguntar

[Resumen]

La energía solar no solo ahorra energía y es respetuosa con el medio ambiente, sino que también reduce los costos en cierta medida, por lo que cada vez más personas optan por utilizar la energía solar como energía de calefacción. En comparación con las fuentes de energía tradicionales como el gas o las calderas, la operación de energía solar es más segura. Este artículo, a través de la solución de diseño del sistema de calefacción solar para la piscina doméstica del cliente estadounidense James, para su referencia.

[Texto]

一 , La situación básica

La casa de James está ubicada en Florida, donde abunda el sol, con veranos calurosos e inviernos cálidos. La piscina cubierta mide aproximadamente 10 m (32 pies) de largo y 5 m (16,5 pies) de ancho. La calefacción de gas ahora se usa. James planea usar sistemas de calefacción solar como la principal fuente de energía, y el gas como fuente de energía auxiliar para reducir el costo de las piscinas.

二 , Los pasos de diseño

1, de acuerdo con el tamaño de la piscina, calcular el área del colector solar.

2, según el número de miembros de la familia, determine el tamaño del tanque de agua.

3, coopera con el sistema original.

4, ubicación de instalación del colector solar.

三 , El proceso de diseño

1, el área de la piscina es de 10m * 5m (32 pies * 16.5 pies), combinada con los datos climáticos de Florida y la eficiencia térmica de los colectores solares, requiere 4 juegos de colectores solares SFB305818.

2, 5 miembros de la familia, cada uno con un agua caliente de 40-60L (10.6-15.9 galones estadounidenses) por día, configuran con un tanque solar de agua solar de 300L (79.3 galones) para agua caliente sanitaria. Y agregue 1 juego de colector solar SFB305818.

3, calentador de agua a gas como energía auxiliar, utilizando un tanque de agua de doble bobina.

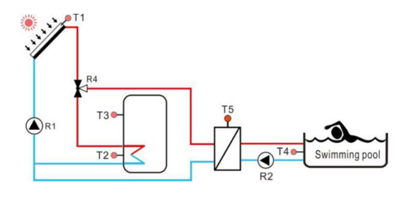
4, el diagrama de operación del sistema completo es el siguiente:


El caso del sistema de calentamiento solar para piscinas


四 , Las características de diseño del sistema de calefacción solar: control inteligente

El colector solar primero calienta el tanque de agua y comienza a calentar la piscina cuando la temperatura del tanque de agua alcanza un valor establecido. Suministro garantizado de agua caliente para la vida familiar durante todo el año.


Cuando la temperatura del colector solar T1 y la temperatura del tanque de agua caliente T2 son mayores que la diferencia de temperatura establecida por el controlador (8K), la bomba de circulación solar R1 se abre automáticamente y el colector solar comienza a circular y calentar el tanque de agua. Cuando la diferencia de temperatura entre T1 y T2 es menor que la diferencia de temperatura establecida (4K), la bomba de circulación R1 deja de funcionar.


Cuando la temperatura del tanque alcanza la temperatura establecida (por ejemplo, 60 ° C, 140 ° F), la válvula R4 gira hacia el intercambiador de calor, mientras que R2 comienza a funcionar, el colector solar comienza a calentar la piscina. Cuando la diferencia de temperatura entre la temperatura del colector solar T1 y la temperatura de la piscina T4 es menor que la diferencia de temperatura establecida (4K), las bombas de circulación R1 y R2 se detienen simultáneamente y R4 se gira hacia el tanque de agua.

[Conclusión]

Este sistema de calefacción solar para solución de piscinas debe diseñarse y configurarse de acuerdo con la situación real, adecuado para calentar piscinas y familias que proporcionan agua caliente sanitaria. La mayor ventaja es garantizar el uso diario del agua, mientras se satisfacen las necesidades de calentar la piscina.


En la actualidad, este sistema se ha instalado y utilizado, y es estable y está totalmente en línea con las expectativas de James. Si está interesado, puede contactarnos. También puede encontrar más soluciones solares de agua caliente aquí:

https://www.1stsunflower.com/Solar-Heating-Solutions-Projects-pl6142236.html

1st girasol ha entrado en el campo de los productos de energía solar desde 1998 con una amplia experiencia y conocimientos en productos de energía solar y productos ecológicos, con capacidad de excelente diseño de productos, consultoría de soluciones y servicios de apoyo empresarial, y se compromete a maximizar el valor y reducir los costos para los clientes .

enlaces rápidos

Contáctenos

 :info@sunflower-solar.com / info@sunline.com.cn
 : + 0086-13775232023 / + 0086-13584366733
 : +8613584366733
 : cnsunline
 : NO.1, camino de hongxi, distrito industrial de Niutang,
Changzhou, Jiangsu, China
Copyright y copia; 1ST SUNFLOWER ENERGY Co., Ltd. Todo bien resuelto.