ERHALTEN SIE DIE NEUESTEN INFORMATIONEN

BEDIENUNG

Der Fall einer Solaranlage für Schwimmbad

Anzahl Durchsuchen:6     Autor:1. Sonnenblume     veröffentlichen Zeit: 2019-11-16      Herkunft:Powered

erkundigen

[Zusammenfassung]

Solarenergie ist nicht nur energiesparend und umweltfreundlich, sondern senkt in gewissem Maße auch die Kosten, sodass immer mehr Menschen Solarenergie als Heizenergie nutzen. Im Vergleich zu herkömmlichen Energiequellen wie Gas oder Kesseln ist der Betrieb mit Solarenergie sicherer. Dieser Artikel wird durch die Entwurfslösung des Solarheizungssystems für das Haushaltsschwimmbad des amerikanischen Kunden James als Referenz dienen.

[Text]

一 , Die Grundsituation

James 'Haus befindet sich in Florida, wo die Sonne reichlich ist, mit heißen Sommern und warmen Wintern. Der Innenpool ist etwa 10 m lang und 5 m breit. Die Gasheizung wird jetzt verwendet. James plant, Solarheizsysteme als Hauptenergiequelle und Gas als Hilfsenergiequelle zu verwenden, um die Kosten für Schwimmbäder zu senken.

二 , Die Entwurfsschritte

1, Berechnen Sie entsprechend der Größe des Schwimmbades area die Fläche des Sonnenkollektors.

2, Bestimmen Sie entsprechend der Anzahl der Familienmitglieder die Größe des Wassertanks.

3, kooperieren mit dem ursprünglichen System.

4, Installationsort des Solarkollektors.

三 , Der Entwurfsprozess

1, Der Poolbereich ist 10 m * 5 m (32 Fuß * 16,5 Fuß), kombiniert mit Florida-Wetterdaten und dem thermischen Wirkungsgrad von Solarkollektoren, erfordert 4 Sätze SFB305818-Solarkollektoren.

2, 5 Familienmitglieder mit jeweils einem Warmwasser von 40-60 l (10,6-15,9 US-Gallonen) pro Tag konfigurieren mit einem 300 l-Solarwasserspeicher für Brauchwarmwasser. Und fügen Sie 1 Satz SFB305818 Solarkollektor hinzu.

3, Gaswarmwasserbereiter als Hilfsenergie unter Verwendung eines Doppelspulenwassertanks.

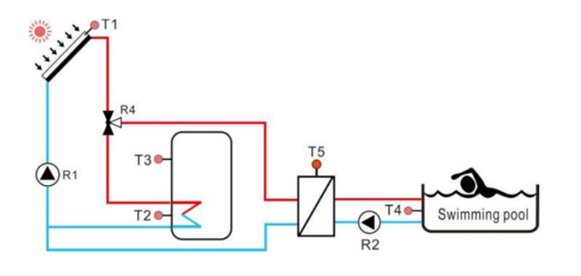
4, Das vollständige Systembetriebsdiagramm ist wie folgt:


Der Fall einer Solaranlage für Schwimmbad


四 , Die Konstruktionsmerkmale einer Solaranlage: intelligente Steuerung

Der Solarkollektor heizt zuerst den Wassertank und beginnt den Pool zu heizen, wenn die Wassertank-Temperatur einen festgelegten Wert erreicht. Garantierte Warmwasserversorgung für das Familienleben das ganze Jahr über.


Wenn die Solarkollektortemperatur T1 und die Warmwasserspeichertemperatur T2 größer als die eingestellte Temperaturdifferenz des Reglers (8 K) sind, wird die Solarkreislaufpumpe R1 automatisch geöffnet und der Solarkollektor beginnt zu zirkulieren und den Wassertank zu erwärmen. Wenn die Temperaturdifferenz zwischen T1 und T2 kleiner als die eingestellte Temperaturdifferenz (4K) ist, stoppt die Umwälzpumpe R1 den Betrieb.


Wenn die Tanktemperatur die eingestellte Temperatur erreicht (z. B. 60 ° C, 140 ° F), dreht sich das Ventil R4 zum Wärmetauscher, während R2 zu laufen beginnt, beginnt der Solarkollektor, den Pool zu heizen. Wenn die Temperaturdifferenz zwischen der Solarkollektortemperatur T1 und der Schwimmbadtemperatur T4 geringer als die eingestellte Temperaturdifferenz (4K) ist, werden die Umwälzpumpen R1 und R2 gleichzeitig gestoppt und R4 zum Wassertank gedreht.

[Fazit]

Dieses Solarheizsystem für Schwimmbadlösungen muss entsprechend der tatsächlichen Situation entworfen und konfiguriert werden und eignet sich zum Heizen von Schwimmbädern und Familien, die Warmwasser liefern. Der größte Vorteil besteht darin, den täglichen Wasserverbrauch sicherzustellen und gleichzeitig den Bedarf an Heizung des Pools zu decken.


Gegenwärtig wurde dieses System installiert und verwendet und es ist stabil und entspricht voll und ganz den Erwartungen von James. Wenn Sie interessiert sind, können Sie uns kontaktieren. Weitere solare Warmwasserlösungen finden Sie hier:

https://www.1stsunflower.com/Solar-Heating-Solutions-Projects-pl6142236.html

1st sunflower ist seit 1998 auf dem Gebiet der Solarenergieprodukte mit tiefem Know-how und Know-how in Solarenergieprodukten und umweltfreundlichen Produkten, mit der Fähigkeit ausgezeichneter Produktdesigns, Lösungsberatung und Business-Support-Services tätig .

Quick Links

Kontaktiere uns

 :info@sunflower-solar.com / info@sunline.com.cn
 + 0086-13775232023 / + 0086-13584366733
 +8613584366733
 : cnsunline
 : No.1, hongxi road, niutang industrial district,
Changzhou, Jiangsu, China
Copyright & Kopie; 1. SONNENBLUMEN ENERGIE Co., Ltd. Alles klar gelöst.