ПОЛУЧИТЬ ПОСЛЕДНЮЮ ИНФОРМАЦИЮ

ОКАЗАНИЕ УСЛУГ

Корпус солнечной системы отопления для бассейна

Просмотры:1     Автор:1stsunflower     Время публикации: 2019-11-16      Происхождение:Работает

Запрос цены

[Резюме]

Солнечная энергия не только энергосберегающая и экологически чистая, но и в определенной степени снижает затраты, поэтому все больше и больше людей предпочитают использовать солнечную энергию в качестве тепловой энергии. По сравнению с традиционными источниками энергии, такими как газ или котлы, использование солнечной энергии безопаснее. В этой статье мы расскажем о дизайнерском решении системы солнечного отопления для домашнего бассейна американского заказчика Джеймса.

[Текст]

一 , Основная ситуация

Дом Джеймса находится во Флориде, где солнце обильно, с жарким летом и теплой зимой. Крытый бассейн имеет длину около 10 м (32 фута) и ширину 5 м (16,5 фута). Газовое отопление сейчас используется. Джеймс планирует использовать солнечные системы отопления в качестве основного источника энергии, а газ - в качестве вспомогательного источника энергии, чтобы снизить стоимость плавательных бассейнов.

Steps , Этапы проектирования

1, в зависимости от размера бассейна , рассчитать площадь солнечного коллектора.

2, в зависимости от количества членов семьи, определить размер резервуара для воды.

3, сотрудничать с оригинальной системой.

4, Место установки солнечного коллектора.

, , Процесс проектирования

1. Площадь плавательного бассейна 10 м * 5 м (32 фута * 16,5 фута) в сочетании с данными о погоде во Флориде и тепловой эффективностью солнечных коллекторов требует 4 комплекта солнечных коллекторов SFB305818.

2, 5 членов семьи, каждый с горячей водой 40-60 л (10,6-15,9 галлона США) в день, комплектуют солнечный резервуар для воды на 300 л (79,3 галлона США) для горячей воды для бытового потребления. И добавить 1 комплект SFB305818 солнечного коллектора.

3, Газовый водонагреватель в качестве вспомогательной энергии, используя двойной водяной бак.

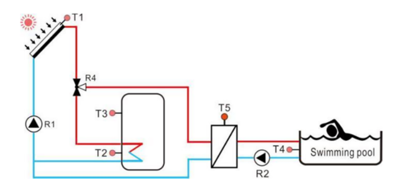
4, полная схема работы системы выглядит следующим образом:


Корпус солнечной системы отопления для бассейна


Characteristics , Конструктивные характеристики системы солнечного отопления: интеллектуальное управление

Солнечный коллектор сначала нагревает резервуар для воды и начинает нагревать бассейн, когда температура резервуара для воды достигает установленного значения. Гарантированное горячее водоснабжение для семейной жизни в течение всего года.


Когда температура T1 солнечного коллектора и температура T2 резервуара для горячей воды превышают установленную контроллером разницу температур (8K), циркуляционный насос R1 для солнечной энергии автоматически открывается, и солнечный коллектор начинает циркулировать и нагревать резервуар для воды. Когда разница температур между T1 и T2 меньше, чем установленная разница температур (4K), циркуляционный насос R1 прекращает работу.


Когда температура в баке достигает установленной температуры (например, 60 ° C, 140 ° F), клапан R4 поворачивается к теплообменнику, а R2 начинает работать, солнечный коллектор начинает нагревать бассейн. Когда разность температур между температурой T1 солнечного коллектора и температурой T4 плавательного бассейна меньше установленной разности температур (4K), циркуляционные насосы R1 и R2 одновременно останавливаются, и R4 поворачивается к резервуару для воды.

[Вывод]

Эта солнечная система отопления для бассейнов должна быть спроектирована и сконфигурирована в соответствии с реальной ситуацией, подходящей для отопления бассейнов и семей, обеспечивающих горячую воду для бытового потребления. Самым большим преимуществом является обеспечение ежедневного использования воды при одновременном удовлетворении потребностей в подогреве бассейна.


В настоящее время эта система установлена ​​и используется, и она стабильна и полностью соответствует ожиданиям Джеймса. Если вы заинтересованы, вы можете связаться с нами. Вы также можете найти более солнечные решения для горячей воды здесь:

https://www.1stsunflower.com/Solar-Heating-Solutions-Projects-pl6142236.html

1-й подсолнечник вступил в сферу солнечной энергетики с 1998 года с глубоким опытом и навыками в области солнечной энергии и экологически чистых продуктов, обладающих отличным дизайном продукции, консалтингом в области решений и поддержкой бизнеса, и стремится максимизировать стоимость и сократить расходы для клиентов ,

Быстрые ссылки

Связаться с нами

 :info@sunflower-solar.com / info@sunline.com.cn
 : + 0086-13775232023 / + 0086-13584366733
 : +8613584366733
 : cnsunline
 : NO.1, дорога Хунси, промышленный район Ниутанг,
Чанчжоу, Цзянсу, Китай
Авторское право и копия; 1ST SUNFLOWER ENERGY Co., Ltd. Все в порядке.