categoria de producto

loading

Compartir con:
sharethis sharing button

Controladores solares SR258 para calentador de agua solar presurizado dividido

El SR258 es un controlador utilizado en un sistema de calentador de agua solar a presión dividido.
  • SR258

  • Aplicable a SFBS / SFES / SFFS

  • Aplicable a SFBS / SFES / SFFS

  • Aplicable a SFBS / SFES / SFFS

  • Aplicable a SFBS / SFES / SFFS

  • Aplicable a SFBS / SFES / SFFS

Cantidad:

1. Descripción del producto

1.1 Resumen

  • SR258 se utiliza en un sistema de calentador de agua solar a presión dividido.

  • Controlado de forma inteligente por el último microcontrolador de alto rendimiento de NXP.

  • Todos los dispositivos utilizan estándares de grado industrial para operar en ambientes fríos, de alta temperatura y húmedos, mientras se usa un chip de reloj para un control preciso de la sincronización.

  • El controlador es de tipo LCD, con una apariencia hermosa, un rendimiento estable y confiable, fácil de instalar, como el producto accesorio más ideal para el calentador de agua solar de presión dividida.


Controladores solares SR258 para calentador de agua solar presurizado dividido-p1.1


1.2 Capacidad de aplicaciones

  • Número máximo de coleccionistas: 1

  • Número máximo de tanques de almacenamiento: 1

  • Número máximo de sensor de temperatura: 5

  • Número máximo de bomba de circulación o válvula: 3

  • Número máximo de caudalímetro electrónico: 1

  • Número máximo de relés electromagnéticos: 4

  • Número máx. De calefacción eléctrica auxiliar: 1


Controladores solares SR258 para calentador de agua solar presurizado dividido-p1.2


1.3 funciones principales

  • Pantalla LCD

  • CLK --- ajuste de tiempo

  • THET --- calefacción auxiliar temporizada

  • CIRC --- función de control de temperatura / tiempo de la bomba de circulación del lado del agua tres veces

  • CARGA --- ajuste de la calefacción del tanque de agua

  • COL --- función de colector

  • OCEM --- función de apagado de emergencia del colector de calor

  • OCCO --- refrigeración del colector

  • OCMI --- la temperatura más baja del colector

  • OCFR --- función anticongelante del colector de calor

  • BOMBA --- Modo de control de la bomba de agua (control de velocidad de la bomba de alta eficiencia)

  • COOL --- función de enfriamiento

  • OSTC --- enfriamiento del tanque de agua

  • OHDP --- transferencia de calor

  • MAN --- función manual

  • BLPR --- protección de bloqueo

  • OTDI --- función de esterilización de alta temperatura

  • FS --- Monitoreo de flujo y protección de la bomba al ralentí

  • UNIDAD --- Conversión de Celsius y Fahrenheit

  • BIP --- Función de alarma de fallo del zumbador

  • RET --- restablecer

  • PASO --- Configuración de contraseña

  • M.H --- calefacción manual

  • Función de vacaciones

  • Protección de pantalla

  • Protección de problemas

  • Comprobación de problemas


1.4 Alcance de la entrega

Controladores solares SR258 para calentador de agua solar presurizado dividido-p1.4


2. Parámetros técnicos

2.1 Parámetros técnicos

Controladores solares SR258 para calentador de agua solar presurizado dividido-p2.1


2.2 accesorios opcionales

2.2.1 Relé electromagnético: SR802, puede controlar el calentamiento eléctrico de ≤4000W.

drhgeheh


Unidad contactor de alta potencia: SR802


Cuando el usuario selecciona un calentador eléctrico como dispositivo de respaldo, recomendamos utilizar la unidad SR802 que conecta el controlador y el calentador eléctrico.

Datos técnicos de la dimensión SR802: 100 mm x 100 mm x 65 mm.

Fuente de alimentación: 180V ~ 264V / AC 50 / 60Hz.

Potencia adecuada: ≤ 4000W.

Temperatura ambiente disponible: -10 ~ 50 ° C Grado a prueba de agua: IP43.



Diagrama de conexión SR802:

Controladores solares SR258 para calentador de agua solar a presión dividido-p2.1.1-2


2.2.2 medidor de flujo digital FRT

Controladores solares SR258 para calentador de agua solar presurizado dividido-p2.2.2


3. Instalación del producto

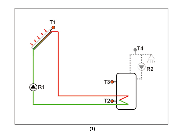
3.1 diagrama de instalación SR258

Controladores solares SR258 para calentador de agua solar presurizado dividido-p3.1-1


Controladores solares SR258 para calentador de agua solar presurizado dividido-p3.1-2


Controladores solares SR258 para calentador de agua solar presurizado dividido-p3.1-3


3.2 SR258 Descarga manual de instalación:

Manual de Operación del Controlador Inteligente SR258

Anterior: 
Siguiente: 

Noticias relacionadas

contenido está vacío!

1st girasol ha entrado en el campo de los productos de energía solar desde 1998 con una amplia experiencia y conocimientos en productos de energía solar y productos ecológicos, con capacidad de excelente diseño de productos, consultoría de soluciones y servicios de apoyo empresarial, y se compromete a maximizar el valor y reducir los costos para los clientes .

enlaces rápidos

Contáctenos

 :info@sunflower-solar.com / info@sunline.com.cn
 : + 0086-13775232023 / + 0086-13584366733
 : +8613584366733
 : cnsunline
 : NO.1, camino de hongxi, distrito industrial de Niutang,
Changzhou, Jiangsu, China
Copyright y copia; 1ST SUNFLOWER ENERGY Co., Ltd. Todo bien resuelto.