فئة المنتج

loading

حصة ل:
sharethis sharing button

SR258 وحدات تحكم الطاقة الشمسية لسخان المياه بالطاقة الشمسية المضغوط

SR258 هو جهاز تحكم يستخدم في نظام سخان الماء الشمسي المضغوط.
  • SR258

  • قابلة للتطبيق على SFBS / SFES / SFFS

  • قابلة للتطبيق على SFBS / SFES / SFFS

  • قابلة للتطبيق على SFBS / SFES / SFFS

  • قابلة للتطبيق على SFBS / SFES / SFFS

  • قابلة للتطبيق على SFBS / SFES / SFFS

الكمية:

1. وصف المنتج

1.1 نظرة عامة

  • يستخدم SR258 في نظام سخان الماء الشمسي المضغوط.

  • يتم التحكم فيها بذكاء بواسطة أحدث متحكم دقيق عالي الأداء من NXP.

  • تستخدم جميع الأجهزة معايير درجة صناعية للعمل في البيئات ذات درجات الحرارة العالية والرطوبة والباردة ، مع استخدام رقاقة الساعة للتحكم الدقيق في التوقيت.

  • وحدة التحكم هي نوع LCD ، مع مظهر جميل ، أداء مستقر وموثوق ، سهل التركيب ، كأفضل منتج ملحق لسخان المياه بالطاقة الشمسية.


SR258 وحدات تحكم الطاقة الشمسية لسخان مضغوط سخان المياه بالطاقة الشمسية ، P1.1


1.2 تطبيقات القدرات

  • الحد الأقصى لعدد الهواة: 1

  • Max.number من صهاريج التخزين: 1

  • Max.number من أجهزة استشعار درجة الحرارة: 5

  • Max.number من مضخة دوران أو صمام: 3

  • ماكس. عدد من مقياس الجريان الإلكتروني: 1

  • Max.number من المرحلات الكهرومغناطيسية: 4

  • الحد الأقصى لعدد التسخين الكهربائي الإضافي: 1


SR258 وحدات تحكم الطاقة الشمسية لسخان مضغوط سخان المياه بالطاقة الشمسية ، P1.2


1.3 الوظائف الرئيسية

  • عرض شاشات الكريستال السائل

  • CLK --- ضبط الوقت

  • THET --- التدفئة المساعدة في الوقت المحدد

  • CIRC --- دورة تعميم المياه من ثلاث مراحل درجة الحرارة / الوقت وظيفة التحكم

  • LOAD --- وضع تسخين خزان المياه

  • COL --- وظيفة جامع

  • OCEM --- وظيفة إغلاق الطوارئ جامع الحرارة

  • OCCO --- جامع التبريد

  • OCMI --- أدنى درجة حرارة جامع

  • OCFR --- وظيفة مضاد للتجميد بالحرارة

  • PUMP --- وضع التحكم في مضخة المياه (التحكم في سرعة المضخة بكفاءة عالية)

  • COOL --- وظيفة التبريد

  • OSTC --- خزان مياه التبريد

  • OHDP --- نقل الحرارة

  • مان --- وظيفة دليل

  • BLPR --- حجب الحماية

  • OTDI --- وظيفة تعقيم درجة حرارة عالية

  • FS --- مراقبة التدفق وحماية مضخة التسكع

  • وحدة --- تحويل مئوية وفهرنهايت

  • BEEP --- صفارة الإنذار وظيفة التنبيه

  • RET --- إعادة تعيين

  • PASS --- إعداد كلمة المرور

  • M.H --- التدفئة اليدوية

  • وظيفة العطلة

  • حماية شاشة

  • حماية المتاعب

  • مشكلة في التحقق


1.4 نطاق التسليم

SR258 وحدات تحكم الطاقة الشمسية لسخان المياه بالطاقة الشمسية سخان P1.4


2. المعايير الفنية

2.1 المعلمات التقنية

SR258 وحدات تحكم الطاقة الشمسية لسخان مضغوط سخان المياه بالطاقة الشمسية ، P22


2.2 الملحقات الاختيارية

2.2.1 المرحلات الكهرومغناطيسية: SR802 ، يمكن التحكم في التسخين الكهربائي لـ ≤4000W.

drhgeheh


وحدة التلامس ذات الطاقة العالية: SR802


عندما يختار المستخدم السخان الكهربائي كجهاز احتياطي ، فإننا نوصي باستخدام وحدة تحكم توصيل وحدة SR802 وسخان كهربائي.

البيانات الفنية لـ 802 SR: Dimension: 100mmx100mmx65mm.

امدادات الطاقة: 180V ~ 264V / AC 50 / 60HZ.

قوة مناسبة: ≤ 4000W.

درجة الحرارة المحيطة المتاحة: -10 ~ 50 درجة مئوية المياه برهان الصف: IP43.



مخطط اتصال SR802:

SR258 وحدات تحكم الطاقة الشمسية لسخان مضغوط سخان المياه بالطاقة الشمسية ، p2.1.1-2


2.2.2 مقياس التدفق الرقمي FRT

SR258 وحدات تحكم الطاقة الشمسية لسخان مضغوط سخان المياه بالطاقة الشمسية ، p2.2.2


3. تركيب المنتج

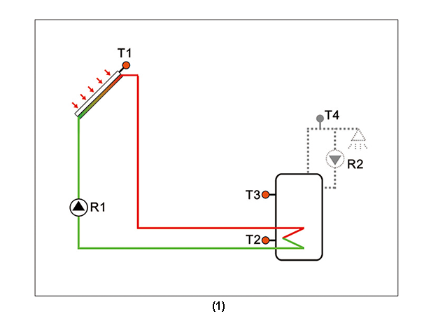
3.1 رسم تخطيطي 2525 ريال

SR258 وحدات تحكم الطاقة الشمسية لسخان مضغوط سخان المياه بالطاقة الشمسية ، p3.1-1


SR258 وحدات تحكم الطاقة الشمسية للسخان مضغوط سخان المياه بالطاقة الشمسية ، p3.1-2


SR258 وحدات تحكم الطاقة الشمسية للسخان مضغوط سخان المياه بالطاقة الشمسية ، p3.1-3


3.2 SR258 دليل التثبيت اليدوي:

دليل تشغيل جهاز التحكم الذكي SR258

على: 
تحت: 

أخبار ذات صلة

محتوى فارغ!

دخلت زهرة عباد الشمس الأولى مجال منتجات الطاقة الشمسية منذ عام 1998 بخبرة ومهارات عميقة في منتجات الطاقة الشمسية والمنتجات الخضراء ، مع القدرة على تصميم المنتجات الممتازة ، وتقديم الاستشارات للحلول وخدمات دعم الأعمال ، وهي ملتزمة بزيادة القيمة وتقليل التكاليف للعملاء. .

روابط سريعة

اتصل بنا

 :info@sunflower-solar.com / info@sunline.com.cn
 : + 0086-13775232023 / + 0086-13584366733
 : +8613584366733
 : cnsunline
 : رقم 1 ، الطريق هونغ كونغ ، niutang المنطقة الصناعية ،
تشانغتشو ، جيانغسو ، الصين
حقوق الطبع والنسخ ؛ 1ST SUNFLOWER ENERGY Co.، Ltd. كل الحق حلها.