Категория продукта

loading

Поделиться с:
sharethis sharing button

SR258 Солнечные контроллеры для Split Герметичный Солнечный водонагреватель

SR258 - это контроллер, используемый в солнечной водонагревательной системе с разделенным давлением.
  • SR258

  • Применимо к SFBS / SFES / SFFS

  • Применимо к SFBS / SFES / SFFS

  • Применимо к SFBS / SFES / SFFS

  • Применимо к SFBS / SFES / SFFS

  • Применимо к SFBS / SFES / SFFS

Количество:

1. Описание продукта

1.1 Обзор

  • SR258 используется в сплит-системе солнечного водонагревателя под давлением.

  • Интеллектуальное управление с помощью новейшего высокопроизводительного микроконтроллера от NXP.

  • Все устройства используют промышленные стандарты для работы в холодных, высокотемпературных и влажных средах, в то время как для точного контроля времени используется микросхема синхронизации.

  • Контроллер жидкокристаллического типа с красивым внешним видом, стабильной и надежной работой, простой в установке, как наиболее идеальный аксессуар для солнечного водонагревателя с раздельным давлением.


SR258 Солнечные контроллеры для Split Герметичный Солнечный водонагреватель-P1.1


1.2 Объем приложений

  • Максимальное количество коллекторов: 1

  • Максимальное количество резервуаров: 1

  • Макс.номер датчика температуры: 5

  • Максимальное количество циркуляционного насоса или клапана: 3

  • Макс.номер электронного расходомера: 1

  • Максимальное количество электромагнитных реле: 4

  • Макс.номер автономного электрического отопления: 1


SR258 Солнечные контроллеры для Split Герметичный Солнечный водонагреватель-P1.2


1.3 Основные функции

  • ЖК дисплей

  • CLK --- установка времени

  • THET --- Таймер автономного отопления

  • CIRC --- циркуляционный насос на стороне воды с функцией трехкратного контроля температуры / времени

  • НАГРУЗКА --- настройка нагрева бака для воды

  • COL --- коллекторная функция

  • OCEM --- функция аварийного отключения теплового коллектора

  • OCCO --- коллектор охлаждения

  • OCMI --- самая низкая температура коллектора

  • OCFR --- антифриз с коллектором

  • НАСОС --- Режим управления водяным насосом (высокоэффективное управление скоростью насоса)

  • COOL --- функция охлаждения

  • OSTC --- охлаждение водяного бака

  • OHDP --- теплопередача

  • MAN --- ручная функция

  • BLPR --- блокировка защиты

  • OTDI --- функция стерилизации при высокой температуре

  • FS --- Контроль расхода и защита насоса от холостого хода

  • ЕДИНИЦА --- Преобразование Цельсия и Фаренгейта

  • ЗВУК --- функция тревоги зуммера

  • RET --- сброса

  • PASS --- установка пароля

  • M.H --- ручное отопление

  • Праздничная функция

  • Защита экрана

  • Защита от проблем

  • Проверка неисправностей


1.4 Объем поставки

SR258 Солнечные контроллеры для Split Герметичный Солнечный водонагреватель-P1.4


2. Технические параметры

2.1 Технические параметры

SR258 Солнечные контроллеры для Split Герметичный Солнечный водонагреватель-P2.1


2.2 Дополнительные аксессуары

2.2.1 Электромагнитное реле: SR802, может управлять электрическим нагревом ≤4000 Вт.

drhgeheh


Контакторный блок высокой мощности: SR802


Когда пользователь выбирает электрический нагреватель в качестве резервного устройства, мы рекомендуем использовать блок SR802, соединяющий контроллер и электрический нагреватель.

Технические данные SR802 Размеры: 100ммx100ммx65мм.

Электропитание: 180 В ~ 264 В / AC 50/60 Гц.

Подходящая мощность: ≤ 4000 Вт.

Доступная температура окружающей среды: -10 ~ 50 ° C. Класс водонепроницаемости: IP43.



Схема подключения SR802:

SR258 Солнечные контроллеры для Split Герметичный Водонагреватель-p2.1.1-2


2.2.2 FRT цифровой расходомер

SR258 Солнечные контроллеры для Split Герметичный Солнечный водонагреватель-p2.2.2


3. Установка продукта

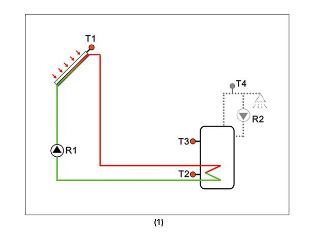
3.1 Схема установки SR258

SR258 Солнечные контроллеры для Split Герметичный Водонагреватель-p3.1-1


SR258 Солнечные контроллеры для Split Герметичный Водонагреватель-p3.1-2


SR258 Солнечные контроллеры для Split Герметичный Водонагреватель-p3.1-3


3.2 SR258 Руководство по установке скачать:

Руководство по эксплуатации интеллектуального контроллера SR258

предыдущий: 
следующий: 

Связанные новости

Содержание пуста!

1-й подсолнечник вступил в сферу солнечной энергетики с 1998 года с глубоким опытом и навыками в области солнечной энергии и экологически чистых продуктов, обладающих отличным дизайном продукции, консалтингом в области решений и поддержкой бизнеса, и стремится максимизировать стоимость и сократить расходы для клиентов ,

Быстрые ссылки

Связаться с нами

 :info@sunflower-solar.com / info@sunline.com.cn
 : + 0086-13775232023 / + 0086-13584366733
 : +8613584366733
 : cnsunline
 : NO.1, дорога Хунси, промышленный район Ниутанг,
Чанчжоу, Цзянсу, Китай
Авторское право и копия; 1ST SUNFLOWER ENERGY Co., Ltd. Все в порядке.