catégorie de produit

loading

Partager sur:
sharethis sharing button

Contrôleurs solaires SR258 pour chauffe-eau solaire sous pression divisée

Le SR258 est un contrôleur utilisé dans un système de chauffe-eau solaire sous pression divisé.
  • SR258

  • Applicable à SFBS / SFES / SFFS

  • Applicable à SFBS / SFES / SFFS

  • Applicable à SFBS / SFES / SFFS

  • Applicable à SFBS / SFES / SFFS

  • Applicable à SFBS / SFES / SFFS

Quantité:

1. Description du produit

1.1 Aperçu

  • Le SR258 est utilisé dans un système de chauffe-eau solaire sous pression divisé.

  • Contrôlé intelligemment par le dernier microcontrôleur hautes performances de NXP.

  • Tous les appareils utilisent des normes industrielles pour fonctionner dans des environnements froids, élevés en température et humides, tout en utilisant une puce d'horloge pour un contrôle de synchronisation précis.

  • Le contrôleur est de type LCD, au bel aspect, aux performances stables et fiables, facile à installer, en tant qu’accessoire idéal pour le chauffe-eau solaire à pression séparée.


Contrôleurs solaires SR258 pour chauffe-eau solaire sous pression divisée-p1.1


1.2 Capacité des applications

  • Nombre de collectionneurs: 1

  • Nombre maximal de réservoirs de stockage: 1

  • Nombre maximum de capteur de température: 5

  • Nombre max. De pompe ou vanne de circulation: 3

  • Nombre maximum de débitmètre électronique: 1

  • Nombre maximal de relais électromagnétiques: 4

  • Nombre maximum de chauffage électrique auxiliaire: 1


Contrôleurs solaires SR258 pour chauffe-eau solaire sous pression divisée-p1.2


1.3 Fonctions principales

  • Affichage LCD

  • CLK --- réglage de l'heure

  • THET --- Chauffage auxiliaire temporisé

  • CIRC --- fonction de régulation de la température / du temps à trois temps avec pompe de circulation côté eau

  • LOAD --- réglage du chauffage du réservoir d'eau

  • COL --- fonction collecteur

  • OCEM --- fonction d'arrêt d'urgence du collecteur de chaleur

  • OCCO --- refroidissement du collecteur

  • OCMI --- la température la plus basse du collecteur

  • OCFR --- fonction antigel de collecteur de chaleur

  • POMPE --- Mode de contrôle de pompe à eau (contrôle de vitesse de pompe à haute efficacité)

  • COOL --- fonction de refroidissement

  • OSTC --- refroidissement du réservoir d'eau

  • OHDP --- transfert de chaleur

  • MAN --- fonction manuelle

  • BLPR --- protection bloquante

  • OTDI --- fonction de stérilisation à haute température

  • FS --- Surveillance du débit et protection contre le ralenti de la pompe

  • UNITÉ --- Conversion de Celsius et Fahrenheit

  • BEEP --- Fonction d'alarme de buzzer

  • RET --- reset

  • PASS --- Paramétrage du mot de passe

  • M.H --- chauffage manuel

  • Fonction de vacances

  • Protection d'écran

  • Trouble Protection

  • Problème de vérification


1.4 Volume de livraison

Contrôleurs solaires SR258 pour chauffe-eau solaire sous pression divisée-p1.4


2. Paramètres techniques

2.1 Paramètres techniques

Contrôleurs solaires SR258 pour chauffe-eau solaire sous pression divisée-p2.1


2.2 Accessoires optionnels

2.2.1 Relais électromagnétique: SR802, peut contrôler le chauffage électrique de ≤4000W.

drhgeheh


Unité de contacteur de forte puissance: SR802


Lorsque l'utilisateur sélectionne un élément chauffant électrique en tant que dispositif de secours, nous recommandons d'utiliser l'unité de contrôle SR802 pour connecter le contrôleur et l'élément chauffant électrique.

Données techniques du SR802 Dimension: 100mmx100mmx65mm.

Alimentation: 180V ~ 264V / AC 50 / 60Hz.

Puissance appropriée: ≤ 4000W.

Température ambiante disponible: -10 ~ 50 ° C Catégorie d'étanchéité à l'eau: IP43.



Schéma de connexion du SR802:

Contrôleurs solaires SR258 pour chauffe-eau solaire sous pression divisée-p2.1.1-2


2.2.2 Débitmètre numérique FRT

Contrôleurs solaires SR258 pour chauffe-eau solaire sous pression divisée-p2.2.2


3. Installation du produit

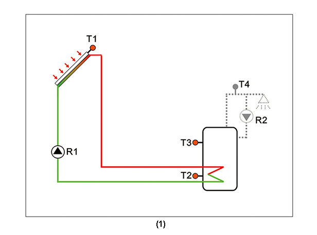
3.1 Schéma d'installation du SR258

Contrôleurs solaires SR258 pour chauffe-eau solaire sous pression divisée-p3.1-1


Contrôleurs solaires SR258 pour chauffe-eau solaire sous pression divisée-p3.1-2


Contrôleurs solaires SR258 pour chauffe-eau solaire sous pression divisée-p3.1-3


3.2 Téléchargement du manuel d'installation SR258:

Manuel d'utilisation du contrôleur intelligent SR258

sur: 
En vertu d'un: 

Nouvelles connexes

le contenu est vide!

1er tournesol est entré dans le domaine des produits à énergie solaire depuis 1998 avec une expertise et des compétences approfondies dans les produits à énergie solaire et les produits verts, avec une capacité de conception de produits excellente, des services de conseil en solutions et de soutien aux entreprises, et s'est engagé à maximiser la valeur et à réduire les coûts pour les clients. .

Liens rapides

Contactez nous

 :info@sunflower-solar.com / info@sunline.com.cn
 : + 0086-13775232023 / + 0086-13584366733
 : +8613584366733
 : cnsunline
 : NO.1, hongxi road, district industriel de niutang,
Changzhou, Jiangsu, Chine
Copyright & copie; 1ER ÉNERGIE DE TOURNESOL Cie., Ltd. Très bien résolu.