الحصول على أحدث المعلومات

الخدمات

حلول الطاقة الشمسية لبيوت الشركة العقارية

تصفح الكمية:0     الكاتب:1stsunflower     نشر الوقت: 2019-12-15      المنشأ:محرر الموقع

رسالتك

[نبذة مختصرة]

يعد استخدام الطاقة الشمسية لأعمالك طريقة فعالة من حيث التكلفة لتقليل فواتير الطاقة الشهرية أو إزالتها بشكل كبير. سواء كنت تستخدم الطاقة الشمسية لتوليد المياه الساخنة الشمسية الخاصة بك ، أو تستخدم التدفئة الشمسية أو التبريد ، أو تستخدم أنظمة الطاقة الشمسية الكهروضوئية لتوليد الكهرباء الخاصة بك ، فإن الطاقة الشمسية مثالية لأي عمل - بغض النظر عن الحجم. هنا نتحدث عن تسخين المياه بالطاقة الشمسية أولاً.

[نص]

خلفية المشروع

عميلنا ، الذي يقع في جنوب البرتغال ، هو منشئ منازل سكنية أو شقق أو فيلات. إنهم يبحثون عن شريك يقدم حلاً اقتصاديًا لتحقيق مشروع منازل مجهزة بسخان مياه شمسي.

طلب تصميم

أ) الماء الساخن المنزلي (+/- 80 لتر / يوم)

ب) التدفئة تحت الأرض (+/- 130 م²) متوفرة في يناير - فبراير - مارس - نوفمبر وديسمبر

ج) يتوفر حوض سفلي (48 م³ من الماء - 25 درجة مئوية) في مارس - أبريل - مايو - أكتوبر - نوفمبر.

أساس التصميم

يقع هذا المشروع في جنوب البرتغال. هنا نستخدم بيانات الأرصاد الجوية في لاغوس كأساس للتصميم.

حلول الطاقة الشمسية لبيوت الشركة العقارية -1

حلول الطاقة الشمسية لبيوت الشركة العقارية -2

يحتاج هذا النظام إلى توفير 80 لترًا من الماء الساخن للاستحمام طوال العام. في فصل الصيف ، تقوم مجمعات الطاقة الشمسية بتسخين المسابح وفي أشهر الشتاء ، تتحول مجمعات الطاقة الشمسية إلى أرضية ساخنة في المنزل.

وفقًا لأشعة الشمس في لاغوس ، سنقوم بتصميم نظام يحتوي على أربعة جامعات ذات 30 أنبوبًا وخزان مياه بسعة 300 لتر. مواصفات النظام أدناه.

قائمة المنتجات

لا.

اسم

نموذج

كمية

وحدة

1

جامع الطاقة الشمسية

SFB305818

4

مجموعات

2

خزان الضغط

SFO300CC

1

جلس

3

مراقب

658 ريال

1

جلس

4

تعميم مضخة

ويلو RS15 / 6

3

مجموعات

5

سفينة \ وعاء توسع

19L

1

الكمبيوتر

6

صمام الملف اللولبي ثلاثي الاتجاهات

DN20

1

الكمبيوتر

7

صمام تنفيس الهواء

R88

2

أجهزة الكمبيوتر

8

فحص الصمام

DN20

4

أجهزة الكمبيوتر

9

صمام الفلتر

DN20

5

أجهزة الكمبيوتر

10

صمام الكرة الساخنة

DN20

2

أجهزة الكمبيوتر

11

موصلات بين جامعي

DN22

3

أجهزة الكمبيوتر

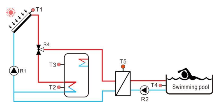
مخطط النظام

حلول الطاقة الشمسية لبيوت الشركة العقارية -3

ميزة التصميم

هذا هو نظام تحكم أوتوماتيكي ، في أي وقت خلال السنة ، تقوم مجمعات الطاقة الشمسية بتسخين الخزان بشكل تفضيلي. يمكننا ضبط درجة حرارة الماء القصوى للخزان إلى 60 درجة مئوية (يمكن ضبط درجة الحرارة بواسطة وحدة التحكم وفقًا لطلب العميل) هذه المياه الساخنة تلبي طلب أسرة واحدة

حلول الطاقة الشمسية لبيوت الشركة العقارية -4

خلال مارس - أبريل - مايو - أكتوبر - نوفمبر ، عندما تصل درجة حرارة خزان المياه على سبيل المثال إلى 60 درجة مئوية ، يتحول R4 تلقائيًا إلى تسخين المسبح.

حلول الطاقة الشمسية لبيوت الشركة العقارية 5

خلال يناير - فبراير - مارس - نوفمبر وديسمبر ، عندما تصل درجة حرارة خزان المياه على سبيل المثال إلى 60 درجة مئوية ، يتحول R4 تلقائيًا إلى الحرارة تحت الأرض.

حلول الطاقة الشمسية لبيوت الشركة العقارية -6

في حالة عدم وجود ضوء الشمس ، يمكن أيضًا استخدام الماء الساخن الزائد المخزن في الخزان لتسخين تحت الأرض عن طريق تشغيل R5

حلول الطاقة الشمسية لبيوت الشركة العقارية -7

يمكن تبديل وضع تسخين المسبح ووضع تسخين الأرضية عن طريق صمام كروي يدوي ثلاثي الاتجاهات ولا تحتاج إلا إلى تدوير 90 درجة عندما تحتاج إلى تشغيله كل عام.

هذا هو الحل الأفضل وكل جزء يبذل قصارى جهده للوصول إلى أفضل كفاءة على مدار العام.


الضمان والصيانة

العميل راضٍ جدًا عن تصميم النظام بأكمله. لأن النظام يلبي احتياجات العميل ، ويحل مخاوف العميل بأسعار معقولة.

ومع ذلك ، بصفته وكيل عقارات ، فهو مسؤول عن جميع المنازل التي يبيعها. لذلك ، فهو مهتم جدًا بضمان وصيانة سخانات المياه الشمسية بشكل روتيني.

ضمان

جامع الطاقة الشمسية: 5 سنوات ؛ دبابة: 3 سنوات ؛ قطع الغيار: 1 سنة

صيانة يومية

نظرًا لأن معظم المنازل التي يبيعها العملاء تقع في جنوب البرتغال ، حيث يوجد الكثير من أشعة الشمس والطقس الدافئ على مدار السنة ، فإن هواة الجمع هم الأنسب للعمل في مثل هذه المناخات وهم في الأساس بدون صيانة. الشيء الوحيد الذي يجب على المثبتات الانتباه إليه هو وضع مجمعات الطاقة الشمسية في مكان مفتوح في حالة حظرها بسبب عوائق أخرى ، مما يؤثر على كفاءة عملها.

[استنتاج]

فوائد تسخين المياه بالطاقة الشمسية عديدة وكبيرة. أولاً ، ستوفر المال على فاتورة الكهرباء. ثم هناك الانخفاض المقابل في التلوث. نظرًا لفوائد تسخين المياه بالطاقة الشمسية ، فإن إضافة وحدة إلى منزلك سيزيد أيضًا من قيمتها. لذلك يمكن أن ينتهي بك الأمر باستعادة أي أموال تضعها في نظام التدفئة الشمسية عند بيع منزلك.

دخلت زهرة عباد الشمس الأولى مجال منتجات الطاقة الشمسية منذ عام 1998 بخبرة ومهارات عميقة في منتجات الطاقة الشمسية والمنتجات الخضراء ، مع القدرة على تصميم المنتجات الممتازة ، وتقديم الاستشارات للحلول وخدمات دعم الأعمال ، وهي ملتزمة بزيادة القيمة وتقليل التكاليف للعملاء. .

روابط سريعة

اتصل بنا

 :info@sunflower-solar.com / info@sunline.com.cn
 : + 0086-13775232023 / + 0086-13584366733
 : +8613584366733
 : cnsunline
 : رقم 1 ، الطريق هونغ كونغ ، niutang المنطقة الصناعية ،
تشانغتشو ، جيانغسو ، الصين
حقوق الطبع والنسخ ؛ 1ST SUNFLOWER ENERGY Co.، Ltd. كل الحق حلها.