ERHALTEN SIE DIE NEUESTEN INFORMATIONEN

BEDIENUNG

Solarlösungen für Häuser von Immobilienunternehmen

Anzahl Durchsuchen:3     Autor:1. Sonnenblume     veröffentlichen Zeit: 2019-12-15      Herkunft:Powered

erkundigen

[Abstrakt]

Die Nutzung von Solarenergie für Ihr Unternehmen ist eine kostengünstige Möglichkeit, Ihre monatlichen Energiekosten drastisch zu senken oder zu eliminieren. Unabhängig davon, ob Sie Solarenergie zur Erzeugung Ihres eigenen Solarwarmwassers, zur Solarheizung oder -kühlung oder zur Verwendung von Solarphotovoltaikanlagen zur Erzeugung Ihres eigenen Stroms verwenden, ist Solarenergie ideal für jedes Unternehmen - unabhängig von der Größe. Hier geht es zunächst um solare Warmwasserbereitung.

[Text]

Hintergrund des Projekts

Unser Kunde im Süden Portugals ist ein Bauunternehmer von Wohnhäusern, Apartments oder Villen. Sie suchen einen Partner, der eine wirtschaftliche Lösung für die Realisierung eines Projekts von Häusern mit Solarwarmwasserbereiter bietet.

Designanfrage

a) Brauchwarmwasser (+/- 80 l / Tag)

b) Untergrundheizung (+/- 130 m²) verfügbar von Januar - Februar - März - November und Dezember

c) Kellerschwimmbad (48 m³ Wasser - 25 ° Celsius) verfügbar von März - April - Mai - Oktober - November.

Design-Grundlage

Dieses Projekt befindet sich im Süden von Portugal. Hier verwenden wir die meteorologischen Daten von Lagos als Entwurfsgrundlage.

Solarlösungen für Häuser von Immobilienunternehmen-1

Solarlösungen für Häuser von Immobilienunternehmen-2

Dieses System muss das ganze Jahr über 80 l heißes Wasser zum Duschen bereitstellen. Im Sommer heizen Solarkollektoren den Pool und in den Wintermonaten drehen sich Solarkollektoren, um den Boden im Haus zu heizen.

Laut Sonneneinstrahlung in Lagos werden wir ein System mit vier 30-Rohr-Kollektoren und einem 300-Liter-Wassertank entwerfen. Die Systemspezifikation ist unten.

Produktliste

Nein.

Name

Modell

Menge

Einheit

1

Solarkollektor

SFB305818

4

setzt

2

Drucktank

SFO300CC

1

einstellen

3

Regler

SR658

1

einstellen

4

Umwälzpumpe

Wilo RS15 / 6

3

setzt

5

Ausdehnungsgefäß

19L

1

pc

6

Dreiwege-Magnetventil

DN20

1

pc

7

Entlüftungsventil

R88

2

Stck

8

Rückschlagventil

DN20

4

Stck

9

Filterventil

DN20

5

Stck

10

Heißkugelhahn

DN20

2

Stck

11

Anschlüsse zwischen Kollektoren

DN22

3

Stck

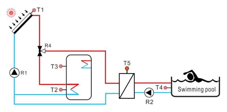
Systemdiagramm

Solarlösungen für Immobilienhäuser Company-3

Designmerkmal

Dies ist ein automatisches Steuersystem, bei dem zu jeder Zeit innerhalb des Jahres Solarkollektoren den Tank bevorzugt heizen. Wir können die maximale Wassertemperatur des Tanks auf 60 Grad Celsius einstellen (die Temperatur kann von der Steuerung auf Kundenwunsch eingestellt werden). Dieses Warmwasser entspricht dem Bedarf eines Haushalts

Solarlösungen für Häuser von Immobilienunternehmen-4

Im März - April - Mai - Oktober - November, wenn die Wassertank-Temperatur beispielsweise 60 ° C erreicht, schaltet R4 automatisch um, um den Pool zu heizen.

Solarlösungen für Häuser von Immobilienunternehmen-5

Im Januar - Februar - März - November und Dezember, wenn die Wassertank-Temperatur beispielsweise 60 ° C erreicht, schaltet R4 automatisch auf den unterirdischen Heizboden um.

Solarlösungen für Immobilienhäuser Company-6

Wenn kein Sonnenlicht vorhanden ist, kann überschüssiges heißes Wasser, das im Tank gespeichert ist, auch zum Heizen des Untergrunds verwendet werden, indem R5 eingeschaltet wird

Solarlösungen für Immobilienhäuser Company-7

Der Poolheizungsmodus und der Fußbodenheizungsmodus können über einen manuellen Dreiwegekugelhahn umgeschaltet werden. Sie müssen nur um 90 Grad drehen, wenn Sie ihn jedes Jahr einschalten müssen.

Dies ist die beste Lösung und jedes Teil tut sein Bestes, um das ganze Jahr über die beste Effizienz zu erzielen.


Garantie und Wartung

Der Kunde ist sehr zufrieden mit dem Design des gesamten Systems. Weil das System die Bedürfnisse des Kunden erfüllt und die Bedenken des Kunden mit angemessenen Preisen löst.

Als Immobilienmakler ist er jedoch für alle Häuser verantwortlich, die er verkauft. Daher ist er sehr an der Garantie und routinemäßigen Wartung von Solarwarmwasserbereitern interessiert.

Garantie

Solarkollektor: 5 Jahre; Tank: 3 Jahre; Ersatzteile: 1 Jahr

Tägliche Wartung

Da sich die meisten von Kunden verkauften Häuser in Südportugal befinden, wo das ganze Jahr über viel Sonnenschein und warmes Wetter herrschen, eignen sich Sammler am besten für Arbeiten in solchen Klimazonen und sind grundsätzlich wartungsfrei. Das einzige, worauf Installateure achten müssen, ist, Solarkollektoren an einem offenen Ort aufzustellen, falls sie durch andere Hindernisse blockiert werden, was sich auf die Arbeitseffizienz auswirkt.

[Fazit]

Die Vorteile der solaren Warmwasserbereitung sind zahlreich und beträchtlich. Zunächst sparen Sie Geld bei Ihrer Stromrechnung. Dann gibt es die entsprechende Verringerung der Verschmutzung. Aufgrund der Vorteile der solaren Warmwasserbereitung erhöht das Hinzufügen eines Geräts zu Ihrem Haus auch dessen Wert. Sie könnten also das Geld zurückbekommen, das Sie beim Verkauf Ihres Hauses in eine Solaranlage gesteckt haben.

1st sunflower ist seit 1998 auf dem Gebiet der Solarenergieprodukte mit tiefem Know-how und Know-how in Solarenergieprodukten und umweltfreundlichen Produkten, mit der Fähigkeit ausgezeichneter Produktdesigns, Lösungsberatung und Business-Support-Services tätig .

Quick Links

Kontaktiere uns

 :info@sunflower-solar.com / info@sunline.com.cn
 + 0086-13775232023 / + 0086-13584366733
 +8613584366733
 : cnsunline
 : No.1, hongxi road, niutang industrial district,
Changzhou, Jiangsu, China
Copyright & Kopie; 1. SONNENBLUMEN ENERGIE Co., Ltd. Alles klar gelöst.