ПОЛУЧИТЬ ПОСЛЕДНЮЮ ИНФОРМАЦИЮ

ОКАЗАНИЕ УСЛУГ

Солнечные Решения для Дома Недвижимости Компания

Просмотры:0     Автор:1stsunflower     Время публикации: 2019-12-15      Происхождение:Работает

Запрос цены

[Аннотация]

Использование солнечной энергии для вашего бизнеса является экономически эффективным способом значительного сокращения или устранения ваших ежемесячных счетов за электроэнергию. Используете ли вы солнечную энергию для производства собственной солнечной горячей воды, используете солнечное отопление или охлаждение или используете солнечные фотоэлектрические системы для выработки собственного электричества, солнечная энергия идеально подходит для любого бизнеса - независимо от размера. Здесь мы говорим в первую очередь о солнечном нагреве воды.

[Текст]

история проекта

Наш клиент, расположенный на юге Португалии, является застройщиком жилых домов, квартир или вилл. Они ищут партнера, который предлагает экономичное решение для реализации проекта домов, оборудованных солнечным водонагревателем.

Запрос дизайна

а) Бытовая горячая вода (+/- 80 л / сутки)

б) Подземное отопление (+/- 130 м²) доступно в январе - феврале - марте - ноябре и декабре

c) Подвальный бассейн (48 м³ воды - 25 ° по Цельсию), доступный в марте - апреле - мае - октябре - ноябре.

Основа дизайна

Этот проект расположен на юге Португалии. Здесь мы используем метеорологические данные Лагоса в качестве основы для проектирования.

Солнечные Решения для Дома Недвижимости Компания-1

Солнечные Решения для Дома Недвижимости Компания-2

Эта система должна обеспечивать 80 л горячей воды для душа в течение всего года. В летнее время солнечные коллекторы для обогрева бассейна, а в зимние месяцы солнечные коллекторы превращают в пол в доме.

В соответствии с солнечной инсоляцией в Лагосе мы собираемся разработать систему с четырьмя 30-трубными коллекторами и резервуаром для воды на 300 л. Спецификация системы ниже.

Список продуктов

Нет.

имя

модель

Количество

Единица измерения

1

Солнечный коллектор

SFB305818

4

наборы

2

Напорный бак

SFO300CC

1

набор

3

контроллер

SR658

1

набор

4

Циркуляционный насос

Wilo RS15 / 6

3

наборы

5

Расширительный бак

19L

1

ПК

6

трехходовой электромагнитный клапан

DN20

1

ПК

7

Вентиляционный клапан

R88

2

штук

8

Обратный клапан

DN20

4

штук

9

Фильтрующий клапан

DN20

5

штук

10

Горячий шаровой кран

DN20

2

штук

11

Разъемы между коллекторами

DN22

3

штук

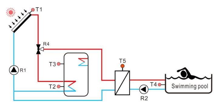
Системная диаграмма

Солнечные Решения для Дома Недвижимости Компания-3

Особенность дизайна

Это автоматическая система управления, в любое время года солнечные коллекторы преимущественно нагревают резервуар. Мы можем установить максимальную температуру воды в резервуаре до 60 градусов по Цельсию (температура может быть установлена ​​контроллером в соответствии с запросом клиента), эта горячая вода удовлетворяет потребности одной семьи

Солнечные Решения для Дома Недвижимости Компания-4

В течение марта - апреля - мая - октября - ноября, когда температура резервуара для воды достигает, например, 60 ° C. R4 автоматически переключается на нагрев бассейна.

Солнечные Решения для Дома Недвижимости Компания-5

В течение января - февраля - марта - ноября и декабря, когда температура водяного бака достигает, например, 60 ° C, R4 автоматически переключается на обогрев подземного пола.

Солнечные Решения для Дома Недвижимости Компания-6

Если солнечного света нет, избыточное количество горячей воды, хранящейся в резервуаре, также можно использовать для обогрева подземных помещений, включив R5.

Солнечные Решения для Дома Недвижимости Компания-7

Режим обогрева бассейна и режим подогрева пола можно переключать с помощью ручного трехходового шарового крана, и вам нужно поворачивать его только на 90 градусов, когда вам нужно включать его каждый год.

Это лучшее решение, и каждая часть делает все возможное для достижения максимальной эффективности в течение года.


Гарантия и обслуживание

Заказчик очень доволен дизайном всей системы. Потому что система отвечает потребностям клиента и решает проблемы клиента с разумными ценами.

Однако, как агент по недвижимости, он отвечает за все дома, которые он продает. Поэтому он очень заинтересован в гарантийном и текущем обслуживании солнечных водонагревателей.

Гарантия

Солнечный коллектор: 5 лет; Танк: 3 года; Запасные части: 1 год

Ежедневное обслуживание

Поскольку большинство домов, продаваемых клиентами, расположены на юге Португалии, где круглый год много солнечного света и теплой погоды, коллекционеры лучше всего подходят для работы в таких климатических условиях и в основном не требуют технического обслуживания. Единственное, на что нужно обратить внимание установщикам, - это поместить солнечные коллекторы в открытое место на случай, если они будут заблокированы другими препятствиями, влияющими на эффективность его работы.

[Вывод]

Преимущества солнечного нагрева воды многочисленны и значительны. Во-первых, вы собираетесь сэкономить на счетах за электричество. Затем происходит соответствующее снижение загрязнения. Из-за преимуществ солнечного нагрева воды, добавление единицы в ваш дом также увеличит его стоимость. Таким образом, вы можете получить обратно все деньги, которые вложите в систему солнечного отопления, когда будете продавать свой дом.

1-й подсолнечник вступил в сферу солнечной энергетики с 1998 года с глубоким опытом и навыками в области солнечной энергии и экологически чистых продуктов, обладающих отличным дизайном продукции, консалтингом в области решений и поддержкой бизнеса, и стремится максимизировать стоимость и сократить расходы для клиентов ,

Быстрые ссылки

Связаться с нами

 :info@sunflower-solar.com / info@sunline.com.cn
 : + 0086-13775232023 / + 0086-13584366733
 : +8613584366733
 : cnsunline
 : NO.1, дорога Хунси, промышленный район Ниутанг,
Чанчжоу, Цзянсу, Китай
Авторское право и копия; 1ST SUNFLOWER ENERGY Co., Ltd. Все в порядке.