GET THE LATEST INFORMATION

SERVICE

Solar Solutions for Houses of Real Estate Company

Views: 3     Author: 1stsunflower     Publish Time: 2019-12-15      Origin: Site

Inquire

[Abstract]

Using solar energy for your business is a cost-effective way to dramatically reduce or eliminate your monthly energy bills. Whether you use solar energy to generate your own solar hot water, use solar heating or cooling, or use solar photovoltaic systems to generate your own electricity, solar energy is ideal for any business - regardless of size. Here we talk about solar water heating firstly.

[Text]

Project Background

Our client, located in south of Portugal, is a builder of residential houses, apartments or villas. They are looking for a partner who offers an economical solution for the realization of a project of houses equipped with solar water heater.

Design Request

a) Domestic hot water (+/- 80lt / day)

b) Underground heating (+/- 130m²) available in January - February - March - November and December

c) Basement swimming pool (48m³ of water – 25°Celsius) available in March - April - May - October – November.

 

Design Basis

This project is located in south of Portugal. Here we use the meteorological data of Lagos as the design basis.

                                               

Solar Solutions for Houses of Real Estate Company-1

Solar Solutions for Houses of Real Estate Company-2

This system needs to provide 80L hot water for shower throughout the year. In summer time, solar collectors to heat pool and in winter months, solar collectors turn to heat floor in the house.

According to sun insolation in Lagos, we are going to design a system with four 30-tube collectors and a 300L water tank. System specification is below.

Product List

 

No.

Name

Model

Quantity

Unit

1

Solar   collector

SFB305818

4

sets

2

Pressure   tank

SFO300CC

1

set

3

Controller  

SR658

1

set

4

Circulating   pump

Wilo   RS15/6

3

sets  

5

Expansion   vessel

19L

1

pc

6

three-way   solenoid valve

DN20

1

pc

7

Air   vent valve

R88

2

pcs

8

Check   valve

DN20

4

pcs

9

Filter   valve

DN20

5

pcs

10

Hot   ball valve

DN20

2

pcs

11

Connectors   between collectors

DN22

3

pcs

 

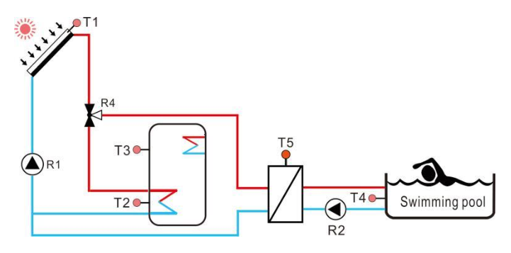
System Diagram

Solar Solutions for Houses of Real Estate Company-3

Design Feature

This is an automatic control system, at any time of within the year, solar collectors preferentially heat the tank. We can set the maximum water temperature of the tank to 60 degrees Celsius (temperature can be set by the controller according to customer request) these hot water meet demand of one household

Solar Solutions for Houses of Real Estate Company-4

 

During March - April - May - October - November, When the water tank temperature reaches for example 60 ° C. R4 automatically switches to heat the pool.

Solar Solutions for Houses of Real Estate Company-5

During January - February - March - November and December, When the water tank temperature reaches for example 60 ° C, R4 automatically switches to the heat underground floor.

 

Solar Solutions for Houses of Real Estate Company-6

If there is no sunlight, excess hot water stored in the tank also can be used to heat the underground by switching on R5

Solar Solutions for Houses of Real Estate Company-7

The pool heating mode and the floor heating mode can be switched via a manual three-way ball valve and you only need to turn 90 degrees when you need to switch it on every year.

This is the best solution and each part does their best to reach the best efficiency throughout the year.


Warranty and Maintenance

The customer is very satisfied with the design of the whole system. Because the system meets the customer's needs, and solves the customer's concerns with reasonable prices.

However, as a real estate agent, he is responsible for all the houses he sells. Therefore, he is very interested in the warranty and routine maintenance of solar water heaters.

Warranty

Solar collector: 5 years; Tank: 3 years; Spare parts: 1 year

Daily Maintenance

Since most of the houses sold by customers are located in southern Portugal, where there are plenty of sunshine and warm weather all year round, collectors are best suited to work in such climates and are basically maintenance-free. The only thing that installers need to pay attention to is to put solar collectors in an open place in case of being blocked by other obstacles, affecting its work efficiency.

[Conclusion]

The benefits of solar water heating are numerous and considerable. First, you're going to save money on your electric bill. Then there is the corresponding reduction in pollution. Because of the benefits of solar water heating, adding a unit to your home will also increase its value. So you could end up getting back whatever money you put into a solar heating system when you sell your house.

Contact Us

Quick Links

Contact Us

Email : info@sunflower-solar.com 
Tel : +0086-13584366733
WhatsApp : +86 13584366733
Skype : cnsunline
Wechat : deoxudu
Add : No. 18, Xiangyun Road, Wujin Economic Development Zone, Changzhou,Jiangsu, China
 
Copyright © 1ST SUNFLOWER ENERGY Co.,Ltd. All right resolved.