فئة المنتج

loading

حصة ل:
sharethis sharing button

محطة عمل ومحطات ضخ تعمل بالطاقة الشمسية SR961S / SR962S / SR962P

محطة عمل تعمل بالطاقة الشمسية لنظام تسخين الماء الشمسي المضغوط ، فهي تجمع بين التحكم في التدفق ، ودورة الحرارة ، والعادم ، والتحكم في الضغط ، وعرض درجة الحرارة ، وحقن / استنزاف النظام والمزيد. يتم تخزين الطاقة الشمسية في خزان المياه عن طريق توصيل مجمع الطاقة الشمسية و يمكن تقسيم درجة حرارة النظام والضغط والتدفق وما إلى ذلك في أي وقت.
  • SR961S / SR962S / SR962P

  • تنطبق على SFBS / SFFS

  • معدن ، دائرة متكاملة

  • تحكم في نظام التسخين الشمسي بذكاء

  • مناسبة لسخان ضغط المياه بالطاقة الشمسية

  • سنة واحدة

الكمية:

1. وصف المنتج

1.1 نظرة عامة

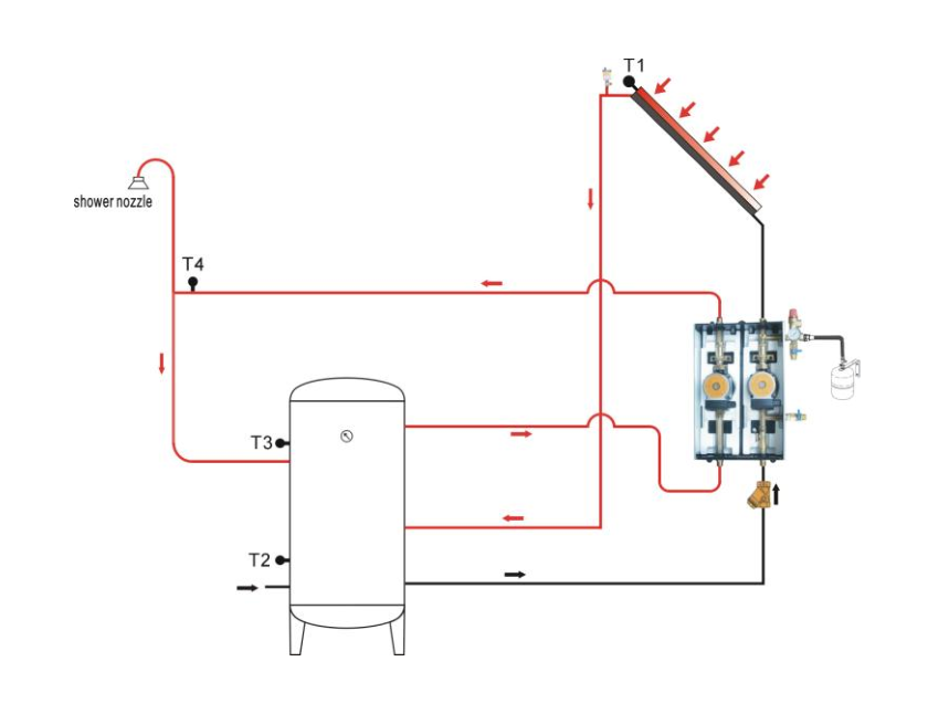
محطة العمل الشمسية لانقسام نظام تسخين المياه بالطاقة الشمسيةيمكن تحقيق التحكم في التدفق ، دورة الحرارة ، العادم ، التحكم في الضغط ، عرض درجة الحرارة ، إضافة سائل العمل أو تصريف المياه وما إلى ذلك. تعمل محطة العمل الشمسية لتخزين الماء الساخن في الخزان عن طريق توصيل المجمع الشمسي وخزان الماء المضغوط المقسم. درجة حرارة النظام ، الضغط ، التدفق الخ في أي وقت.


1.1.1 صورة المنتج

工作站 详情 页 1.1.1


1.1.2 معلمة مجموعات

محطة العمل الشمسية 1.1.2

1.2 الوظائف الرئيسية

1.2.1 دعم المضخة:

  • يمكن أن يدعم المضخة العادية.
  • يمكن أن تدعم مضخة عالية الكفاءة.

1.2.2 إعداد الساعة / الأسبوع

تشغيل الوظائف وإعداد المعلمات (درجة المستخدم)

  • THET التدفئة توقيت.

  • وظيفة دوران الماء CIRC DHW.

  • TCYC درجة الحرارة أو إعداد الوقت لمضخة DHW في ثلاثة أقسام زمنية.

1.2.3 تشغيل الوظائف وإعداد المعلمات (درجة مهندس)

  • DT فرق درجة الحرارة لمضخة الدائرة الشمسية.
  • EMOF درجة حرارة الإغلاق القصوى للمجمع (لوظيفة إغلاق الطوارئ للمجمع).
  • CMX أقصى درجة حرارة محدودة للمجمع (وظيفة تبريد المجمع).
  • CMN حماية درجة حرارة منخفضة من المجمع.
  • CFR الصقيع درجة حرارة حماية جامع.
  • SMX درجة الحرارة القصوى للخزان.
  • REC درجة حرارة إعادة التبريد للخزان.
  • C_F التبديل بين مئوية وفهرنهايت.

1.2.4 وظائف مساعدة FUN

1. وظيفة DVWG Anti Legionnaires
2. P1 مضخة P1 اختيار وضع التشغيل
3. nMIN تعديل سرعة المضخة (تحكم RPM)
4. DTS فرق درجة الحرارة القياسي للمضخة (لتعديل السرعة)
5. مكاسب RIS لمضخة الدوران (تعديل السرعة)
6. مضخة اختيار وضع التشغيل P2
7. اختيار نوع تدفق متر FTYP
8. OHQM قياس الطاقة الحرارية
9. معدل تدفق FMAX
10. MEDT نوع سائل نقل الحرارة
11. تركيز٪ MED لسائل نقل الحرارة
12. INV مضخة وظيفة الاستراحة
13. tSTP مضخة الفاصل الزمني للتشغيل
14. tRUN مضخة الفاصل الزمني للتشغيل
15. AHO / AHF وظيفة ترموستات آلي
16. التبريد وظيفة التبريد خزان
17. BYPR تجاوز وظيفة (درجة حرارة عالية)
18. HND التحكم اليدوي
19. تعيين كلمة المرور PASS
20. LOAD Recovery إلى مجموعة المصنع
21. \"ON / OFF \" زر تشغيل / إيقاف تحكم
22. وظيفة عطلة
23. تدفئة يدوية
24. التحكم يدويًا بمضخة DHW
25. وظيفة فحص درجة الحرارة
26. وظيفة الحماية
27. حماية الذاكرة
28. حماية الشاشة
29. حماية التشغيل الجاف للمضخة
30. اطلاق النار المتاعب
31. حماية المتاعب

32. التحقق من المتاعب


1.3 نطاق التسليم

محطة العمل الشمسية - 1.3


2. المعايير الفنية

2.1 المعايير الفنية

محطة العمل الشمسية - 2.1


2.2 الحجم

المنتج: 42 سم × 28 سم × 15.5 سم ، 11 كجم ؛

العبوة: 57 سم × 52 سم × 26 سم ، 12.5 كجم.


2.3الملحقات الاختيارية

2.3.1 التتابع الكهرومغناطيسي: SR802 ، يمكن التحكم في التدفئة الكهربائية of4000W.


محطة العمل الشمسية - 2.3.1


وحدة التلامس ذات القدرة العالية: SR802


عندما يختار المستخدم السخان الكهربائي كجهاز احتياطي ، نوصي باستخدام وحدة SR802 التي تربط وحدة التحكم والسخان الكهربائي.

البيانات الفنية للبعد SR802: 100 مم × 100 مم × 65 مم.

مصدر الطاقة: 180V ~ 264V / AC 50 / 60Hz.

قوة مناسبة: ≤ 4000W.

درجة الحرارة المحيطة المتاحة: -10 ~ 50 درجة مئوية درجة مقاومة الماء: IP43.


مخطط اتصال SR802:

محطة العمل الشمسية - 2.3.1-2


2.3.2 شاشة عرض سلكية عن بعد للكابل (SR805)

البعد: 130 * 10 * 20 مم ،
درجة الحرارة المحيطة المتاحة: -10 ° C ~ 50 ° C،
درجة مقاومة للماء: IP40 ،
تطبيق انظر دليل (5.2 اتصال طرفية) ،
التطبيق التشغيلي: توصيل شاشة العرض عن بعد بأسلاك الكبل.

工作站 详情 页 2.3.2


2.3.3 عرض لاسلكي عن بعد (SR805W)

البعد: 130 * 10 * 20 مم ،
درجة الحرارة المحيطة المتاحة: -10 ° C ~ 50 ° C،
درجة مقاومة للماء: IP40 ،
تطبيق انظر دليل (5.2 اتصال طرفية) ،
التطبيق التشغيلي: العرض اللاسلكي للاتصال عن بعد.

工作站 详情 页 2.3.3

3. تثبيت المنتج

3.1 SR961S / SR962S / SR962P مخططات التثبيت

工作站 详情 页 3.1-1

工作站 详情 页 3.1-2


工作站 详情 页 3.1-3


工作站 详情 页 3.1-4


3.2 SR961S / SR962S / SR962P رابط تنزيل دليل التثبيت:

SR961S.pdf

على: 
تحت: 

أخبار ذات صلة

محتوى فارغ!

دخلت زهرة عباد الشمس الأولى مجال منتجات الطاقة الشمسية منذ عام 1998 بخبرة ومهارات عميقة في منتجات الطاقة الشمسية والمنتجات الخضراء ، مع القدرة على تصميم المنتجات الممتازة ، وتقديم الاستشارات للحلول وخدمات دعم الأعمال ، وهي ملتزمة بزيادة القيمة وتقليل التكاليف للعملاء. .

روابط سريعة

اتصل بنا

 :info@sunflower-solar.com / info@sunline.com.cn
 : + 0086-13775232023 / + 0086-13584366733
 : +8613584366733
 : cnsunline
 : رقم 1 ، الطريق هونغ كونغ ، niutang المنطقة الصناعية ،
تشانغتشو ، جيانغسو ، الصين
حقوق الطبع والنسخ ؛ 1ST SUNFLOWER ENERGY Co.، Ltd. كل الحق حلها.