الحصول على أحدث المعلومات

الخدمات

كيفية اختيار حل حمامات السباحة التدفئة الشمسية؟

تصفح الكمية:5     الكاتب:1stsunflower     نشر الوقت: 2019-08-10      المنشأ:محرر الموقع

رسالتك

[نبذة مختصرة]

معظم الناس لديهم حمام سباحة في منازلهم ، وتحتاج الفنادق والشقق ومراكز اللياقة البدنية والمنتجعات الصحية والمصانع والمدارس والمستشفيات والأماكن العامة الأخرى إلى استخدام الكثير من الماء الساخن كل يوم وتمثل نفقات الطاقة جزءًا كبيرًا من التكلفة .


نظرًا لأن المزيد والمزيد من الأشخاص يبحثون عن حلول لأنظمة حمامات السباحة التي تعمل بالطاقة الشمسية ، فما هو بالضبط ما يناسب احتياجاتهم؟ كيفية اختيار حل حمامات السباحة التدفئة الشمسية؟


لمزيد من التفاصيل ، يرجى الرجوع إلى الموقع وتحليل النص:

https://www.1stsunflower.com/SFBP-Solar-Heating-For-Swimming-Pool-Spa-pd73435077.html


[الجسم الرئيسي]

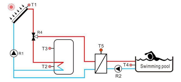
1. حل تجمع التدفئة الشمسية 1:


كيفية اختيار حل التسخين الشمسي للسباحة -1


متطلبات التصميم:

وقت استخدام حمام السباحة بعد الظهر والمساء


التكوين الرئيسي:

مجمعات الطاقة الشمسية والمبادلات الحرارية ومضخات الدوران والملحقات الأخرى. (مكون وفقًا للحجم الفعلي للمسبح)

يتم تشغيل هذا النظام بواسطة جامع شمسي يقوم بتسخين حمام السباحة مباشرة من خلال مبادل حراري.


مميزات:

وفر الطاقة ، ولبى احتياجات تدفئة حمامات السباحة ، وتبادل الحرارة من خلال المبادل الحراري ، وتسخين حمام السباحة مباشرة.


2. حل تجمع التدفئة الشمسية 2:


كيفية اختيار حل حمام السباحة التدفئة الشمسية -2


متطلبات التصميم:

استخدام غير محدود للسباحة


التكوين الرئيسي:

مجمعات الطاقة الشمسية ، وخزانات تخزين المياه الساخنة ، والمبادلات الحرارية ، ومضخات التدوير ، وغيرها من الملحقات. (مكون وفقًا للحجم الفعلي للمسبح)

عند تشغيل النظام ، يتم تسخين خزان المياه أحادي اللفة أولاً. عندما يصل خزان المياه إلى درجة حرارة محددة (على سبيل المثال ، 60 درجة مئوية) ، يبدأ المجمع الشمسي في تسخين حمام السباحة من خلال المبادل الحراري.


مميزات:

يمكن ضمان أن الماء الموجود في خزان المياه ساخن دائمًا. إذا كنت ترغب في السباحة ، إذا كان المجمع الشمسي لا يقوم بتسخين حمام السباحة إلى درجة الحرارة المطلوبة ، يمكنك وضع الماء الساخن في خزان المياه في حوض السباحة لزيادة درجة حرارة الماء في حوض السباحة. وبذلك تلبي متطلبات استخدام حمام السباحة في أي وقت.


3. حل تجمع التدفئة الشمسية 3:


كيفية اختيار حل حمام السباحة التدفئة الشمسية -3


متطلبات التصميم:

تسخين حمامات السباحة الشمسية وتوفير مياه ساخنة إضافية محلية


التكوين الرئيسي:

مجمعات الطاقة الشمسية ، وخزانات تخزين المياه الساخنة ، والمبادلات الحرارية ، ومضخات التدوير ، وغيرها من الملحقات. (مكون وفقًا للحجم الفعلي للمسبح)

عند تشغيل هذا المحلول ، يقوم أحد الملفات أولاً بتسخين خزان المياه. عندما يصل خزان المياه إلى درجة حرارة محددة (على سبيل المثال ، 60 درجة مئوية) ، يبدأ المجمع الشمسي في تسخين حمام السباحة من خلال المبادل الحراري. توفير الماء الساخن المنزلي من خلال ملف آخر.


مزايا:

يمكن أن يضمن أن الماء الموجود في خزان المياه ساخن دائمًا ، ويمكنه تلبية احتياجات المسبح في أي وقت ، ويمكن أن يرضي الحمام بعد السباحة ، ويمكن أن يوفر الماء الساخن مدى الحياة. معدل استخدام الطاقة الشمسية مرتفع نسبيا.

[استنتاج]

هناك العديد من عوامل التصميم لمشروع حمامات السباحة التي تعمل بالطاقة الشمسية ، بالإضافة إلى أن التوزيع الموسمي لأشعة الشمس غير متساوٍ (أشعة الشمس الجيدة في الصيف وارتفاع درجة حرارة المياه ، والشمس الضعيفة في الشتاء وانخفاض درجة حرارة المياه) ، وهذا لا يتطلب فقط حسابات دقيقة بناءً على الشروط المحددة للمشروع ، ولكن أيضًا التجربة الفعلية.


منطقة تصميم المجمع الشمسي كبيرة جدًا ، مما يؤدي إلى ارتفاع تكلفة الاستثمار وانخفاض الاستخدام الفعال للطاقة الشمسية.


منطقة تصميم المجمع الشمسي صغيرة جدًا ، مما سيجعل استهلاك الطاقة الاحتياطية كبيرًا ، بحيث لا يكون تأثير توفير الطاقة واضحًا.


لذلك ، من الضروري اختيار تجمع التدفئة الشمسية وفقًا لاحتياجات كل منزل ومكان. يجب حساب تفاصيل منتج خطة التكوين المحددة وتوفيرها وفقًا للحجم الفعلي للمسبح لتجنب الهدر غير الضروري.

دخلت زهرة عباد الشمس الأولى مجال منتجات الطاقة الشمسية منذ عام 1998 بخبرة ومهارات عميقة في منتجات الطاقة الشمسية والمنتجات الخضراء ، مع القدرة على تصميم المنتجات الممتازة ، وتقديم الاستشارات للحلول وخدمات دعم الأعمال ، وهي ملتزمة بزيادة القيمة وتقليل التكاليف للعملاء. .

روابط سريعة

اتصل بنا

 :info@sunflower-solar.com / info@sunline.com.cn
 : + 0086-13775232023 / + 0086-13584366733
 : +8613584366733
 : cnsunline
 : رقم 1 ، الطريق هونغ كونغ ، niutang المنطقة الصناعية ،
تشانغتشو ، جيانغسو ، الصين
حقوق الطبع والنسخ ؛ 1ST SUNFLOWER ENERGY Co.، Ltd. كل الحق حلها.