OBTENGA LA ÚLTIMA INFORMACIÓN

SERVICIO

¿Cómo elegir la solución de piscina de calefacción solar?

Vistas:0     Autor:1stunflower     Hora de publicación: 2019-08-10      Origen:Sitio

Preguntar

[Resumen]

La mayoría de las personas tienen una piscina en su hogar, y los hoteles, apartamentos, gimnasios, spas, fábricas, escuelas, hospitales y otros lugares públicos necesitan usar mucha agua caliente todos los días y los gastos de energía representan una gran parte del costo. .


A medida que más y más personas buscan soluciones para los sistemas de piscinas de calefacción solar, ¿qué es exactamente lo que necesita? ¿Cómo elegir una solución de piscina de calefacción solar?


Para más detalles, consulte el sitio web y el análisis de texto:

https://www.1stsunflower.com/SFBP-Solar-Heating-For-Swimming-Pool-Spa-pd73435077.html


[Cuerpo principal]

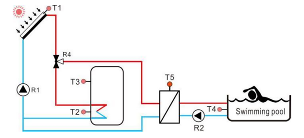
1. Solución de piscina de calefacción solar 1:


Cómo elegir la solución de piscina de calefacción solar-1


Requerimientos de diseño:

Tiempo de uso de la piscina en la tarde y noche.


Configuración principal:

Colectores solares, intercambiadores de calor, bombas de circulación y otros accesorios. (configurado de acuerdo con el tamaño real del grupo)

Este sistema es operado por un colector solar que calienta directamente la piscina a través de un intercambiador de calor.


Ventaja:

Ahorre energía, satisfaga las necesidades de calentar piscinas, intercambie calor a través del intercambiador de calor y caliente directamente la piscina.


2. Solución de piscina de calefacción solar 2:


Cómo elegir la solución de piscina de calefacción solar-2


Requerimientos de diseño:

Uso sin tiempo de la piscina


Configuración principal:

Colectores solares, tanques de almacenamiento de agua caliente, intercambiadores de calor, bombas de circulación y otros accesorios. (configurado de acuerdo con el tamaño real del grupo)

Cuando el sistema está funcionando, el tanque de agua de una sola bobina se calienta primero. Cuando el tanque de agua alcanza una temperatura establecida (por ejemplo, 60 ° C), el colector solar comienza a calentar la piscina a través del intercambiador de calor.


Ventaja:

Se puede garantizar que el agua en el tanque de agua siempre esté caliente. Si desea nadar, si el colector solar no calienta la piscina a la temperatura deseada, puede poner el agua caliente en el tanque de agua en la piscina para aumentar la temperatura del agua de la piscina. Cumpliendo así los requisitos de uso de la piscina en cualquier momento.


3. Solución de piscina de calefacción solar 3:


Cómo elegir la solución de piscina de calefacción solar-3


Requerimientos de diseño:

Piscina de calefacción solar y proporcionar agua caliente sanitaria adicional


Configuración principal:

Colectores solares, tanques de almacenamiento de agua caliente, intercambiadores de calor, bombas de circulación y otros accesorios. (configurado de acuerdo con el tamaño real del grupo)

Cuando esta solución está funcionando, una de las bobinas primero calienta el tanque de agua. Cuando el tanque de agua alcanza una temperatura establecida (por ejemplo, 60 ° C), el colector solar comienza a calentar la piscina a través del intercambiador de calor. Proporcione agua caliente sanitaria a través de otra bobina.


Ventajas:

Puede garantizar que el agua en el tanque de agua siempre esté caliente, puede satisfacer las necesidades de la piscina en cualquier momento y puede satisfacer el baño después de nadar, y puede proporcionar agua caliente para toda la vida. La tasa de utilización de la energía solar es relativamente alta.

[Conclusión]

Existen muchos factores de diseño para el proyecto de piscina climatizada con energía solar, además, la distribución estacional de la luz solar es desigual (buen sol de verano y alta temperatura del agua, débil sol de invierno y baja temperatura del agua). Esto requiere no solo cálculos precisos basados ​​en el condiciones específicas del proyecto, pero también experiencia real. Determine exhaustivamente la configuración del sistema de calefacción solar, especialmente el área del colector solar.


El área de diseño del colector solar es demasiado grande, lo que resulta en un alto costo de inversión y una baja utilización efectiva de la energía solar.


El área de diseño del colector solar es demasiado pequeña, lo que hará que el consumo de energía de respaldo sea grande, por lo que el efecto de ahorro de energía no es obvio.


Por lo tanto, es necesario seleccionar una piscina de calefacción solar de acuerdo con las necesidades de cada hogar y el lugar. Los detalles del producto del plan de configuración específico deben calcularse y proporcionarse de acuerdo con el tamaño real de la piscina para evitar desperdicios innecesarios.

1st girasol ha entrado en el campo de los productos de energía solar desde 1998 con una amplia experiencia y conocimientos en productos de energía solar y productos ecológicos, con capacidad de excelente diseño de productos, consultoría de soluciones y servicios de apoyo empresarial, y se compromete a maximizar el valor y reducir los costos para los clientes .

enlaces rápidos

Contáctenos

 :info@sunflower-solar.com / info@sunline.com.cn
 : + 0086-13775232023 / + 0086-13584366733
 : +8613584366733
 : cnsunline
 : NO.1, camino de hongxi, distrito industrial de Niutang,
Changzhou, Jiangsu, China
Copyright y copia; 1ST SUNFLOWER ENERGY Co., Ltd. Todo bien resuelto.