GET THE LATEST INFORMATION

SERVICE

How to choose solar heating swimming pool solution?

Views: 11     Author: 1stsunflower     Publish Time: 2019-08-10      Origin: Site

Inquire

[Abstract]

Most people have a swimming pool in their home,and hotels, apartments, fitness centers, spas, factories, schools, hospitals and other public places need to use a lot of hot water every day and energy expenditures account for a large part of the cost.


As more and more people look for solutions for solar heating swimming pool systems, what exactly is right for their needs? How to choose a solar heating swimming pool solution?


For details, please refer to the website and text analysis:

https://www.1stsunflower.com/SFBP-Solar-Heating-For-Swimming-Pool-Spa-pd73435077.html


[Main body]

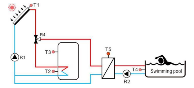
1. Solar heating pool solution 1:


How to choose solar heating swimming pool solution-1


Design requirements:

Swimming pool usage time in the afternoon and evening


Main configuration:

Solar collectors, heat exchangers, circulation pumps and other accessories. (configured according to the actual size of the pool)

This system is operated by a solar collector directly heating the swimming pool through a heat exchanger.


Advantage:

Save energy, meet the needs of heating swimming pools, exchange heat through the heat exchanger, and directly heat the swimming pool.


2. Solar heating pool solution  2:


How to choose solar heating swimming pool solution-2


Design requirements:

Untimed use the swimming pool


Main configuration:

Solar collectors, hot water storage tanks, heat exchangers, circulation pumps and other accessories. (configured according to the actual size of the pool) 

When the system is running, the single coil water tank is heated first. When the water tank reaches a set temperature (for example, 60 ° C), the solar collector starts to heat the swimming pool through the heat exchanger.


Advantage:

It can be guaranteed that the water in the water tank is always hot. If you want to swim, if the solar collector does not heat the swimming pool to the desired temperature, you can put the hot water in the water tank into the swimming pool to increase the water temperature of the swimming pool. Thereby meeting the requirements of using the swimming pool at any time.


3. Solar heating pool solution 3:


How to choose solar heating swimming pool solution-3


Design requirements:

Solar heating swimming pool and provide additional domestic hot water


Main configuration:

Solar collectors, hot water storage tanks, heat exchangers, circulation pumps and other accessories. (configured according to the actual size of the pool)

When this solution is running, one of the coils first heats the water tank. When the water tank reaches a set temperature (for example, 60 ° C), the solar collector starts to heat the swimming pool through the heat exchanger. Provide domestic hot water through another coil.


Advantages:

It can ensure that the water in the water tank is always hot, can meet the needs of swimming pool at any time, and can satisfy the bath after swimming, and can provide hot water for life. The utilization rate of solar energy is relatively high.

[Conclusion]

There are many design factors for the solar heated swimming pool project, in addition, the seasonal distribution of sunlight is uneven(Good summer sunshine and high water temperature, weak winter sunshine and low water temperature).This requires not only accurate calculations based on the specific conditions of the project, but also actual experience.Comprehensively determine the configuration of the solar heating system, especially the area of the solar collector.


The design area of the solar collector is too big, resulting in high investment cost and low effective utilization of solar energy.


The design area of the solar collector is too small, which will make the consumption of the backup energy large, so that the energy saving effect is not obvious.


Therefore, it is necessary to select a solar heating pool according to the needs of each home and the place. The specific configuration plan product details need to be calculated and provided according to the actual size of the pool to avoid unnecessary waste.

Contact Us

Quick Links

Contact Us

Email : info@sunflower-solar.com 
Tel : +0086-13584366733
WhatsApp : +86 13584366733
Skype : cnsunline
Wechat : deoxudu
Add : No. 18, Xiangyun Road, Wujin Economic Development Zone, Changzhou,Jiangsu, China
 
Copyright © 1ST SUNFLOWER ENERGY Co.,Ltd. All right resolved.