OBTENIR LES DERNIÈRES INFORMATIONS

UN SERVICE

Comment choisir la solution de piscine à chauffage solaire?

Nombre Parcourir:2     auteur:1er tournesol     publier Temps: 2019-08-10      origine:Propulsé

enquête

[Abstrait]

La plupart des gens ont une piscine à la maison, et les hôtels, appartements, centres de fitness, spas, usines, écoles, hôpitaux et autres lieux publics doivent utiliser beaucoup d'eau chaude chaque jour et les dépenses énergétiques représentent une grande partie du coût .


Alors que de plus en plus de personnes recherchent des solutions pour les systèmes de piscines à chauffage solaire, qu'est-ce qui convient exactement à leurs besoins? Comment choisir une solution de piscine à chauffage solaire?


Pour plus de détails, veuillez consulter le site Web et l'analyse de texte:

https://www.1stsunflower.com/SFBP-Solar-Heating-For-Swimming-Pool-Spa-pd73435077.html


[Corps principal]

1. Solution de piscine de chauffage solaire 1:


Comment choisir la solution de piscine de chauffage solaire-1


Exigences de conception:

Temps d'utilisation de la piscine l'après-midi et le soir


Configuration principale:

Capteurs solaires, échangeurs de chaleur, pompes de circulation et autres accessoires. (configuré en fonction de la taille réelle de la piscine)

Ce système est exploité par un capteur solaire chauffant directement la piscine à travers un échangeur de chaleur.


Avantage:

Économisez de l'énergie, répondez aux besoins de chauffage des piscines, échangez de la chaleur à travers l'échangeur de chaleur et chauffez directement la piscine.


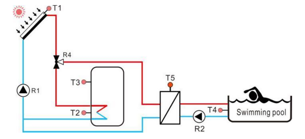
2. Solution de piscine de chauffage solaire 2:


Comment choisir la solution de piscine à chauffage solaire-2


Exigences de conception:

Utilisation intemporelle de la piscine


Configuration principale:

Capteurs solaires, réservoirs de stockage d'eau chaude, échangeurs de chaleur, pompes de circulation et autres accessoires. (configuré en fonction de la taille réelle de la piscine)

Lorsque le système fonctionne, le réservoir d'eau à simple serpentin est chauffé en premier. Lorsque le réservoir d'eau atteint une température définie (par exemple, 60 ° C), le capteur solaire commence à chauffer la piscine à travers l'échangeur de chaleur.


Avantage:

Il peut être garanti que l'eau dans le réservoir d'eau est toujours chaude. Si vous voulez nager, si le capteur solaire ne chauffe pas la piscine à la température souhaitée, vous pouvez mettre l'eau chaude dans le réservoir d'eau dans la piscine pour augmenter la température de l'eau de la piscine. Répondant ainsi aux exigences de l'utilisation de la piscine à tout moment.


3. Solution de piscine de chauffage solaire 3:


Comment choisir la solution de piscine à chauffage solaire-3


Exigences de conception:

Chauffage solaire piscine et apport d'eau chaude sanitaire supplémentaire


Configuration principale:

Capteurs solaires, réservoirs de stockage d'eau chaude, échangeurs de chaleur, pompes de circulation et autres accessoires. (configuré en fonction de la taille réelle de la piscine)

Lorsque cette solution est en marche, l'un des serpentins chauffe d'abord le réservoir d'eau. Lorsque le réservoir d'eau atteint une température définie (par exemple, 60 ° C), le capteur solaire commence à chauffer la piscine à travers l'échangeur de chaleur. Fournissez de l'eau chaude sanitaire via une autre batterie.


Avantages:

Il peut garantir que l'eau dans le réservoir d'eau est toujours chaude, peut répondre aux besoins de la piscine à tout moment, peut satisfaire le bain après la baignade et peut fournir de l'eau chaude à vie. Le taux d'utilisation de l'énergie solaire est relativement élevé.

[Conclusion]

Il existe de nombreux facteurs de conception pour le projet de piscine chauffée à l'énergie solaire, en outre, la répartition saisonnière de la lumière du soleil est inégale (bon ensoleillement d'été et température de l'eau élevée, faible soleil d'hiver et basse température de l'eau), ce qui nécessite non seulement des calculs précis basés sur la conditions spécifiques du projet, mais aussi expérience réelle. Déterminer de manière globale la configuration du système de chauffage solaire, en particulier la zone du capteur solaire.


La zone de conception du capteur solaire est trop grande, ce qui entraîne un coût d'investissement élevé et une faible utilisation efficace de l'énergie solaire.


La zone de conception du capteur solaire est trop petite, ce qui rendra la consommation d'énergie de secours importante, de sorte que l'effet d'économie d'énergie n'est pas évident.


Par conséquent, il est nécessaire de sélectionner une piscine de chauffage solaire en fonction des besoins de chaque maison et du lieu. Les détails spécifiques du produit du plan de configuration doivent être calculés et fournis en fonction de la taille réelle de la piscine pour éviter les déchets inutiles.

1er tournesol est entré dans le domaine des produits à énergie solaire depuis 1998 avec une expertise et des compétences approfondies dans les produits à énergie solaire et les produits verts, avec une capacité de conception de produits excellente, des services de conseil en solutions et de soutien aux entreprises, et s'est engagé à maximiser la valeur et à réduire les coûts pour les clients. .

Liens rapides

Contactez nous

 :info@sunflower-solar.com / info@sunline.com.cn
 : + 0086-13775232023 / + 0086-13584366733
 : +8613584366733
 : cnsunline
 : NO.1, hongxi road, district industriel de niutang,
Changzhou, Jiangsu, Chine
Copyright & copie; 1ER ÉNERGIE DE TOURNESOL Cie., Ltd. Très bien résolu.