الحصول على أحدث المعلومات

الخدمات

كيفية تصميم نظام التدفئة الشمسية لحمام السباحة الخاص بك

تصفح الكمية:29     الكاتب:1stsunflower     نشر الوقت: 2019-12-07      المنشأ:محرر الموقع

رسالتك

[ملخص]

اليوم ، المزيد والمزيد من الناس يختارون استخدام الطاقة الشمسية في حياتهم. بالإضافة إلى توفير أبسط المياه المنزلية ، آمل أيضًا استخدام حمام السباحة في منزلي. من خلال نظام التسخين الشمسي ، مع حماية المياه المنزلية للعائلة ، يمكنه أيضًا تسخين المسبح وإطالة وقت استخدام المسبح. تعتمد هذه المقالة مخطط التصميم لنظام حمامات السباحة للتسخين الشمسي للرجوع إليها.

[نص]

basic , الحالة الأساسية

يخطط غاري من دبي لتثبيت نظام التدفئة الشمسية في مسبح طويل الاستخدام في منزله. على الرغم من أن الطقس المحلي حار ، إلا أن المسبح يحتاج دائمًا إلى الوصول إلى درجة حرارة مناسبة لجسم الإنسان قبل استخدامه. حمام السباحة الخاص به هو 5 م * 12 م ، ولا يوجد متطلبات محددة في وقت الاستخدام. لكن هناك ستة أشخاص في منزل غاري ، يأملون في تزويد عائلته بما يكفي من الماء الساخن أثناء تسخين المسبح.

二 , كيفية تصميم حل متكامل لحمامات السباحة بالمنزل؟

1. مع بيانات الأرصاد الجوية في دبي كأساس للتصميم:

كيفية تصميم نظام التدفئة بالطاقة الشمسية لحمام السباحة الخاص بك

المناخ حار ومشمس في دبي. منطقة تجمع غاري 5 م * 12 م. وفقًا لبيانات الطقس في دبي والكفاءة الحرارية لمجمع الطاقة الشمسية ، يلزم وجود 4 مجموعات من مجمعات الطاقة الشمسية لأنابيب الحرارة SFB305818.

بالإضافة إلى تسخين المسبح ، ضع في اعتبارك حاجة غاري وعائلته لاستخدام الماء الساخن على مدار العام. وفقًا للمتطلبات اليومية لكل من الماء الساخن 60 لترًا و 60 درجة مئوية لكل شخص ، قمنا بتصميم مجموعة من حمامات السباحة الحرارية الشمسية المنزلية بسعة 300 لتر وحل المياه المنزلية لغاري.

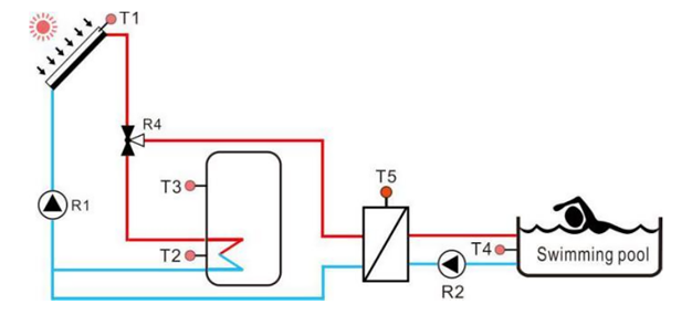
2. مخطط تشغيل النظام كما يلي:

كيفية تصميم نظام التدفئة بالطاقة الشمسية لحمام السباحة الخاص بك

هذا هو نظام التسخين الشمسي من نوع الضغط ، والذي لا يقتصر على ارتفاع التركيب. سواء تم تركيبه عاليًا أو منخفضًا ، سيجلب غاري وعائلته الماء الساخن والمريح. في أي وقت ، يفضل تسخين المجمع الشمسي لخزان المياه من خلال الملف الموجود في الجزء السفلي من خزان المياه. عندما يصل خزان المياه إلى درجة الحرارة المحددة (مثل 60 درجة مئوية) ، تتحول المضخة الدائرية R4 إلى المبادل الحراري ، ويدور الماء الساخن من خلال المبادل الحراري لبدء تسخين المسبح.


هذا النظام لا يزود غاري بالحرارة اللازمة لاستخدام حمام السباحة فحسب ، بل يزوده هو وعائلته بالمياه المنزلية طوال العام.

三 , المشاكل المصادفة

1. س: يخرج الغاريون لمدة إجازة كل عام. إذاً في الصيف الحار والجاف ، إذا لم يتم استخدام المجمع الشمسي لفترة من الوقت ، فهل ستسخن؟

الإجابة: لا تقلق إذا واجهت مثل هذه المشاكل. في أنظمة التدفئة الشمسية ، اتخذنا تدابير فعالة لتجنب الآثار المحتملة للسخونة الزائدة وحماية النظام من التلف.

① في نظام التسخين الشمسي الذي قمنا بتكوينه ، تحتوي وحدة التحكم على وظيفة حماية درجة الحرارة العالية. عندما تصل درجة حرارة خزان المياه إلى قيمة محددة (الإعداد الافتراضي هو 60 درجة مئوية ، يمكنك أيضًا تعيين درجة الحرارة هذه بنفسك) ، وتتوقف مضخة الدوران عن العمل على الفور ويتم تجميع الحرارة الشمسية ويتوقف السخان عن تسخين خزان المياه.

② نوصي عادة بتجهيز خزان المياه بصمام P / T. عندما يصل ضغط خزان المياه إلى 6 بار (أو تصل درجة الحرارة إلى 95 درجة مئوية) ، سيتم فتح صمام P / T تلقائيًا لتصريف المياه ، مما يقلل من درجة حرارة وضغط خزان المياه. تجنب الضغط الحراري المفرط في خزان المياه لإتلاف خزان المياه والتأثير على عمر الخدمة.

③ سنقوم بتكوين خزان التوسع في نظام التسخين الشمسي ، والذي يمكنه ضبط الضغط بشكل فعال في خط أنابيب التدوير.

④ يستخدم جامع الحرارة الشمسية ماسورة حرارية. يمكن أن تصل درجة حرارة الأنبوب الحراري في الهواء إلى 222 درجة مئوية. لذلك عندما تتوقف مضخة الدوران عن العمل ، فلا داعي للقلق بشأن تلف مجمع الطاقة الشمسية.

2. س: هل هناك حل؟

الإجابة: بالإضافة إلى الإجراءات الفعالة التي اتخذناها في تصميم المنتج في السؤال الأول ، هناك حلان لتختارهما لجعل نظامك أكثر أمانًا.

controller جهاز التحكم بالطاقة الشمسية لديه وظيفة تجاوز درجة الحرارة العالية لتبديد الحرارة الزائدة من خلال المبرد. تحتاج إلى زيادة تكلفة صمام الملف اللولبي والرادياتير ثلاثي الاتجاه ، بالإضافة إلى تكلفة الكهرباء المستخدمة لتشغيل المضخة.

② غطي جامع الحرارة الشمسية بقطعة قماش في الموسم عند حدوث السخونة الزائدة.

[استنتاج]

يحتاج تصميم حمام السباحة للتدفئة بالطاقة الشمسية إلى تصميم وتكوين وفقًا للحالة الفعلية ، وهو مناسب للعائلات التي تحتاج إلى تدفئة المسبح المنزلي وتوفير المياه الساخنة المنزلية. ميزتها الكبرى هي أنه مع ضمان الاستخدام اليومي للمياه ، يمكنها أيضًا استخدام حمام السباحة الخامل ، مما يجلب الكثير من المرح إلى الحياة الأسرية. في الوقت الحاضر ، تم تثبيت هذا النظام واستخدامه ، والعملية مستقرة ، مما يلبي تمامًا توقعات غاري. إذا كنت مهتمًا ، يمكنك الاتصال بنا. يمكنك أيضًا العثور على المزيد من حلول تسخين المياه بالطاقة الشمسية هنا:

https://www.1stsunflower.com/Solar-Heating-Solutions-Projects-pl6142236.html

دخلت زهرة عباد الشمس الأولى مجال منتجات الطاقة الشمسية منذ عام 1998 بخبرة ومهارات عميقة في منتجات الطاقة الشمسية والمنتجات الخضراء ، مع القدرة على تصميم المنتجات الممتازة ، وتقديم الاستشارات للحلول وخدمات دعم الأعمال ، وهي ملتزمة بزيادة القيمة وتقليل التكاليف للعملاء. .

روابط سريعة

اتصل بنا

 :info@sunflower-solar.com / info@sunline.com.cn
 : + 0086-13775232023 / + 0086-13584366733
 : +8613584366733
 : cnsunline
 : رقم 1 ، الطريق هونغ كونغ ، niutang المنطقة الصناعية ،
تشانغتشو ، جيانغسو ، الصين
حقوق الطبع والنسخ ؛ 1ST SUNFLOWER ENERGY Co.، Ltd. كل الحق حلها.