ERHALTEN SIE DIE NEUESTEN INFORMATIONEN

BEDIENUNG

So entwerfen Sie ein Solarheizsystem für Ihren Pool

Anzahl Durchsuchen:0     Autor:1. Sonnenblume     veröffentlichen Zeit: 2019-12-07      Herkunft:Powered

erkundigen

[Zusammenfassung]

Heutzutage entscheiden sich immer mehr Menschen dafür, Sonnenenergie in ihrem Leben zu nutzen. Ich hoffe, dass ich nicht nur das grundlegendste Brauchwasser zur Verfügung stelle, sondern auch den Pool in meinem Haus nutzen kann. Durch die Solarheizung wird zwar das häusliche Wasser der Familie geschützt, aber auch der Pool beheizt und die Nutzungsdauer des Pools verlängert. In diesem Artikel wird das Entwurfsschema des Solarheizungs-Schwimmbadesystems als Referenz verwendet.

[Text]

一 , Die Grundsituation

Gary aus Dubai plant die Installation einer Solaranlage in einem lange genutzten Pool in seinem Haus. Obwohl das lokale Wetter heiß ist, muss das Schwimmbad immer eine für den menschlichen Körper geeignete Temperatur erreichen, bevor es verwendet werden kann. Sein Schwimmbad ist 5 m * 12 m groß und es gibt keine besonderen Anforderungen an die Nutzungsdauer. Aber es gibt sechs Leute in Garys Haus, in der Hoffnung, seine Familie beim Heizen des Schwimmbades mit ausreichend heißem Brauchwasser zu versorgen.

二 , Wie entwerfe ich eine komplette Lösung für ein Solarschwimmbad?

1. Kombiniert mit den meteorologischen Daten von Dubai als Entwurfsgrundlage:

So entwerfen Sie ein Solarheizsystem für Ihren Pool-1

Das Klima in Dubai ist heiß und sonnig. Der Poolbereich von Gary ist 5m * 12m. Nach den Wetterdaten von Dubai und dem thermischen Wirkungsgrad des Solarkollektors sind 4 Sätze SFB305818-Wärmerohr-Solarkollektoren erforderlich.

Berücksichtigen Sie neben der Beheizung des Pools, dass Gary und seine Familie das ganze Jahr über heißes Wasser verwenden müssen. Entsprechend dem täglichen Bedarf an 60 l und 60 l heißem Wasser für jede Person haben wir für Gary einen Satz 300 l Solarpool für die Hausheizung und eine Lösung für Brauchwasser entwickelt.

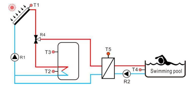
2. Das Systembetriebsdiagramm lautet wie folgt:

So entwerfen Sie ein Solarheizsystem für Ihren Pool-2

Dies ist ein Druck-Solarheizsystem, das nicht durch die Installationshöhe begrenzt ist. Ob hoch oder niedrig installiert, es wird Gary und seiner Familie angenehmes und heißes Wasser bringen. Der Solarkollektor erwärmt den Wassertank jederzeit vorzugsweise durch die Spule am Boden des Wassertanks. Wenn der Wassertank die eingestellte Temperatur (z. B. 60 ° C) erreicht, dreht sich die Umwälzpumpe R4 zum Wärmetauscher, und das heiße Wasser zirkuliert durch den Wärmetauscher, um mit dem Heizen des Schwimmbades zu beginnen.


Dieses System versorgt Gary nicht nur mit der Wärme, die für die Nutzung des Schwimmbades benötigt wird, sondern versorgt ihn und seine Familie das ganze Jahr über mit Brauchwasser.

三 , Die aufgetretenen Probleme

1. F: Die Garys machen jedes Jahr Urlaub. Wird der Solarkollektor im heißen und trockenen Sommer überhitzt, wenn er längere Zeit nicht benutzt wird?

Antwort: Machen Sie sich keine Sorgen, wenn Sie auf solche Probleme stoßen. Bei Solarheizungssystemen haben wir wirksame Maßnahmen ergriffen, um mögliche Auswirkungen einer Überhitzung zu vermeiden und das System vor Beschädigungen zu schützen.

① In der von uns konfigurierten Solaranlage verfügt der Regler über eine Hochtemperaturschutzfunktion. Wenn die Temperatur des Wassertanks einen eingestellten Wert erreicht (die Standardeinstellung ist 60 ° C, Sie können diese Temperatur auch selbst einstellen), funktioniert die Umwälzpumpe sofort nicht mehr und die Sonnenwärme wird gesammelt. Die Heizung heizt den Wassertank nicht mehr auf.

② Wir empfehlen normalerweise, den Wassertank mit einem P / T-Ventil auszustatten. Wenn der Druck des Wassertanks 6 bar erreicht (oder die Temperatur 95 ° C erreicht), öffnet sich das P / T-Ventil automatisch, um Wasser abzulassen, wodurch die Temperatur und der Druck des Wassertanks verringert werden. Vermeiden Sie übermäßigen Hitzedruck im Wassertank, um den Wassertank zu beschädigen und die Lebensdauer zu beeinträchtigen.

③ Wir werden einen Ausgleichsbehälter in der Solaranlage konfigurieren, der den Druck in der Zirkulationsleitung effektiv anpassen kann.

④ Der Solarwärmekollektor verwendet ein Wärmerohr. Die Temperatur des Wärmerohrs in der Luft kann 222 ° C erreichen. Wenn die Umwälzpumpe nicht mehr funktioniert, müssen Sie sich keine Sorgen mehr machen, dass der Solarkollektor beschädigt wird.

2. F: Gibt es eine Lösung?

Antwort: Zusätzlich zu den wirksamen Maßnahmen, die wir in der ersten Frage beim Produktdesign ergriffen haben, können Sie zwei Lösungen auswählen, um Ihr System sicherer zu machen.

① Der Solarregler verfügt über eine Hochtemperatur-Bypass-Funktion, um überschüssige Wärme über den Kühler abzuleiten. Sie müssen die Kosten für das Dreiwege-Magnetventil und den Kühler sowie die Stromkosten für den Betrieb der Pumpe erhöhen.

② Decken Sie den Solarwärmekollektor in der Saison, in der es zu Überhitzung kommt, mit einem Tuch ab.

[Fazit]

Diese Solarheizungspoollösung muss entsprechend der tatsächlichen Situation entworfen und konfiguriert werden. Sie ist für Familien geeignet, die den Haushaltspool heizen und Warmwasser bereitstellen müssen. Sein größter Vorteil ist, dass er zwar den täglichen Wasserverbrauch sicherstellt, aber auch das nicht genutzte Schwimmbad nutzen kann, was dem Familienleben viel Spaß macht. Gegenwärtig wurde dieses System installiert und verwendet, und der Betrieb ist stabil, was die Erwartungen von Gary voll erfüllt. Wenn Sie interessiert sind, können Sie uns kontaktieren. Weitere solare Warmwasserbereitungslösungen finden Sie hier:

https://www.1stsunflower.com/Solar-Heating-Solutions-Projects-pl6142236.html

1st sunflower ist seit 1998 auf dem Gebiet der Solarenergieprodukte mit tiefem Know-how und Know-how in Solarenergieprodukten und umweltfreundlichen Produkten, mit der Fähigkeit ausgezeichneter Produktdesigns, Lösungsberatung und Business-Support-Services tätig .

Quick Links

Kontaktiere uns

 :info@sunflower-solar.com / info@sunline.com.cn
 + 0086-13775232023 / + 0086-13584366733
 +8613584366733
 : cnsunline
 : No.1, hongxi road, niutang industrial district,
Changzhou, Jiangsu, China
Copyright & Kopie; 1. SONNENBLUMEN ENERGIE Co., Ltd. Alles klar gelöst.