الحصول على أحدث المعلومات

الخدمات

تسخين حمامات السباحة وتدفئة الأرضية حلول المياه الساخنة

تصفح الكمية:11     الكاتب:1stsunflower     نشر الوقت: 2020-01-10      المنشأ:محرر الموقع

رسالتك

[نبذة مختصرة]

مع تحسين مستويات معيشة الناس ، أصبح المستخدمون الذين لديهم حمامات سباحة وتدفئة أرضية في المنازل أكثر شيوعًا. يستخدم التسخين التقليدي بشكل عام الغلايات أو التسخين الكهربائي. هذه المرافق لا تستهلك الطاقة التقليدية فحسب ، بل إنها مكلفة أيضًا. يرغب المستخدمون في استخدام أنظمة تسخين المياه بالطاقة الشمسية بدلاً من طرق التدفئة التقليدية.

[نص]

العملاء في نيوزيلندا يستخدمون أنظمة التدفئة الأرضية من أبريل إلى أكتوبر وحمامات السباحة من يناير إلى مارس.


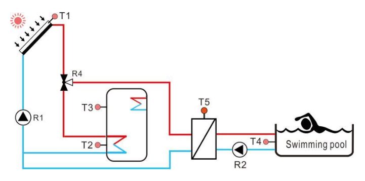
يتكون الجزء الرئيسي من هذا النظام من مجمعات ، ووحدات تحكم ، وخزانات مياه ، ومبادلات حرارية ، ومضخات متداولة ، وخزانات تمدد ، وتركيبات صمامات ، وأنابيب.


تسخين حمامات السباحة وتدفئة الأرضية حلول المياه الساخنة


هناك العديد من العوامل في تصميم أنظمة التدفئة الشمسية ، إلى جانب التوزيع الموسمي غير المتساوي لأشعة الشمس (أشعة الشمس في الصيف جيدة ، وارتفاع درجة حرارة الماء ، والشمس الضعيفة في الشتاء ، وانخفاض درجة حرارة الماء). لا يتطلب ذلك حسابًا دقيقًا وفقًا للظروف المحددة للمشروع فحسب ، بل يتطلب أيضًا تحديدًا شاملاً لتكوين نظام التسخين الشمسي ، خاصةً منطقة المجمع الشمسي ، إلى جانب الخبرة الفعلية. منطقة تصميم مجمّع الحرارة الشمسية كبيرة جدًا ، مما يؤدي إلى ارتفاع تكاليف الاستثمار والاستخدام الفعال المنخفض للطاقة الشمسية. منطقة تصميم مجمّع الحرارة الشمسية صغيرة جدًا ، واستهلاك الطاقة في وضع الاستعداد كبير ، وتأثير توفير الطاقة وخفض التكلفة غير واضح. مبدأ التصميم العام هو أنه يمكن أن يلبي 65-80 ٪ من الاستخدام ، ويستخدم طاقة احتياطية لتكملة عندما تكون الحرارة غير كافية.


تبلغ مساحة التدفئة الأرضية لمنزل العميل 260 متر مربع. بعد الحساب ، هناك حاجة إلى 4-5 مجموعات من جامعي الأنبوب 30. نظرًا لأن نظام التسخين الأصلي للعميل يصل إلى 12kw ، يمكن أن يصل 6 جامعي إلى 12kw. حجم حمام السباحة 12 * 4.5 * 1.8 م. بعد الحساب ، مطلوب ستة جامعي 30 أنبوب. بشكل شامل ، 6 جامعي هي الخيار الأفضل.


خزان المياه الحالي للعميل هو 315 لتر ، ولكن نظرًا لأنه تم استخدامه لفترة طويلة وليس من الواضح ما إذا كان هناك ملف مدمج ، فمن المستحسن أن يستبدل العميل خزان مياه مزدوج اللولب بسعة 300 لتر.

بين نوفمبر ومارس ، عندما تصل درجة حرارة الخزان إلى 60 درجة مئوية ، يتحول R4 تلقائيًا إلى مسبح ساخن.


تسخين حمام السباحة وتسخين الأرضية حلول الماء الساخن -2

خلال أبريل-أكتوبر ، عندما تصل درجة حرارة خزان المياه إلى 60 درجة مئوية ، يتحول R4 تلقائيًا إلى أرضية التدفئة تحت الأرض.

تسخين حمام السباحة وتسخين الأرضية حلول الماء الساخن -3

إذا لم يكن هناك ضوء الشمس ، يمكنك أيضًا استخدام الماء الساخن في الخزان لتسخين الأرضعن طريق تشغيل R5.

تسخين حمام السباحة وتسخين الأرضية حلول الماء الساخن -4


يمكن تبديل وضع تسخين المسبح ووضع تسخين الأرضية بواسطة صمام كروي يدوي ثلاثي الاتجاهات ، والذي يحتاج إلى تدوير 90 درجة فقط كل عام.


هذا هو الحل الأفضل ، كل جزء يمكن أن يجعل النظام يصل إلى أعلى كفاءة طوال العام.


في هذه العملية ، لدى العميل سؤال: هل سيتعارض نظام التدفئة الحالي مع نظامنا ، وهل سيعدل التوصيلات الكهربائية والسباكة الحالية؟


لا داعي للقلق بشأن هذه المشكلة. نظام التسخين الشمسي هو نظام مستقل تمامًا. لا يوجد اتصال مباشر بنظام التدفئة الحالي للعميل. يمكن استخدام نظام التسخين الأصلي كطاقة تسخين إضافية للنظام الشمسي.

[استنتاج]

التسخين الشمسي ليس فقط نظامًا لاستهلاك الطاقة ، ولكنه أيضًا نظام لإنتاج الطاقة. تتميز بخصائص توفير الطاقة والنظافة وحماية البيئة والراحة الجيدة. إنها طريقة تسخين خضراء. مع تحسين متطلبات الناس لنوعية الحياة ، من المؤكد أنه سيتم استخدام أنظمة التدفئة الشمسية على نطاق واسع.

دخلت زهرة عباد الشمس الأولى مجال منتجات الطاقة الشمسية منذ عام 1998 بخبرة ومهارات عميقة في منتجات الطاقة الشمسية والمنتجات الخضراء ، مع القدرة على تصميم المنتجات الممتازة ، وتقديم الاستشارات للحلول وخدمات دعم الأعمال ، وهي ملتزمة بزيادة القيمة وتقليل التكاليف للعملاء. .

روابط سريعة

اتصل بنا

 :info@sunflower-solar.com / info@sunline.com.cn
 : + 0086-13775232023 / + 0086-13584366733
 : +8613584366733
 : cnsunline
 : رقم 1 ، الطريق هونغ كونغ ، niutang المنطقة الصناعية ،
تشانغتشو ، جيانغسو ، الصين
حقوق الطبع والنسخ ؛ 1ST SUNFLOWER ENERGY Co.، Ltd. كل الحق حلها.