OBTENGA LA ÚLTIMA INFORMACIÓN

SERVICIO

Calentamiento de piscinas y suelo radiante soluciones de agua caliente

Vistas:24     Autor:1stunflower     Hora de publicación: 2020-01-10      Origen:Sitio

Preguntar

[Resumen]

Con la mejora del nivel de vida de las personas, los usuarios con piscinas y calefacción por suelo radiante en los hogares se están volviendo cada vez más comunes. La calefacción tradicional generalmente usa calderas o calefacción eléctrica. Estas instalaciones no solo consumen energía convencional, sino que también son caras. Los usuarios desean utilizar sistemas solares de calentamiento de agua en lugar de los métodos de calentamiento tradicionales.

[Texto]

Los clientes se encuentran en Nueva Zelanda y utilizan sistemas de calefacción por suelo radiante de abril a octubre y piscinas de enero a marzo.


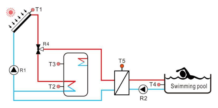
La parte principal de este sistema consiste en colectores, controladores, tanques de agua, intercambiadores de calor, bombas de circulación, tanques de expansión, accesorios de válvulas y tuberías.


Calentamiento de piscinas y suelo radiante soluciones de agua caliente


Hay muchos factores en el diseño de sistemas de calefacción solar, junto con la distribución estacional desigual de la luz solar (buen sol de verano, alta temperatura del agua, débil sol de invierno, baja temperatura del agua). Esto requiere no solo un cálculo preciso de acuerdo con las condiciones específicas del proyecto, sino también una determinación exhaustiva de la configuración del sistema de calefacción solar, especialmente el área del colector solar, en combinación con la experiencia real. El área de diseño del colector de calor solar es demasiado grande, lo que resulta en altos costos de inversión y baja utilización efectiva de la energía solar. El área de diseño del colector de calor solar es demasiado pequeña, el consumo de energía de reserva es grande y el efecto del ahorro de energía y la reducción de costos no es obvio. El principio general del diseño es que puede cumplir con el 65-80% del uso y usar energía de respaldo para complementar cuando el calor es insuficiente.


El área de calefacción de piso de la casa del cliente es de 260 metros cuadrados. Después del cálculo, se necesitan 4-5 juegos de colectores de 30 tubos. Como el sistema de calefacción original del cliente alcanza los 12kw, 6 colectores pueden alcanzar los 12kw. El tamaño de la piscina es de 12 * 4.5 * 1.8m. Después del cálculo, se requieren seis colectores de 30 tubos. De manera integral, 6 coleccionistas son la mejor opción.


El tanque de agua existente del cliente es de 315 litros, pero dado que se ha utilizado durante mucho tiempo y no está claro si hay una bobina incorporada, se recomienda que el cliente reemplace un tanque de agua de doble bobina de 300 litros.

Entre noviembre y marzo, cuando la temperatura del tanque alcanza los 60 ° C, R4 cambia automáticamente a una piscina climatizada.


Calefacción de piscinas y suelo radiante soluciones de agua caliente-2

Durante abril-octubre, cuando la temperatura del tanque de agua alcanza los 60 ° C, R4 cambia automáticamente al piso de calefacción subterráneo.

Calefacción de piscinas y suelo radiante soluciones de agua caliente-3

Si no hay luz solar, también puede usar el agua caliente en el tanque para calentar el sueloencendiendo el R5.

Calefacción de piscinas y suelo radiante soluciones de agua caliente-4


El modo de calefacción de la piscina y el modo de calefacción de piso se pueden cambiar mediante una válvula de bola manual de tres vías, que solo necesita girar 90 grados cada año.


Esta es la mejor solución, cada parte puede hacer que el sistema alcance la mayor eficiencia durante todo el año.


En el proceso, el cliente tiene una pregunta: ¿entrará en conflicto su sistema de calefacción existente con nuestro sistema y modificará las conexiones eléctricas y de plomería existentes?


No hay necesidad de preocuparse por este problema. Nuestro sistema de calefacción solar es un sistema completamente independiente. No hay conexión directa con el sistema de calefacción existente del cliente. El sistema de calefacción original se puede utilizar como energía de calefacción auxiliar para el sistema solar.

[Conclusión]

La calefacción solar no es solo un sistema de consumo de energía, sino también un sistema de producción de energía. Tiene las características de ahorro de energía, limpieza, protección del medio ambiente y buen confort. Es un método de calentamiento verde. Con la mejora de los requisitos de las personas para la calidad de vida, los sistemas de calefacción solar seguramente se utilizarán cada vez más.

1st girasol ha entrado en el campo de los productos de energía solar desde 1998 con una amplia experiencia y conocimientos en productos de energía solar y productos ecológicos, con capacidad de excelente diseño de productos, consultoría de soluciones y servicios de apoyo empresarial, y se compromete a maximizar el valor y reducir los costos para los clientes .

enlaces rápidos

Contáctenos

 :info@sunflower-solar.com / info@sunline.com.cn
 : + 0086-13775232023 / + 0086-13584366733
 : +8613584366733
 : cnsunline
 : NO.1, camino de hongxi, distrito industrial de Niutang,
Changzhou, Jiangsu, China
Copyright y copia; 1ST SUNFLOWER ENERGY Co., Ltd. Todo bien resuelto.