ПОЛУЧИТЬ ПОСЛЕДНЮЮ ИНФОРМАЦИЮ

ОКАЗАНИЕ УСЛУГ

Подогрев бассейна и подогрев пола горячей водой

Просмотры:0     Автор:1stsunflower     Время публикации: 2020-01-10      Происхождение:Работает

Запрос цены

[Аннотация]

С улучшением уровня жизни людей, пользователи с бассейнами и полами с подогревом в домах становятся все более распространенными. Традиционное отопление обычно использует котлы или электрическое отопление. Эти объекты не только потребляют обычную энергию, но и работают дорого. Пользователи хотят использовать солнечные водонагревательные системы вместо традиционных методов отопления.

[Текст]

Клиенты находятся в Новой Зеландии, которые используют системы подогрева пола с апреля по октябрь и бассейны с января по март.


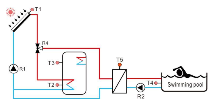
Основная часть этой системы состоит из коллекторов, контроллеров, резервуаров для воды, теплообменников, циркуляционных насосов, расширительных баков, арматуры и трубопроводов.


Подогрев бассейна и подогрев пола горячей водой


Существует множество факторов, влияющих на дизайн систем солнечного отопления в сочетании с неравномерным сезонным распределением солнечного света (хорошее солнечное лето, высокая температура воды, слабое зимнее солнце, низкая температура воды). Это требует не только точного расчета в соответствии с конкретными условиями проекта, но и всестороннего определения конфигурации системы солнечного отопления, особенно площади солнечного коллектора, в сочетании с реальным опытом. Площадь конструкции солнечного теплового коллектора слишком велика, что приводит к высоким инвестиционным затратам и низкому эффективному использованию солнечной энергии. Площадь конструкции солнечного теплового коллектора слишком мала, энергопотребление в режиме ожидания велико, а эффект энергосбережения и снижения затрат неочевиден. Общий принцип проектирования заключается в том, что он может удовлетворить 65-80% использования и использовать резервную энергию для дополнения, когда тепла недостаточно.


Площадь пола с подогревом в доме заказчика составляет 260 кв. После расчета необходимо 4-5 комплектов коллекторов с 30 трубками. Поскольку оригинальная система отопления потребителя составляет 12 кВт, 6 коллекторов могут достигать 12 кВт. Размер бассейна 12 * 4,5 * 1,8м. После расчета требуется шесть коллекторов с 30 трубками. Таким образом, 6 коллекционеров - лучший выбор.


Существующий резервуар для воды на 315 л., Но поскольку он использовался в течение длительного времени, и неясно, имеется ли встроенная катушка, рекомендуется заменить резервуар для воды на 300 л с двойной катушкой.

С ноября по март, когда температура в баке достигает 60 ° C. R4 автоматически переключается на бассейн с подогревом.


Подогрев бассейна и подогрев пола растворами горячей воды-2

В течение апреля-октября, когда температура резервуара для воды достигает 60 ° C, R4 автоматически переключается на пол в подземном отоплении.

Подогрев бассейна и подогрев пола растворами горячей воды-3

Если нет солнечного света, вы также можете использовать горячую воду в резервуаре, чтобы нагреть землювключив R5.

Подогрев бассейна и подогрев пола растворами горячей воды-4


Режим обогрева бассейна и режим подогрева пола можно переключать с помощью ручного трехходового шарового крана, который нужно поворачивать только на 90 градусов каждый год.


Это лучшее решение, каждая деталь может обеспечить максимальную эффективность системы в течение всего года.


В процессе работы у клиента возникает вопрос: будет ли его существующая система отопления конфликтовать с нашей системой, и будет ли он изменять существующие электрические и водопроводные соединения?


Нет необходимости беспокоиться об этой проблеме. Наша солнечная система отопления является полностью независимой системой. Нет прямой связи с существующей системой отопления клиента. Оригинальная система отопления может быть использована в качестве вспомогательной энергии нагрева для солнечной системы.

[Вывод]

Солнечное отопление - это не только система энергопотребления, но и система производства энергии. Он обладает характеристиками энергосбережения, чистоты, защиты окружающей среды и хорошего комфорта. Это зеленый метод отопления. С улучшением требований людей к качеству жизни, солнечные системы отопления, безусловно, будут использоваться все шире.

1-й подсолнечник вступил в сферу солнечной энергетики с 1998 года с глубоким опытом и навыками в области солнечной энергии и экологически чистых продуктов, обладающих отличным дизайном продукции, консалтингом в области решений и поддержкой бизнеса, и стремится максимизировать стоимость и сократить расходы для клиентов ,

Быстрые ссылки

Связаться с нами

 :info@sunflower-solar.com / info@sunline.com.cn
 : + 0086-13775232023 / + 0086-13584366733
 : +8613584366733
 : cnsunline
 : NO.1, дорога Хунси, промышленный район Ниутанг,
Чанчжоу, Цзянсу, Китай
Авторское право и копия; 1ST SUNFLOWER ENERGY Co., Ltd. Все в порядке.