الحصول على أحدث المعلومات

الخدمات

أفضل حل لنظام التدفئة

تصفح الكمية:1     الكاتب:محرر الموقع     نشر الوقت: 2022-11-29      المنشأ:محرر الموقع

رسالتك

أفضل حل لنظام التدفئة

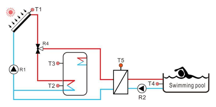
مع تحسن مستويات معيشة الناس ، أصبح المستخدمون الذين لديهم حمامات سباحة وتدفئة أرضية في المنازل أكثر شيوعًا. تستخدم التدفئة التقليدية عمومًا الغلايات أو التدفئة الكهربائية. لا تستهلك هذه المرافق الطاقة التقليدية فحسب ، بل إنها تعمل أيضًا باهظة الثمن. يرغب المستخدمون في استخدام أنظمة تسخين المياه بالطاقة الشمسية بدلاً من طرق التدفئة التقليدية. العملاء في نيوزيلندا يستخدمون أنظمة التدفئة الأرضية من أبريل إلى أكتوبر وحمامات السباحة من يناير إلى مارس. يتكون الجزء الرئيسي من هذا النظام من المجمعات ، وأجهزة التحكم ، وخزانات المياه ، والمبادلات الحرارية ، والمضخات الدائرية ، وخزانات التمدد ، وتركيبات الصمامات والأنابيب.                                              


Pool heating and floor heating hot water solutions


هناك العديد من العوامل في تصميم أنظمة التدفئة الشمسية ، إلى جانب التوزيع الموسمي غير المتكافئ لأشعة الشمس (أشعة الشمس الجيدة في الصيف ، وارتفاع درجة حرارة الماء ، وضعف أشعة الشمس في الشتاء ، وانخفاض درجة حرارة الماء). لا يتطلب ذلك حسابًا دقيقًا وفقًا للظروف المحددة للمشروع فحسب ، بل يتطلب أيضًا تحديد تكوين نظام التسخين الشمسي بشكل شامل ، وخاصة منطقة مجمع الطاقة الشمسية ، إلى جانب الخبرة الفعلية. مساحة تصميم مجمّع الحرارة الشمسية كبيرة جدًا ، مما يؤدي إلى ارتفاع تكاليف الاستثمار وانخفاض الاستخدام الفعال للطاقة الشمسية. مساحة تصميم مجمّع الحرارة الشمسي صغيرة جدًا ، واستهلاك الطاقة الاحتياطية كبير ، وتأثير توفير الطاقة وخفض التكلفة ليس واضحًا. مبدأ التصميم العام هو أنه يمكن أن يلبي 65-80٪ من الاستخدام ، واستخدام الطاقة الاحتياطية لتكملة عندما تكون الحرارة غير كافية. تبلغ مساحة التدفئة الأرضية لمنزل العميل 260 مترًا مربعًا. بعد الحساب ، هناك حاجة إلى 4-5 مجموعات من المجمعات ذات 30 أنبوبًا. نظرًا لأن نظام التسخين الأصلي للعميل يصل إلى 12kw ، يمكن لـ 6 مجمعات تصل إلى 12kw. حجم المسبح 12 * 4.5 * 1.8 م. بعد الحساب ، يلزم وجود ستة مجمعات ذات 30 أنبوبًا. بشكل شامل ، 6 جامعين هم الخيار الأفضل. يبلغ حجم خزان المياه الحالي للعميل 315 لترًا ، ولكن نظرًا لاستخدامه لفترة طويلة وليس من الواضح ما إذا كان هناك ملف مدمج ، فمن المستحسن أن يستبدل العميل خزان مياه بسعة 300 لتر. بين شهري نوفمبر ومارس ، عندما تصل درجة حرارة الخزان إلى 60 درجة مئوية ، يتحول R4 تلقائيًا إلى بركة دافئة.


Pool heating and floor heating hot water solutions-2

خلال الفترة من أبريل إلى أكتوبر ، عندما تصل درجة حرارة خزان المياه إلى 60 درجة مئوية ، يتحول R4 تلقائيًا إلى أرضية التدفئة تحت الأرض.

Pool heating and floor heating hot water solutions-3

إذا لم يكن هناك ضوء الشمس ، يمكنك أيضًا استخدام الماء الساخن في الخزان لتسخين الأرض عن طريق تشغيل R5.

Pool heating and floor heating hot water solutions-4


يمكن تبديل وضع تدفئة المسبح ووضع التدفئة الأرضية بواسطة صمام كروي يدوي ثلاثي الاتجاهات ، والذي يحتاج فقط إلى الدوران 90 درجة كل عام.


هذا هو الحل الأفضل ، كل جزء يمكن أن يجعل النظام يصل إلى أعلى كفاءة طوال العام.


في هذه العملية ، لدى العميل سؤال: هل سيتعارض نظام التدفئة الحالي الخاص به مع نظامنا ، وهل سيقوم بتعديل التوصيلات الكهربائية والصحية الحالية؟


لا داعي للقلق بشأن هذه المشكلة. نظام التسخين الشمسي الخاص بنا هو نظام مستقل تمامًا. لا يوجد اتصال مباشر مع نظام التدفئة الحالي للعميل. يمكن استخدام نظام التسخين الأصلي كطاقة تسخين إضافية للنظام الشمسي.


إن التسخين الشمسي ليس فقط نظامًا لاستهلاك الطاقة ، ولكنه أيضًا نظام لإنتاج الطاقة. تتميز بخصائص توفير الطاقة والنظافة وحماية البيئة والراحة الجيدة. إنها طريقة تدفئة خضراء. مع تحسين متطلبات الناس لجودة الحياة ، من المؤكد أنه سيتم استخدام أنظمة التدفئة الشمسية على نطاق واسع.



دخلت زهرة عباد الشمس الأولى مجال منتجات الطاقة الشمسية منذ عام 1998 بخبرة ومهارات عميقة في منتجات الطاقة الشمسية والمنتجات الخضراء ، مع القدرة على تصميم المنتجات الممتازة ، وتقديم الاستشارات للحلول وخدمات دعم الأعمال ، وهي ملتزمة بزيادة القيمة وتقليل التكاليف للعملاء. .

روابط سريعة

اتصل بنا

 :info@sunflower-solar.com / info@sunline.com.cn
 : + 0086-13775232023 / + 0086-13584366733
 : +8613584366733
 : cnsunline
 : رقم 1 ، الطريق هونغ كونغ ، niutang المنطقة الصناعية ،
تشانغتشو ، جيانغسو ، الصين
حقوق الطبع والنسخ ؛ 1ST SUNFLOWER ENERGY Co.، Ltd. كل الحق حلها.