الحصول على أحدث المعلومات

الخدمات

حلول تدفئة الأرضية والمسبح

تصفح الكمية:10     الكاتب:محرر الموقع     نشر الوقت: 2020-12-25      المنشأ:محرر الموقع

رسالتك

حلول تدفئة الأرضية والمسبح

هناك العديد من عوامل التصميم لأنظمة التسخين بالطاقة الشمسية ، إلى جانب التوزيع الموسمي غير المتكافئ لأشعة الشمس (ضوء الشمس الجيد في الصيف ، وارتفاع درجة حرارة الماء ، وضعف ضوء الشمس في الشتاء ، وانخفاض درجة حرارة الماء). وهذا لا يتطلب فقط حسابات دقيقة بناءً على الظروف المحددة ل المشروع ، ولكن أيضًا تحديد شامل لتكوين نظام التسخين الشمسي ، خاصة منطقة المجمع الشمسي ، بناءً على التجربة الفعلية.

مساحة تصميم المجمّع الشمسي كبيرة جدًا ، مما يؤدي إلى ارتفاع تكاليف الاستثمار وانخفاض الاستخدام الفعال للطاقة الشمسية. مساحة تصميم المجمّع الشمسي صغيرة جدًا ، واستهلاك الطاقة الاحتياطية كبير ، وتأثير توفير الطاقة والتكلفة الاختزال ليس واضحًا ، مبدأ التصميم العام هو أنه يمكن تلبية 65-80٪ من الاستخدام ، وتستخدم الطاقة الاحتياطية لتكملة الحرارة عندما تكون الحرارة غير كافية.

تتمتع نيوزيلندا بمناخ بحري معتدل ، والفصول معاكسة لتلك الموجودة في نصف الكرة الشمالي. وهناك اختلاف طفيف في درجات الحرارة في الفصول الأربعة. في نيوزيلندا ، يكون الصيف من ديسمبر إلى فبراير من العام التالي ، والشتاء من يونيو حتى أغسطس ، متوسط درجة الحرارة في الصيف حوالي 20 ، ومتوسط درجة الحرارة في الشتاء حوالي 10 ℃ ، والفرق السنوي في درجات الحرارة بشكل عام لا يتجاوز 15 ℃.

يحتاج منزل العميل إلى مساحة تدفئة أرضية تبلغ 260 مترًا مربعًا ، وبعد الحساب ، يلزم 4-5 مجموعات من 30 أنبوبًا حجم حوض السباحة 12 * 4.5 * 1.8 متر. بعد الحساب ، 6 مجموعات من 30 أنبوبًا مطلوب جامعين. نظرًا لأن حواجز الشمس النيوزيلندية ليست قوية جدًا ، بعد دراسة شاملة ، فإن 6 مجمعات هي الخيار الأفضل. وفي الوقت نفسه ، يحتاج العميل إلينا لتهيئة خزان مياه بالطاقة الشمسية له. لذلك قمنا بتكوين 300 لتر مزدوج - خزان ماء ملفوف للعميل.

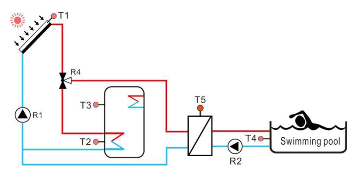
خلال الفترة من نوفمبر إلى مارس ، عندما تصل درجة حرارة خزان المياه إلى 60 درجة مئوية ، يتحول R4 تلقائيًا إلى بركة دافئة.

1

خلال الفترة من أبريل إلى أكتوبر ، عندما تصل درجة حرارة خزان المياه إلى 60 درجة مئوية ، يتحول R4 تلقائيًا إلى أرضية التدفئة تحت الأرض.

2

إذا لم يكن هناك ضوء الشمس ، يمكنك أيضًا استخدام الماء الساخن الزائد في الخزان لتسخين الأرض عن طريق تشغيل R5.

3

يمكن تبديل وضع تدفئة حمام السباحة ووضع التدفئة الأرضية بواسطة صمام كروي يدوي ثلاثي الاتجاهات ، والذي يحتاج فقط إلى الدوران 90 درجة في السنة.

هذا هو الحل الأفضل ، كل جزء يمكن أن يجعل النظام يصل إلى أعلى كفاءة على مدار العام.

نظرًا لأن معظم العملاء قد قاموا بتركيب أنظمة تدفئة أخرى قبل أن يتلامسوا مع أنظمة تسخين المياه بالطاقة الشمسية ، فإنهم لا يزالون مهتمين بأنظمة تسخين المياه بالطاقة الشمسية مع مراعاة حماية البيئة وقضايا التكلفة. لذلك هناك نظام هجين مع نظام تسخين بالطاقة الشمسية باعتباره العنصر الرئيسي وطرق التدفئة الأخرى كمكملات.


دخلت زهرة عباد الشمس الأولى مجال منتجات الطاقة الشمسية منذ عام 1998 بخبرة ومهارات عميقة في منتجات الطاقة الشمسية والمنتجات الخضراء ، مع القدرة على تصميم المنتجات الممتازة ، وتقديم الاستشارات للحلول وخدمات دعم الأعمال ، وهي ملتزمة بزيادة القيمة وتقليل التكاليف للعملاء. .

روابط سريعة

اتصل بنا

 :info@sunflower-solar.com / info@sunline.com.cn
 : + 0086-13775232023 / + 0086-13584366733
 : +8613584366733
 : cnsunline
 : رقم 1 ، الطريق هونغ كونغ ، niutang المنطقة الصناعية ،
تشانغتشو ، جيانغسو ، الصين
حقوق الطبع والنسخ ؛ 1ST SUNFLOWER ENERGY Co.، Ltd. كل الحق حلها.