OBTENIR LES DERNIÈRES INFORMATIONS

UN SERVICE

Système de chauffage solaire pour l'eau sanitaire et la piscine

Nombre Parcourir:0     auteur:Éditeur du site     publier Temps: 2023-05-24      origine:Propulsé

enquête

Système de chauffage solaire pour l'eau sanitaire et la piscine

Éléments de design


1. Calculer la surface du capteur solaire en fonction du volume de la piscine


2. Déterminez la taille du réservoir d'eau en fonction du nombre de membres de la famille qui utilisent l'eau chaude


3. Temps d'utilisation de la piscine


4. Facteurs climatiques


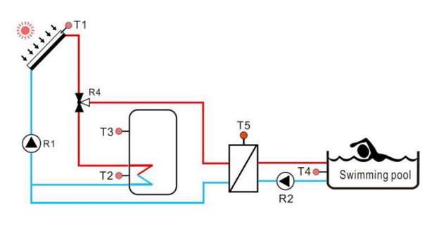
Le schéma de fonctionnement complet du système est le suivant :


SFBP Solar Heating For Swimming Pool&Spa-p4.3.2

Les caractéristiques de conception du système de chauffage solaire


1. Il s'agit d'un système de chauffage solaire sous pression, qui n'est pas limité par la hauteur d'installation. Que la citerne soit installée sur le toit ou sur le terrain plat, elle apportera à la famille une eau chaude confortable et sous pression.


2. Contrôle intelligent. Dans le système, le capteur solaire chauffe d'abord le réservoir d'eau, puis commence à chauffer la piscine lorsque la température du réservoir d'eau atteint la valeur définie. Assurer l'approvisionnement en eau chaude sanitaire tout au long de l'année.


Cette solution de système de chauffage solaire pour l'eau sanitaire et la piscine doit être conçue et configurée en fonction des conditions réelles et convient au chauffage des piscines et des ménages qui fournissent de l'eau chaude sanitaire. Le plus gros avantage est de répondre aux besoins de chauffage des piscines tout en garantissant une eau pour la vie quotidienne. Vous pouvez également trouver plus de solutions de chauffage solaire de l'eau ici : https://www.1stsunflower.com/Solar-Heating-Solutions-Projects-pl6142236.html


1er tournesol est entré dans le domaine des produits à énergie solaire depuis 1998 avec une expertise et des compétences approfondies dans les produits à énergie solaire et les produits verts, avec une capacité de conception de produits excellente, des services de conseil en solutions et de soutien aux entreprises, et s'est engagé à maximiser la valeur et à réduire les coûts pour les clients. .

Liens rapides

Contactez nous

 :info@sunflower-solar.com / info@sunline.com.cn
 : + 0086-13775232023 / + 0086-13584366733
 : +8613584366733
 : cnsunline
 : NO.1, hongxi road, district industriel de niutang,
Changzhou, Jiangsu, Chine
Copyright & copie; 1ER ÉNERGIE DE TOURNESOL Cie., Ltd. Très bien résolu.