OBTENGA LA ÚLTIMA INFORMACIÓN

SERVICIO

Análisis de caso de sistema de calefacción solar para piscina

Vistas:1     Autor:Editor del sitio     Hora de publicación: 2020-09-03      Origen:Sitio

Preguntar

Análisis de caso de sistema de calefacción solar para piscina

【Resumen】

Por lo general, al diseñar un sistema de calefacción solar doméstico para piscina, 1st Sunflower configurará un sistema de agua caliente solar completo de acuerdo con el uso real del cliente. No solo puede calentar la piscina, sino que también permite que toda la familia use suficiente agua caliente durante todo el año. Analizaremos los detalles del sistema de piscina con calefacción solar a través de casos reales.


【Texto】

一. Caso real

Peter es de Sudáfrica. Sudáfrica está ubicada en los trópicos, con buenas condiciones de sol y altas temperaturas durante todo el año. Su casa de nueva construcción tiene una piscina de unos 9 m de largo por 4 m de ancho. Quiere instalar un sistema completo de calefacción solar que no solo pueda calentar su piscina, sino que también proporcione agua doméstica para su familia. Ambos pueden considerarse. Luego, diseñaremos un sistema de calefacción solar doméstico completo basado en la situación real de Peter.


二. Elementos de diseño

1. Calcule el área del colector solar según el volumen de la piscina.

2. Determine el tamaño del tanque de agua de acuerdo con la cantidad de miembros de la familia que usan agua caliente.

3. Hora de usar la piscina

 

三. El proceso de diseño

1. El área de la piscina es de 9 m * 4 m. Combinando el clima de Sudáfrica y la eficiencia térmica de los colectores solares, se necesitan 2 juegos de colectores solares SFB305818.

2. 5 miembros de la familia, equipados con un tanque de agua solar de 300L para suministrar agua caliente sanitaria según 40-60L de agua caliente por día por persona. Y se puede agregar un colector solar SFB305818 para garantizar suficiente calor.

3. Debido al clima cálido de Sudáfrica, la piscina se utiliza durante todo el año.

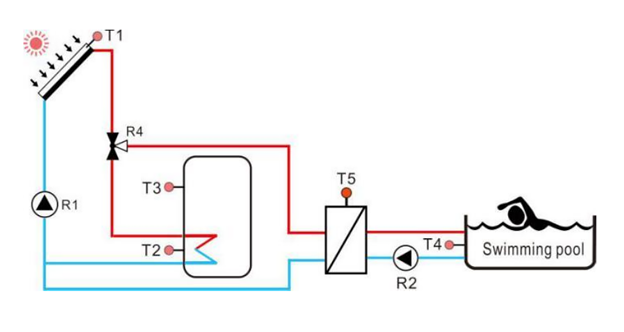
4. El diagrama de funcionamiento completo del sistema es el siguiente:

SFBP Solar Heating For Swimming Pool&Spa-p4.3.2

四. Las características de diseño del sistema de calefacción solar.

1. Este es un sistema de calefacción solar presurizado, que no está limitado por la altura de instalación. Ya sea que el tanque esté instalado en el techo o en un terreno plano, traerá a Peter y su familia agua caliente a presión y cómoda.

2. Control inteligente. En el sistema, el colector solar calienta primero el tanque de agua y luego comienza a calentar la piscina cuando la temperatura del tanque de agua alcanza el valor establecido. Asegurar el suministro de agua caliente sanitaria durante todo el año.

Cuando la temperatura T1 del colector solar y la temperatura T2 del acumulador de agua caliente son mayores que la diferencia de temperatura establecida por el controlador (8K), la bomba de circulación solar R1 se enciende automáticamente y el colector solar comienza a circular y calentar el tanque de agua. Cuando la diferencia de temperatura entre T1 y T2 es menor que la diferencia de temperatura establecida (4K), la bomba de circulación R1 deja de funcionar.

Cuando la temperatura del tanque de agua alcanza la temperatura establecida (por ejemplo, 60 ° C), la válvula R4 gira hacia el intercambiador de calor y, al mismo tiempo, R2 comienza a funcionar y el colector solar comienza a calentar la piscina. Cuando la diferencia de temperatura entre la temperatura del colector solar T1 y la temperatura de la piscina T4 es menor que la diferencia de temperatura configurada (4K), las bombas de circulación R1 y R2 dejan de funcionar al mismo tiempo y R4 gira hacia el tanque de agua.


【Conclusión】

Este sistema de calefacción solar para solución de piscinas debe diseñarse y configurarse de acuerdo con las condiciones reales, y es adecuado para calentar piscinas y hogares que proporcionan agua caliente sanitaria. La mayor ventaja es satisfacer las necesidades de calefacción de piscinas garantizando el agua para la vida diaria. También puede encontrar más soluciones de calentamiento solar de agua aquí: https://www.1stsunflower.com/Solar-Heating-Solutions-Projects-pl6142236.html


1st girasol ha entrado en el campo de los productos de energía solar desde 1998 con una amplia experiencia y conocimientos en productos de energía solar y productos ecológicos, con capacidad de excelente diseño de productos, consultoría de soluciones y servicios de apoyo empresarial, y se compromete a maximizar el valor y reducir los costos para los clientes .

enlaces rápidos

Contáctenos

 :info@sunflower-solar.com / info@sunline.com.cn
 : + 0086-13775232023 / + 0086-13584366733
 : +8613584366733
 : cnsunline
 : NO.1, camino de hongxi, distrito industrial de Niutang,
Changzhou, Jiangsu, China
Copyright y copia; 1ST SUNFLOWER ENERGY Co., Ltd. Todo bien resuelto.