GET THE LATEST INFORMATION

SERVICE

Swimming pool and floor heating solution

Views: 14     Author: Site Editor     Publish Time: 2020-12-25      Origin: Site

Inquire

Swimming pool and floor heating solution

There are many design factors for solar heating systems, coupled with uneven seasonal distribution of sunlight (good sunlight in summer, high water temperature, weak sunlight in winter, low water temperature). This requires not only accurate calculations based on the specific conditions of the project, but also a comprehensive determination of the configuration of the solar heating system, especially the area of the solar collector, based on actual experience.

The design area of the solar collector is too large, resulting in high investment costs and low effective utilization of solar energy. The design area of the solar collector is too small, the standby energy consumption is large, and the effect of energy saving and cost reduction is not obvious. The overall design principle is that 65-80% of the use can be met, and standby energy is used to supplement the heat when the heat is insufficient.

New Zealand has a temperate maritime climate, and the seasons are opposite to those in the northern hemisphere. There is little temperature difference in the four seasons. In New Zealand, summer is from December to February of the following year, and winter is from June to August. The average temperature in summer is about 20, and the average temperature in winter is about 10. The annual temperature difference generally does not exceed 15.

The customer’s home needs floor heating area of 260 square meters. After calculation, 4-5 sets of 30-tube collectors are required. The size of the swimming pool is 12*4.5*1.8m. After calculation, 6 sets of 30-tube collectors are required. As New Zealand’s sun barriers are not very strong, after comprehensive consideration, 6 collectors are the best choice. At the same time, the customer needs us to configure a solar water tank for him. So we have configured a 300L double-coil water tank for the customer.

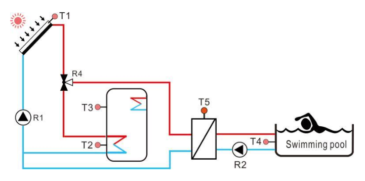
During November to March, when the water tank temperature reaches 60°C. R4 automatically switches to a heated pool.

1

During April to October, when the temperature of the water tank reaches 60°C, R4 automatically switches to the underground heating floor.


2

If there is no sunlight, you can also use the excess hot water in the tank to heat the underground by turning on R5.

3

The swimming pool heating mode and floor heating mode can be switched by a manual three-way ball valve, which only needs to be rotated 90 degrees per year.

This is the best solution, each part can make the system reach the highest efficiency throughout the year.

Since most customers have installed other heating systems before they come into contact with solar water heating systems, they are still interested in solar water heating systems in consideration of environmental protection and cost issues. So there is a hybrid system with solar heating system as the main and other heating methods as supplementary.


Contact Us

Quick Links

Contact Us

Email : info@sunflower-solar.com 
Tel : +0086-13584366733
WhatsApp : +86 13584366733
Skype : cnsunline
Wechat : deoxudu
Add : No. 18, Xiangyun Road, Wujin Economic Development Zone, Changzhou,Jiangsu, China
 
Copyright © 1ST SUNFLOWER ENERGY Co.,Ltd. All right resolved.