OBTENGA LA ÚLTIMA INFORMACIÓN

SERVICIO

Solución de calefacción de piscina y suelo

Vistas:2     Autor:Editor del sitio     Hora de publicación: 2020-12-25      Origen:Sitio

Preguntar

Solución de calefacción de piscina y suelo

Hay muchos factores de diseño para los sistemas de calefacción solar, junto con una distribución estacional desigual de la luz solar (buena luz solar en verano, alta temperatura del agua, luz solar débil en invierno, baja temperatura del agua). Esto requiere no solo cálculos precisos basados en las condiciones específicas del proyecto, sino también una determinación completa de la configuración del sistema de calefacción solar, especialmente el área del colector solar, basada en la experiencia real.


El área de diseño del colector solar es demasiado grande, lo que genera altos costos de inversión y una baja utilización efectiva de la energía solar. El área de diseño del colector solar es demasiado pequeña, el consumo de energía en espera es grande y el efecto del ahorro de energía y la reducción de costos no es obvio. El principio de diseño general es que se puede cumplir entre el 65 y el 80% del uso y la energía de reserva se utiliza para complementar el calor cuando el calor es insuficiente.


Nueva Zelanda tiene un clima marítimo templado y las estaciones son opuestas a las del hemisferio norte. Hay poca diferencia de temperatura en las cuatro estaciones. En Nueva Zelanda, el verano es de diciembre a febrero del año siguiente, y el invierno es de junio a agosto. La temperatura media en verano es de unos 20 ℃, y la temperatura media en invierno es de unos 10 ℃. La diferencia de temperatura anual generalmente no supera los 15 ℃.


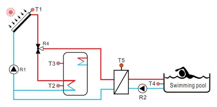
El hogar del cliente necesita un área de calefacción por suelo radiante de 260 metros cuadrados. Después del cálculo, se requieren 4-5 juegos de colectores de 30 tubos. El tamaño de la piscina es de 12 * 4,5 * 1,8 m. Después del cálculo, se requieren 6 juegos de colectores de 30 tubos. Como las barreras solares de Nueva Zelanda no son muy fuertes, después de una consideración exhaustiva, 6 colectores son la mejor opción. Al mismo tiempo, el cliente necesita que le configuremos un depósito de agua solar. Por eso hemos configurado un tanque de agua de doble serpentín de 300L para el cliente.


De noviembre a marzo, cuando la temperatura del tanque de agua alcanza los 60 ° C. R4 cambia automáticamente a una piscina climatizada.

1

De abril a octubre, cuando la temperatura del tanque de agua alcanza los 60 ° C, R4 cambia automáticamente al piso de calefacción subterráneo.

2

Si no hay luz solar, también puede usar el exceso de agua caliente en el tanque para calentar el subsuelo encendiendo R5.

3

El modo de calefacción de la piscina y el modo de calefacción por suelo radiante se pueden cambiar mediante una válvula de bola manual de tres vías, que solo se debe girar 90 grados por año.

Esta es la mejor solución, cada pieza puede hacer que el sistema alcance la mayor eficiencia durante todo el año.

Dado que la mayoría de los clientes han instalado otros sistemas de calefacción antes de entrar en contacto con los sistemas solares de calentamiento de agua, todavía están interesados en los sistemas solares de calentamiento de agua en consideración a la protección ambiental y los problemas de costos. Por lo tanto, hay un sistema híbrido con un sistema de calefacción solar como principal y otros métodos de calefacción complementarios.


1st girasol ha entrado en el campo de los productos de energía solar desde 1998 con una amplia experiencia y conocimientos en productos de energía solar y productos ecológicos, con capacidad de excelente diseño de productos, consultoría de soluciones y servicios de apoyo empresarial, y se compromete a maximizar el valor y reducir los costos para los clientes .

enlaces rápidos

Contáctenos

 :info@sunflower-solar.com / info@sunline.com.cn
 : + 0086-13775232023 / + 0086-13584366733
 : +8613584366733
 : cnsunline
 : NO.1, camino de hongxi, distrito industrial de Niutang,
Changzhou, Jiangsu, China
Copyright y copia; 1ST SUNFLOWER ENERGY Co., Ltd. Todo bien resuelto.