ERHALTEN SIE DIE NEUESTEN INFORMATIONEN

BEDIENUNG

Lösung für Schwimmbad und Fußbodenheizung

Anzahl Durchsuchen:15     Autor:Site Editor     veröffentlichen Zeit: 2020-12-25      Herkunft:Powered

erkundigen

Lösung für Schwimmbad und Fußbodenheizung

Es gibt viele Auslegungsfaktoren für Solarheizsysteme, verbunden mit einer ungleichmäßigen saisonalen Verteilung des Sonnenlichts (gutes Sonnenlicht im Sommer, hohe Wassertemperatur, schwaches Sonnenlicht im Winter, niedrige Wassertemperatur). Dies erfordert nicht nur genaue Berechnungen auf der Grundlage der spezifischen Projektbedingungen, sondern auch eine umfassende Bestimmung der Konfiguration der Solaranlage, insbesondere der Fläche des Solarkollektors, basierend auf den tatsächlichen Erfahrungen.


Die Auslegungsfläche des Solarkollektors ist zu groß, was zu hohen Investitionskosten und einer geringen effektiven Nutzung der Solarenergie führt. Die Auslegungsfläche des Solarkollektors ist zu klein, der Standby-Energieverbrauch ist groß und der Effekt von Energieeinsparung und Kostenreduzierung ist nicht offensichtlich. Das allgemeine Konstruktionsprinzip besteht darin, dass 65-80% des Verbrauchs gedeckt werden können und Standby-Energie verwendet wird, um die Wärme zu ergänzen, wenn die Wärme nicht ausreicht.


Neuseeland hat ein gemäßigtes Seeklima und die Jahreszeiten sind denen auf der Nordhalbkugel entgegengesetzt. In den vier Jahreszeiten gibt es kaum Temperaturunterschiede. In Neuseeland ist der Sommer von Dezember bis Februar des folgenden Jahres und der Winter von Juni bis August. Die Durchschnittstemperatur im Sommer beträgt ca. 20 ° C und die Durchschnittstemperatur im Winter ca. 10 ° C. Die jährliche Temperaturdifferenz überschreitet im Allgemeinen 15 ° C.


Das Haus des Kunden benötigt eine Fußbodenheizfläche von 260 Quadratmetern. Nach der Berechnung sind 4-5 Sätze von 30-Rohr-Kollektoren erforderlich. Die Größe des Schwimmbades beträgt 12 * 4,5 * 1,8 m. Nach der Berechnung sind 6 Sätze von 30-Rohr-Kollektoren erforderlich. Da Neuseelands Sonnenschutz nicht sehr stark ist, sind nach umfassender Prüfung 6 Sammler die beste Wahl. Gleichzeitig muss der Kunde einen Solarwassertank für ihn konfigurieren. Deshalb haben wir für den Kunden einen 300L Doppelspulen-Wassertank konfiguriert.


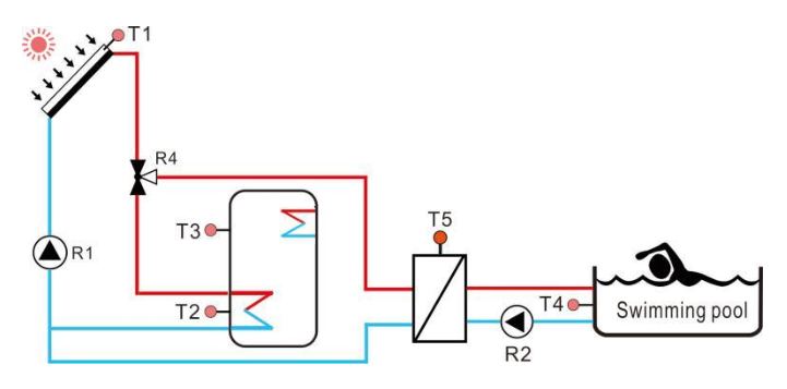
Von November bis März, wenn die Wassertanktemperatur 60 ° C erreicht. R4 wechselt automatisch zu einem beheizten Pool.

1

Von April bis Oktober, wenn die Temperatur des Wassertanks 60 ° C erreicht, schaltet R4 automatisch in die Fußbodenheizung.

2

Wenn es kein Sonnenlicht gibt, können Sie auch das überschüssige heiße Wasser im Tank verwenden, um den Untergrund durch Einschalten von R5 zu heizen.

3

Der Schwimmbadheizmodus und der Fußbodenheizungsmodus können durch einen manuellen Dreiwegekugelhahn umgeschaltet werden, der nur um 90 Grad pro Jahr gedreht werden muss.


Dies ist die beste Lösung. Mit jedem Teil kann das System das ganze Jahr über die höchste Effizienz erreichen.


Da die meisten Kunden andere Heizsysteme installiert haben, bevor sie mit solaren Warmwasserbereitungssystemen in Kontakt kommen, sind sie unter Berücksichtigung von Umweltschutz- und Kostenaspekten weiterhin an solaren Warmwasserbereitungssystemen interessiert. Es gibt also ein Hybridsystem mit Solarheizung als Haupt- und anderen Heizmethoden als Ergänzung.


1st sunflower ist seit 1998 auf dem Gebiet der Solarenergieprodukte mit tiefem Know-how und Know-how in Solarenergieprodukten und umweltfreundlichen Produkten, mit der Fähigkeit ausgezeichneter Produktdesigns, Lösungsberatung und Business-Support-Services tätig .

Quick Links

Kontaktiere uns

 :info@sunflower-solar.com / info@sunline.com.cn
 + 0086-13775232023 / + 0086-13584366733
 +8613584366733
 : cnsunline
 : No.1, hongxi road, niutang industrial district,
Changzhou, Jiangsu, China
Copyright & Kopie; 1. SONNENBLUMEN ENERGIE Co., Ltd. Alles klar gelöst.