ПОЛУЧИТЬ ПОСЛЕДНЮЮ ИНФОРМАЦИЮ

ОКАЗАНИЕ УСЛУГ

Анализ кейса солнечной системы отопления для бассейна

Просмотры:1     Автор:Pедактор сайта     Время публикации: 2020-09-24      Происхождение:Работает

Запрос цены

Анализ кейса солнечной системы отопления для бассейна

【Абстрактный】

С развитием и популяризацией систем солнечной энергии все больше и больше семей используют солнечную энергию для обогрева бассейнов. Использование солнечной энергии для обогрева бассейнов может не только снизить затраты на электроэнергию, но также сэкономить энергию и защитить окружающую среду. Поэтому все больше и больше людей должны рассчитывать и настраивать подходящую систему бассейнов с солнечным подогревом в соответствии с их собственным использованием и площадью бассейна.

Ниже для справки приведен пример дизайна домашнего плавательного бассейна с солнечным обогревом.


【Основной корпус】 

1. Основные требования:

Сэм из Замбии, у него дома бассейн размером 8 × 4 × 1,5 м, он просит использовать бассейн днем или вечером и должен оборудовать бассейн системой бассейна с солнечным обогревом.

2. Идеи дизайна:

Поскольку Сэм находится в Замбии, климат здесь лучше.

В соответствии с климатом Замбии и площадью бассейна 8 * 4 м, фактически, если глубина бассейна составляет 1,2 м, можно настроить 2 комплекта солнечных коллекторов SFB305818.

Однако, поскольку бассейн в доме Сэма имеет глубину 1,5 м, требуется 3 комплекта солнечных коллекторов SFB305818, иначе тепла будет недостаточно.

И оснащен подходящими теплообменниками, циркуляционными насосами и другими принадлежностями.

3. Особенности конструкции

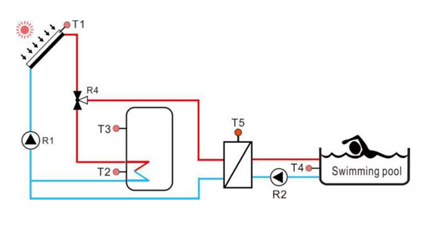
SFBP Solar Heating For Swimming Pool&Spa-p4.3.2


Это закрытая система циркуляции под давлением. Эта система управляется солнечными коллекторами, которые нагревают бассейн напрямую через теплообменники.

Преимущества: экономия энергии, удовлетворение потребностей в обогреве бассейна, обогрев плавательного бассейна напрямую за счет циркуляции тепла через теплообменник. Можно гарантировать, что Сэм сможет пользоваться бассейном днем или вечером.


4. Сэму нравится дизайн этой системы плавательного бассейна с солнечным подогревом, который соответствует его плавательному бассейну и условиям использования, а количество коллекторов является разумным, чтобы не допустить, чтобы расчетная площадь солнечных коллекторов была слишком большой или слишком маленькой, в результате при высоких инвестиционных затратах, эффективный коэффициент использования солнечной энергии низкий или потребление энергии в режиме ожидания велико, эффект энергосбережения и снижения затрат не очевиден.


Однако у Сэма есть некоторые сомнения по поводу этой системы:


① Будет ли течь в бассейн нагретая вода из трубы?


Нет, внутренняя часть трубчатого теплообменника независима. Вода в трубе и вода в бассейне не связаны друг с другом. Вода в циркуляционной трубе и вода в бассейне только обмениваются теплом и никогда не смешиваются.


②Что делать при выходе из строя помпы? Солнечные коллекторы будут перегреваться? Что будет, если температура будет слишком высокой?


Когда насос не работает, температура воздуха в тепловой трубке достигает 222 ℃, что не влияет на коллектор.

Солнечный контроллер имеет функцию защиты от высоких температур, и система учла эту ситуацию при разработке продукта, и были приняты эффективные меры защиты. Избегайте возможного воздействия перегрева и защищайте солнечную систему от повреждений.

Даже если циркуляционный насос или контроллер перестают работать, теплообмен прекращается. Солнечный коллектор не будет поврежден, вам не нужно беспокоиться о повреждении солнечного коллектора.


③ Могу ли я одновременно обеспечивать горячую воду для своей семьи? Может, после купания нужно искупаться. Что нужно добавить?


Это возможно. Мы можем предоставить систему горячего водоснабжения и обогрева бассейна. Это требует добавления резервуаров для воды и коллекторов. Мне нужно рассчитать, исходя из количества людей, которым нужна горячая вода. Эта система будет более эффективно использовать солнечную энергию.


【Вывод】

Эта система плавательного бассейна с солнечным подогревом подходит для большинства домашних бассейнов, которые требуют использования плавательных бассейнов днем или вечером, но все же его необходимо спроектировать в соответствии с реальной ситуацией. При проектировании бассейнов с солнечным подогревом существует множество факторов, и сезонное распределение солнечного света неравномерно. Конкретный план конфигурации и детали продукта необходимо рассчитать и предоставить в соответствии с фактическим размером бассейна, чтобы избежать ненужных отходов.

SFBP Solar Heating For Swimming Pool&Spa-p2.1



1-й подсолнечник вступил в сферу солнечной энергетики с 1998 года с глубоким опытом и навыками в области солнечной энергии и экологически чистых продуктов, обладающих отличным дизайном продукции, консалтингом в области решений и поддержкой бизнеса, и стремится максимизировать стоимость и сократить расходы для клиентов ,

Быстрые ссылки

Связаться с нами

 :info@sunflower-solar.com / info@sunline.com.cn
 : + 0086-13775232023 / + 0086-13584366733
 : +8613584366733
 : cnsunline
 : NO.1, дорога Хунси, промышленный район Ниутанг,
Чанчжоу, Цзянсу, Китай
Авторское право и копия; 1ST SUNFLOWER ENERGY Co., Ltd. Все в порядке.